
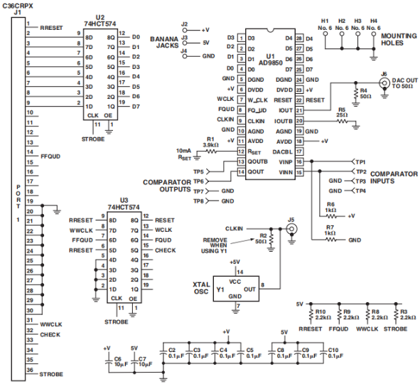
O AD9850 é um sintetizador digital sofisticado que mescla a síntese digital direta (DDS) com um conversor e comparador de digital para análise de alta velocidade.Essa combinação permite a criação de ondas senoidais analógicas precisas, oferecendo uma fonte versátil para gerar frequências e sintetizar relógios.Com uma resolução de ajuste de 0,0291 Hz, pode lidar com até 23 milhões de atualizações de frequência por segundo, suportando frequências de saída até 62,5 MHz.Sua capacidade de fornecer essa precisão pode invocar sentimentos de realização para aqueles que trabalham em aplicativos de frequência complexos.
Equipado com recursos de modulação em cinco fases, o dispositivo permite a manipulação complexa de sinal.Essa adaptabilidade no controle de fase é benéfica nas tarefas de comunicação e instrumentação, onde o tempo de precisão molda os resultados.As configurações de campo geralmente revelam sua resiliência, mantendo o desempenho consistente em condições variadas, uma característica que pode ressoar com um senso de confiabilidade.
O AD9850 emprega um design de CMOS de baixa potência, funcionando com eficiência nos parâmetros de temperatura industrial.Ele consome apenas 155 MW a um suprimento de 3,3 V, tornando-o ideal para aplicações portáteis e portáteis de bateria enquanto sustentam o desempenho.Em contextos em que a conservação de energia se alinha com objetivos mais amplos, seu design oferece uma sensação de harmonia entre desempenho e sustentabilidade.O sintetizador suporta métodos de carregamento de dados paralelos e seriados, expandindo sua aplicabilidade em diferentes configurações do sistema.Essa adaptabilidade promove diversas estratégias de implantação, permitindo soluções personalizadas em sistemas sofisticados.Os cenários reais enfatizam sua integração suave nas tecnologias legadas e de ponta, reforçando sua posição no campo.

|
PIN No. |
Mnemônico |
Função |
|
4 a 1, 28 a 25 |
D0 a D7 |
Entrada de dados de 8 bits.Esta é a porta de dados de 8 bits para
carregando iterativamente a frequência de 32 bits e a palavra de fase/controle de 8 bits.D7
= Msb;D0 = LSB.D7 (pino 25) também serve como pino de entrada para os 40 bits
palavra de dados em série. |
|
5, 24 |
DGND |
Terra digital.Estes são os leads de retorno do solo para o
circuito digital. |
|
6, 23 |
DVDD |
Leads de tensão de fornecimento para circuitos digitais. |
|
7 |
W_clk |
Relógio de carga de palavras.Este relógio é usado para carregar o paralelo
ou palavras de frequência serial/fase/controle. |
|
8 |
Fq_ud |
Atualização de frequência.Na borda ascendente deste relógio, o
DDS atualiza a frequência (ou fase) carregada no registro de entrada de dados;isto
Em seguida, redefine o ponteiro para a palavra 0. |
|
9 |
Clkin |
Entrada do relógio de referência.Isso pode ser um contínuo
O trem de pulso no nível do CMOS ou a entrada senoidal com influência em 1/2V.A borda ascendente
deste relógio inicia a operação. |
|
10, 19 |
AGND |
Terreno analógico.Esses leads são o retorno do solo para o
circuito analógico (DAC e comparador). |
|
11, 18 |
Avdd |
Tensão de fornecimento para o circuito analógico (DAC e
Comparador). |
|
12 |
Rset |
Conexão RSET externa do DAC.Este resistor
a corrente de saída em escala em larga escala DAC.Para aplicações normais (fs, iout = 10
MA), o valor para Rset é de 3,9 kΩ conectado ao solo.O rset/iout
Relacionamento é iout = 32 (1,248 v/rset). |
|
13 |
Qoutb |
Complemento de saída.Este é o complemento do comparador
saída. |
|
14 |
Qout |
Saída true.Esta é a saída verdadeira do comparador. |
|
15 |
Vinn |
Entrada de tensão invertida.Este é o comparador do
entrada negativa. |
|
16 |
Vinp |
Entrada de tensão sem inversão.Este é o comparador do
entrada positiva. |
|
17 |
DACBL (NC) |
DAC BASELING.Esta é a referência de tensão da linha de base do DAC;
esse lead é interno ignorado e normalmente deve ser considerado um não
Conecte o desempenho ideal. |
|
20 |
Ioutb |
Saída analógica complementar do DAC. |
|
21 |
Iout |
Saída de corrente analógica do DAC. |
|
22 |
REINICIAR |
Reiniciar.Esta é a função de redefinição principal;Quando definido, alto,
Ele limpa todos os registros (exceto o registro de entrada) e a saída DAC vai
Cosine 0 após ciclos adicionais do relógio. |


|
Recurso |
Descrição |
|
Frequência do relógio |
25 MHz |
|
DAC no chip e comparadores |
DAC de alto desempenho e comparadores de alta velocidade |
|
DAC SFDR |
> 50 dB a 40 MHz AOUT |
|
Ajuste de frequência |
Palavra de ajuste de frequência de 32 bits |
|
Interface de controle |
Interface de controle simplificada: byte paralelo ou serial |
|
Formato de carregamento |
Suportado |
|
Modulação de fase |
Capacidade de modulação de fase |
|
Fonte de energia |
Opera em uma fonte de alimentação única de 3,3V ou 5V |
|
Consumo de energia (5V) |
380 MW a 125 MHz |
|
Consumo de energia (3,3V) |
155 MW a 110 MHz |
|
Power para baixo |
Função de desativação incluída |
|
Tipo de pacote |
Pacote SSOP de 28 pinos ultra-pequenos |
Aqui está um formato de tabela estruturada com base nas especificações técnicas, atributos e parâmetros fornecidos para o Analog Devices Inc. AD9850BRS, junto com sua parte detalhes.
|
Parâmetro |
Valor |
|
Tipo |
DSP periférico, oscilador controlado numérico |
|
Status do ciclo de vida |
Produção (Última atualização: 3 semanas atrás) |
|
Time de entrega da fábrica |
8 semanas |
|
Placar de contato |
Chumbo, lata |
|
Tipo de montagem |
Montagem na superfície |
|
Pacote / caso |
28-SSOP (0,209, 5,30 mm de largura) |
|
Número de pinos |
28 |
|
Temperatura operacional |
-40 ° C a 85 ° C. |
|
Embalagem |
Tubo |
|
Código JESD-609 |
E0 |
|
Código PBFree |
Não |
|
Status da peça |
Ativo |
|
Nível de sensibilidade à umidade (MSL) |
1 (ilimitado) |
|
Número de terminações |
28 |
|
Código ECCN |
Ear99 |
|
Dissipação máxima de energia |
480mw |
|
Tensão - suprimento |
3.3V, 5V |
|
Posição terminal |
Dual |
|
Forma terminal |
Asa de gaivota |
|
Temperatura de refluxo de pico |
240 ° C. |
|
Tensão de fornecimento |
5V |
|
Tom de terminal |
0,65 mm |
|
Código de conformidade de alcance |
Não é compatível |
|
Freqüência |
125MHz |
|
Tempo no pico de temperatura do refluxo |
20 segundos |
|
Número da peça base |
AD9850 |
|
Contagem de pinos |
28 |
|
Número de saídas |
1 |
|
Status de qualificação |
Não qualificado |
|
Tensão de fornecimento operacional |
3.3V |
|
Corrente de fornecimento operacional |
96MA |
|
Corrente de fornecimento nominal |
96MA |
|
Dissipação de energia |
480mw |
|
Corrente máxima de suprimentos |
96MA |
|
UPS/UCS/ICS periférico |
DSP periférico, oscilador controlado numérico |
|
Número de bits |
10 |
|
Função lógica |
Relógio |
|
Consumo de energia |
380mw |
|
Varredura de limite |
Não |
|
Modo de baixa potência |
Sim |
|
Taxa de conversão |
125 MSPs |
|
Resolução (bits) |
10 b |
|
Largura da palavra de ajuste (bits) |
32b |
|
Comprimento |
10,2 mm |
|
Largura |
5,3 mm |
|
Status do ROHS |
Compatível não-RHS |
|
Chumbo livre |
Contém chumbo |

|
Atributo |
AD9850BRS (Rochester
Electronics LLC) |
AD9850BRSZ (Dispositivos analógicos
Inc) |
|
Código ROHS |
Não |
Sim |
|
Fabricante IHS |
Rochester Electronics Inc. |
Analog Devices Inc. |
|
Código de conformidade de alcance |
Desconhecido |
Compatível |
|
Código JESD-609 |
E0 |
E3 |
|
Temperatura de refluxo de pico (° C) |
240 |
260 |
|
Status de qualificação |
Comercial |
Não qualificado |
|
Acabamento terminal |
Chumbo de lata |
Tin Matte (SN) |
|
Número base corresponde |
4 |
2 |
|
Conteúdo de origem uid |
AD9850BRS |
AD9850BRSZ |
|
Código do pacote do fabricante |
RS-28 |
RS-28 |
|
Código ECCN |
Ear99 |
Ear99 |
|
Código HTS |
8542.39.00.01 |
8542.39.00.01 |
|
Samacsys Descrição |
AD9850BRS |
Ad9850brsz, sintetizador digital direto de 10 bits
1250000KSPS, 28 pinos SSOP |
|
Fabricante Samacsys |
Rochester Electronics LLC |
Analog Devices Inc. |


O AD9850 mostra suas proezas na criação de ondas senoidais precisas com frequência adaptável e controle de fase.Sua capacidade de ajustar suavemente as frequências se torna um fator harmonioso nas variedades variadas de testes e medições, abrangendo pesquisa e uso comercial.A elegância das modificações de fase rápida ajuda a melhorar a coerência do sinal e diminuir o ruído da fase, reforçando a integridade do sinal em sistemas complexos.
Com seus recursos precisos de tempo, a recuperação de relógio digital encontra um parceiro valioso no AD9850.Ele extrai perfeitamente os detalhes do tempo dos fluxos de dados, garantindo a sincronização.Isso se mostra principalmente benéfico em telecomunicações, onde a preservação da fidelidade de dados durante a transmissão evoca confiança.As aplicações reais exigem agilidade para acomodar várias taxas de dados, e a adaptabilidade do AD9850 reduz os erros de incompatibilidades de tempo.
Nos sistemas de comunicação, o AD9850 faz contribuições notáveis, refinando os processos de modulação e desmodulação.Sua geração de frequência estável suporta troca de dados eficientes.Este dispositivo é frequentemente empregado para aumentar a clareza do sinal, afastar a interferência e acomodar diversos protocolos de comunicação, transformando as redes de comunicação com qualidade e alcance aprimorados de sinal.
Empregar o AD9850 para geração de código ADC controlado digitalmente destaca sua precisão na tradução de sinais analógicos em códigos digitais.Ele desempenha um papel sério nos sistemas de aquisição de dados que exigem representação precisa do sinal digital.A confiabilidade e a precisão do AD9850 facilitam a alta resolução e a conversão fiel de sinais flutuantes rapidamente, solidificando seu papel em arenas de alta precisão.
Como oscilador local ágil, o AD9850 suporta empreendimentos que requerem alterações e estabilidade de frequência rápidas, como radares e instrumentos de teste.A utilização do AD9850 pode elevar o desempenho do sistema, permitindo adaptações rápidas para evoluir condições e preservar a precisão do sistema ao longo do tempo, abrindo assim o caminho para inovações técnicas que sustentam o curso.
A Analog Devices, Inc. (ADI), conhecida por sua proeza inventiva em avanços analógicos e de sinal misto desde 1965, se posicionou consistentemente como líder na conversão de sinal eletrônico.Seus componentes desempenham um papel importante na conexão dos mundos físicos e digitais, atingindo mais de 100.000 clientes em todo o mundo.Esses produtos transformam som, luz, movimento e temperatura em sinais elétricos, enriquecendo as capacidades dos inúmeros dispositivos eletrônicos.A tecnologia avançada da ADI permeia diversos setores em eletrônicos de telecomunicações, saúde, automotivo e consumidor.
O AD9850 prova ser uma opção atraente para a construção de um transmissor de baixa potência.Facilita transmissões de alcance curto a moderado usando a modulação de chave de chave de frequência (FSK).Nos cenários reais, você pode aproveitar sua precisão em projetos de rádio amadores, otimizando cuidadosamente a clareza e a confiabilidade das bandas de frequência escolhidas.
O AD9850 é hábil em produzir várias formas de onda, como seno, quadrado e triângulo.Utilizando suas habilidades de síntese digital direta (DDS), você pode ajustar intricadamente essas formas de onda para atender a diferentes necessidades experimentais eletrônicas, destacando a adaptabilidade dessa tecnologia na criação da forma de onda.
O modelo AD9850BRS se distingue com recursos exclusivos relativos à faixa de temperatura e embalagem.Essas diferenças atendem a aplicações em que fatores ambientais requerem durabilidade específica, garantindo o desempenho e a longevidade sustentadas em diversos contextos operacionais.
Escolhendo entre o MAX038 e as depende do AD9850 nas necessidades específicas do aplicativo.As informações da síntese digital de destaque (AD9850) ou um método analógico (MAX038) são baseadas em fatores como precisão, escalabilidade e facilidade de integração.Muitos acham que os caminhos digitais geralmente fornecem adaptabilidade aprimorada para aplicações contemporâneas.
No Protel, o AD9850 é oferecido em um pacote DIP28.Esse formato é apreciado por sua acessibilidade na prototipagem e nas configurações educacionais, permitindo a montagem e testes simplificados em uma variedade de ambientes de desenvolvimento de hardware e software.
Por favor, envie uma consulta, responderemos imediatamente.
em 28/10/2024
em 28/10/2024
em 17/04/8000 147712
em 17/04/2000 111689
em 17/04/1600 111316
em 17/04/0400 83588
em 01/01/1970 79238
em 01/01/1970 66758
em 01/01/1970 62931
em 01/01/1970 62804
em 01/01/1970 54025
em 01/01/1970 51955