O 2N6488 O transistor, mantido dentro de uma caixa de plástico TO-220, é reconhecido por seu uso confiável em configurações lineares de potência e baixa frequência.Este pacote é favorecido no setor, mesclando praticidade e eficiência, adequado para diversas situações.O design suporta dissipação de calor eficiente, influenciando a durabilidade e a função dos transistores.O 2N6488 prospera em aplicações lineares de energia devido à sua robusta construção e capacidades térmicas.Ele garante gerenciamento consistente de corrente e tensão para estabilidade em circuitos.Essa confiabilidade brilha em amplificadores de áudio e fontes de alimentação regulamentadas, onde é necessário manusear cargas variadas sem perder o desempenho.
Nas tarefas de baixa frequência, o 2N6488 demonstra adaptabilidade e desempenho impressionantes.Sua capacidade de lidar com sinais com distorção mínima destaca sua força.O gerenciamento de saída térmica é central ao trabalhar com o 2N6488.O uso de dissipadores de calor eficaz e compostos térmicos ajuda a otimizar a transferência de calor.Eles precisam evitar o superaquecimento, o que pode prejudicar a funcionalidade e diminuir a vida útil do componente.Uma visão emergente no campo está adaptando componentes tradicionais como o 2N6488 para usos inovadores.À medida que a tecnologia avança, incorporá-los em sistemas híbridos e eficientes em termos de energia estão tendências.Este método aproveita a confiabilidade estabelecida do 2N6488, atendendo às necessidades modernas de sustentabilidade e eficiência energética.
• 2N60
• 2N600
• 2N6000
• 2N6001
• 2N6002
• 2N6491




O transistor 2N6488 possui um ganho de corrente CC notável ao lado da impressionante largura de banda.Essas qualidades elevam sua eficácia em cenários que exigem amplificação de áudio de alta fidelidade e operações de comutação suave.Muitos geralmente se deliciam em alavancar esses atributos para minimizar a distorção do sinal em sistemas complexos, garantindo clareza e precisão.
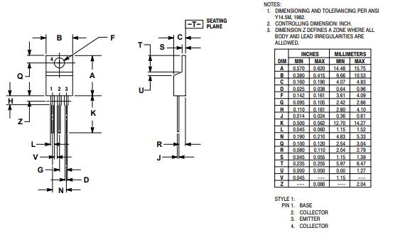
Entrada em um pacote de TO-220 simplificado, o 2N6488 promove a eficiência térmica e a instalação direta.Sua estrutura facilita adequadamente a dissipação de calor para evitar o superaquecimento em aplicações de alta potência.Muitos preferem este pacote para o manuseio adepto de calor e forma compacta.
O 2N6488 está em conformidade com os padrões do ROHS, destacando um design atencioso de bem-estar ambiental, minimizando substâncias nocivas.Com a crescente importância na inovação contemporânea de produtos, esse alinhamento complementa as metas ecológicas globais.
Oferecendo uma tensão de ruptura do coletor-emissor de 80V, o 2N6488 fica resiliente em configurações de alta tensão.Essa característica ganha apreciação quando o desempenho confiável sob pressão é imperativo.A indústria freqüentemente seleciona esses componentes para sua capacidade de suportar variações substanciais de tensão.
O transistor 2N6488 se destaca em sistemas de áudio, onde desempenha um papel na amplificação de energia.Ele fornece desempenho notável ao impulsionar os alto -falantes e componentes de áudio, gerenciando com eficiência os níveis atuais e de tensão.Isso garante uma saída sonora que seja clara e livre de distorção.O áudio geralmente favorece transistores como o 2N6488 para criar circuitos de amplificadores AB da classe.Eles apreciam sua capacidade de fornecer estabilidade térmica consistente e dissipar eficientemente o calor, aumentando a qualidade do áudio.
Exibindo robustez em tarefas de comutação de baixa frequência, a versatilidade do 2N6488 se torna evidente.É frequentemente utilizado em circuitos que exigem controle preciso, como em motoristas de motor e outros sistemas eletromecânicos.Muitos optam por transistores como o 2N6488 podem obter desempenho constante em ambientes onde a confiabilidade a longo prazo é uma consideração primária.
|
Tipo |
Parâmetro |
|
Status do ciclo de vida |
Obsoleto (último atualizado: 3 dias atrás) |
|
Pacote / caso |
TO-220AB |
|
Pacote de dispositivo de fornecedor |
TO-220AB |
|
Current-Collector (IC) (Max) |
15a |
|
Temperatura operacional |
-65 ° C a 150 ° C TJ |
|
Publicado |
2007 |
|
Nível de sensibilidade à umidade (MSL) |
1 (ilimitado) |
|
Min Temperatura de operação |
-65 ° C. |
|
Dissipação máxima de energia |
1.8W |
|
Número da peça base |
2N6488 |
|
Configuração do elemento |
Solteiro |
|
Ganhe produto de largura de banda |
5MHz |
|
Tensão do emissor de colecionador (VCEO) |
3.5V |
|
Ganho atual de CC (HFE) (min) @ IC, VCE |
20 @ 5A 4V |
|
VCE Saturação (Max) @ ib, IC |
3.5V @ 5A, 15A |
|
Frequência - Transição |
5MHz |
|
Tensão da base do emissor (vebo) |
5V |
|
Chumbo livre |
Contém chumbo |
|
Tipo de montagem |
Através do buraco |
|
Número de pinos |
3 |
|
Tensão de quebra do coletor-emitidor |
80V |
|
hfe/min |
20 |
|
Embalagem |
Tubo |
|
Status da peça |
Obsoleto |
|
Temperatura de operação máxima |
150 ° C. |
|
Tensão - DC nominal |
80V |
|
Classificação atual |
15a |
|
Polaridade |
Npn |
|
Poder - máx |
1.8W |
|
Tipo de transistor |
Npn |
|
Corrente do coletor máximo |
15a |
|
Corrente - Corte de colecionador (MAX) |
1Ma |
|
Tensão - colapso do emissor de colecionador (max) |
80V |
|
Tensão da base do coletor (VCBO) |
90V |
|
Status do ROHS |
Compatível não-RHS |
|
Papel
Número |
Fabricante |
Pacote |
Polaridade |
Colapso do emissor de colecionador
Tensão |
Tensão - emissor de colecionador
Aparelho (Max) |
Corrente do coletor máximo |
Transição de frequência |
Saturação do emissor de colecionador
Tensão |
hfe min |
|
2N6488 |
Em semicondutor |
To-220-3 |
Npn |
80 v |
80V |
15 a |
5MHz |
3,5 v |
20 |
|
BD243B |
Em semicondutor |
To-220-3 |
Npn |
80 v |
80V |
3 a |
3MHz |
1,2 v |
25 |
|
Tip31b |
Em semicondutor |
To-220-3 |
Npn |
80 v |
80V |
6 a |
- |
1,5 v |
15 |
|
BDW42 |
Em semicondutor |
To-220-3 |
Npn |
100 v |
- |
15 a |
4MHz |
- |
- |

No semicondutor, fornece soluções inovadoras e conscientes do uso de energia, criando uma posição de liderança na eletrônica.Seu extenso alcance em todo o mundo suporta diversas aplicações, incluindo eletrônicos automotivos, industriais e de consumo.Essa ampla influência mantém a empresa no comando do progresso da tecnologia.À medida que olhamos para o futuro, refletir sobre como o semicondutor pode equilibrar a inovação contínua com a sustentabilidade é intrigante.Essa interação de rápido crescimento tecnológico e mordomia ambiental representa obstáculos e novos caminhos.As proezas da empresa na previsão e adaptação para futuras tendências da indústria moldarão seu sucesso a longo prazo.
Vários dispositivos 19/Jun/2009.pdf
Tip31 (a, b, c), tip32 (a, b, c) .pdf
Por favor, envie uma consulta, responderemos imediatamente.
em 29/10/2024
em 29/10/2024
em 18/04/8000 147757
em 18/04/2000 111934
em 18/04/1600 111349
em 18/04/0400 83719
em 01/01/1970 79508
em 01/01/1970 66895
em 01/01/1970 63010
em 01/01/1970 63000
em 01/01/1970 54081
em 01/01/1970 52117