
Uma trava é um tipo de circuito em sistemas digitais que armazena um pouco de informação sem precisar de um sinal de relógio, ao contrário de outros circuitos.Ele mantém um bit de dados estável com base nos sinais de entrada, tornando -o uma parte principal da memória digital.Quando várias travas funcionam juntas, elas podem segurar mais bits, como em uma trava de "trava de 4 bits" ou "trava de 8 bits", que armazena quatro e oito bits, respectivamente.As travas são úteis em aplicações, como a prevenção de erros causados pelo salto de interruptores mecânicos e blocos de construção para sistemas de memória mais complexos.Existem vários tipos de travas, como as travas SR que definem e redefiniram saídas com duas entradas e travas D que mantêm dados usando um sinal de controle.Escolher a trava direita depende do que você precisa fazer e de onde será usado.
O 74HC573 é um dispositivo CMOS de alto desempenho que inclui oito travas do tipo D, cada um com suas próprias saídas de entrada e três estados.Você pode controlar essas travas usando os terminais Ativar (LE) e saída (LE) (LE), oferecendo flexibilidade em diferentes operações.Este dispositivo é comumente usado na computação para armazenamento e processamento de dados, nas comunicações para permitir a troca de informações e em sistemas de controle industrial.Ao usar o 74HC573, pense e considere como cada trava afeta todo o sistema.Por exemplo, na computação, você precisa equilibrar a velocidade de processamento com a confiabilidade do armazenamento.Nas comunicações, o foco está na troca de dados perfeita, ambos suportados pela arquitetura do 74HC573.Em ambientes industriais, sua precisão garante desempenho confiável em várias condições.
CD4099: O CD4099 é uma boa alternativa com recursos exclusivos.Embora possa parecer semelhante na superfície, mas os testes mostram diferenças no uso de energia e tempo de resposta.
SN74AHCT573DWR: O SN74AHCT573DWR é outra opção adequada, conhecida por sua operação em alta velocidade e ideal para tarefas sensíveis ao tempo.Comparar esta parte com o original pode ajudar a aprimorar ou ajustar projetos, velocidade de equilíbrio, uso de energia e gerenciamento de calor.

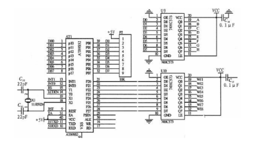
• OE (ativação de saída)
Este pino controla se os pinos de saída (q) estão ativos.Quando está ligado, os dados podem fluir através dos pinos Q.Isso é útil quando vários dispositivos compartilham a mesma linha de dados, ajudando a gerenciar o fluxo de dados.
• LE (ativação da trava)
O PIN LE controla quando os dados dos pinos de entrada (D) são armazenados na trava.Quando ativado, ele bloqueia os dados, mantendo a saída estável até que o pino seja ativado novamente.Isso ajuda a estabilizar os dados em sistemas digitais rápidos.
• D0 ~ D7 (pinos de entrada de dados)
Esses pinos são onde os dados binários entram na trava e usam para o tempo preciso dos dados em circuitos complexos.
• Q0 ~ Q7 (pinos de saída de dados)
Esses pinos emitem os dados trancados.Eles garantem que os dados sejam liberados dentro do prazo, como os de microprocessadores.
• GND (Terminal Terrestre)
Este pino se conecta ao solo, fornecendo uma tensão de referência que mantém o circuito estável.
• VCC (tensão de alimentação)
Este pino fornece o poder necessário para a trava funcionar.A tensão deve corresponder aos requisitos do dispositivo para que ele funcione corretamente.
A trava 74HC573 compreende um total de oito pinos de 3 fios, divididos em duas portas distintas de 4 bits.Cada porta possui seu próprio conjunto de pinos de entrada e saída, permitindo o manuseio eficiente de dados de 8 bits.Um recurso principal é sua porta de entrada bidirecional que promove o gerenciamento de dados versátil e dinâmico.Além disso, uma memória interna de oito bits armazena com eficiência uma sequência binária completa de 8 bits.
O 74HC573 é ótimo para lidar com dados rapidamente.Funciona bem com diferentes níveis lógicos causam suas entradas compatíveis com TTL.Essa trava pode lidar com pulsos de até 25MHz, eficiente para tarefas de dados de alta velocidade, como aplicativos pesados de desempenho.Sua forte capacidade de condução garante transmissão de dados confiável.
O 74HC573 é excelente para conversão de dados rápida.Ele lida rapidamente com sinais, para que você obtenha atualizações sem demora.Possui proteção embutida contra surtos elétricos, o que significa que é mais confiável e dura mais tempo em aplicações importantes.
A trava 74HC573 usa oito travas transparentes do tipo D para controlar o fluxo de dados.Aqui está como funciona:
• Quando ativado (g alto): a saída (q) corresponde diretamente à entrada (d) imediatamente.
• Quando desativado (g baixo): a trava se mantém no último valor de entrada, "bloqueando" no lugar.
Essa trava pode conter os dados mesmo quando o sinal de ativação mudar, importante para manter os dados estáveis.Funciona de forma independente, para que possa capturar novos dados enquanto ainda mantém dados antigos.Se você é novo nisso, pense em cada trava como uma pequena unidade de memória que pode passar os dados imediatamente ou manter -o, dependendo de um sinal de controle chamado de entrada de ativação, rotulado como "G."Quando o sinal de ativação é alto (g alto), a trava é "transparente", o que significa que permite que todos os dados estejam presentes na entrada (d) passe diretamente para a saída (q) sem demora como um portão aberto.No entanto, quando o sinal de ativação é baixo (g baixo), o portão fecha e a trava para de transmitir novos dados.Em vez disso, ele trava e mantém a última peça de dados que estava na entrada antes do fechamento do portão, mantendo essa saída até que o sinal de ativação suba novamente.Mesmo que os dados de entrada alterem, a saída permanecerá estável, desde que o sinal de ativação seja baixo, garantindo a integridade dos dados e permitindo que o sistema processe ou armazene informações de maneira confiável.
Primeiro, certifique-se de conectar os pinos de entrada (D0-D7) aos pinos de saída da sua CPU ou controlador com segurança.Essas conexões são necessárias para fluxo de dados; portanto, use cabos curtos e de alta qualidade para evitar qualquer perda de sinal.Em seguida, conecte os pinos de saída (Q0-Q7) ao seu dispositivo secundário.Os dados permanecem estáveis até você ativar o pino de ativação de saída (OE) e permite transmitir os dados exatamente quando precisar.
A CPU assume a cobrança escrevendo dados para a entrada (D0-D7) e, em seguida, manipulando os pinos de ativação da saída (OE) e Habille (LE) para controlar o fluxo de dados.Isso garante trava precisa e transmissão oportuna.O pino OE controla se os dados trancados são visíveis nos pinos de saída;Quando está baixo, os dados estão presentes no Q0-Q7, mas quando são altos, as saídas entram em um estado de alta impedância, isolando efetivamente a trava.Por outro lado, o PIN LE determina quando os dados de entrada são travados: quando estão altos, os dados de entrada são continuamente travados, refletindo o estado de D0-D7, enquanto quando está baixo, a trava mantém os últimos dados de entrada,fornecendo uma saída estável.
Para tarefas avançadas de dados envolvendo vários periféricos, vários chips 74HC573 podem ser em cascata.É necessário um momento preciso dos sinais de ativação e controle de cada chip para evitar conflitos e garantir um intercâmbio de dados contínuo.O planejamento eficaz dos sinais de controle defende a integridade do sinal nos chips em cascata.
Resistores e capacitores filtram o ruído, estabilizam as linhas de fonte de alimentação e minimizam as reflexões do sinal que podem interromper o fluxo de dados.O posicionamento próximo da trava 74HC573 na CPU e os periféricos minimiza o atraso e a interferência do sinal, aumentando a velocidade e a confiabilidade da transmissão.O uso de planos de terra e traços blindados no design da PCB reforça ainda mais a integridade do sinal, garantindo um manuseio de dados suave e eficiente.
Antes de adotar novos dados, limpe os dados atuais na trava 74HC573.Implemente uma rotina de redefinição durante a fase de inicialização para manter a precisão dos dados.Através do manuseio cuidadosamente, configuração precisa e grande atenção para sinalizar a qualidade e o layout, pode -se atingir o desempenho máximo nas tarefas de transmissão e armazenamento de dados.

O 74HC245 é um transceptor popular de 8 bits com saídas de três estados, projetadas para comunicação assíncrona.É frequentemente usado para gerenciar o fluxo de dados bidirecionais entre dois barramentos.O dispositivo apresenta controle de direção, o que permite que os dados se movam em ambas as direções com flexibilidade.O 74HC573, por outro lado, é uma trava transparente do tipo D octal com saídas de três estados.É usado para armazenamento temporário de dados e manter informações até que seja necessária.O recurso de trava fornece um fluxo constante de dados ao lidar com sinais assíncronos.
74HC245 se destaca no gerenciamento de transferências de dados com eficiência entre os ônibus, fornecendo controle direcional.Enquanto, o 74HC573 oferece um meio estável para travar dados, mantendo -os até que o sistema exija seu uso.O foco distinto no armazenamento de dados torna o 74HC573 adequado para aplicativos onde a continuidade dos dados é uma prioridade.74HC245, com seus recursos bidirecionais, apresenta uma abordagem dinâmica de manuseio de dados.Ao contrário do 74HC573, que fornece durabilidade na manutenção da integridade dos dados durante o processamento, o 74HC245 se inclina para a flexibilidade na dinâmica operacional.
Ao substituir o 74HC573 pelo 74HC245 em projetos de circuito, é importante observar suas diferenças.O controle de dados bidirecional do 74HC245 pode cobrir algumas funções do 74HC573.No entanto, como o 74HC245 não possui um recurso de trava, ele não pode manter dados estáveis por conta própria sem componentes extras.Isso significa que a substituição do 74HC573 pelo 74HC245 pode afetar a capacidade do circuito de reter consistentemente dados.Por outro lado, se o foco estiver nas trocas de dados rápidas e na comunicação suave entre os ônibus, o 74HC245 pode ser uma escolha melhor, aumentando a capacidade de resposta do sistema.
O 74HC573 é uma trava transparente do tipo d de 8 bits com saídas de 3 estados, com as entradas Latch Habilable (LE) e saída de saída (OE).Quando o LE é alto, os dados nas entradas entram nas travas.Ele desempenha um papel importante nos cenários que necessitam de armazenamento e estadiamento intermediário de dados, garantindo a atividade de barramento de dados regulamentada e eficiente.Esse componente é comumente empregado em sistemas de microcontroladores para tampe dados e barramentos de endereços.
O 74HC573 é uma trava transparente do tipo d octal, ativada por uma alta saída LE.O 74HC574, por outro lado, é um flip-flop do tipo d octal, ativado pela borda positiva de sua saída LE.O 74HC573 permite a passagem de dados em tempo real, enquanto o LE é alto, facilitando o fluxo de informações conforme necessário.O 74HC574 captura e mantém dados na transição LE, garantindo o ciclo pós-recompensa de retenção de dados estáveis.Esse recurso é benéfico em aplicativos de transferência de dados sincronizados.
A faixa de tensão da fonte de alimentação típica para o 74HC573 seca de 2,0V a 6,0V.Essa variabilidade oferece flexibilidade substancial, permitindo que o 74HC573 seja integrado a diversos sistemas com o mínimo de necessidade de ajustes na fonte de alimentação.Essa adaptabilidade é vantajosa na otimização de eficiência de energia em vários projetos de circuitos, tornando-a uma escolha preferida para aplicações sensíveis à energia.
O 74HC573 serve como uma trava transparente octal com saídas de 3 estados, capazes de armazenar e produzir oito bits de dados em circuitos eletrônicos digitais.Sua função como titular de dados intermediária é excelente no gerenciamento do fluxo de dados entre diferentes componentes.Essa funcionalidade é amplamente utilizada em aplicativos que exigem controle preciso sobre a disponibilidade de dados e gerenciamento de atraso.As travas ajudam a garantir a precisão dos dados e a estabilidade do sistema.
Por favor, envie uma consulta, responderemos imediatamente.
em 24/09/2024
em 24/09/2024
em 18/04/8000 147769
em 18/04/2000 111996
em 18/04/1600 111351
em 18/04/0400 83765
em 01/01/1970 79555
em 01/01/1970 66956
em 01/01/1970 63098
em 01/01/1970 63029
em 01/01/1970 54095
em 01/01/1970 52177