
WS2813 é um tipo de LED que combina o circuito de controle e o chip RGB em um pequeno componente.Esse LED é comumente usado em projetos de iluminação porque oferece um grande controle sobre as cores e o brilho.O WS2813 contém tecnologia que permite transmitir sinais de maneira eficaz sem distorção, garantindo que a luz permaneça consistente.Ele também possui um sistema de redefinição embutido, o que garante que ele funcione sem problemas, mesmo após uma interrupção de energia.Cada pixel no WS2813 pode exibir uma ampla gama de cores e suporta uma taxa de atualização que mantém as luzes brilhantes e fluidas.É altamente adequado para projetos que requerem iluminação brilhante e colorida e desempenho confiável.

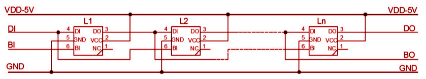
| NÃO. | Símbolo | ALFINETE | Descrição da função |
| 1 | NC | PENDURADO | Suspenso no layout da PCB, o circuito ficará fora de operação quando se conectar a outros circuitos |
| 2 | Vdd | Tensão de potência | Tensão de potência, conecte -se a "+5V" |
| 3 | FAZER | Dados out | Controle Saída de sinal de dados |
| 4 | Din | Dados em | Controle de entrada de sinal |
| 5 | Gnd | CHÃO | Dados e aterramento de energia |
| 6 | BIN | Dados de backup em | Entrada de sinal de dados de controle de backup |


Especificações técnicas, recursos, parâmetros e partes comparáveis relacionadas ao WorldSemi WS2813C.
| Tipo | Parâmetro |
| Tipo de montagem | Montagem na superfície |
| Pacote / caso | SMD, 5x5mm |
| Embalagem | Tape & Reel (TR) |
| Cor de iluminação | Rgb |
| Rank Dominante Wavelngth / Coordenine | 620625nm Red, 515525nm Green, 465 ~ 475nm Blue |
| Intensidade luminosa (se = 20mA) | 60MCD@5MA RED, 245MCD@5MA GREEN, 60MCD@5MA Blue |
| Status do ROHS | ROHS compatível |
O circuito de controle e o LED no WS2813 compartilham a mesma fonte de alimentação.Isso significa que você não precisa de fontes de energia separadas para os diferentes componentes.Ele simplifica sua configuração, reduzindo a quantidade de fiação e gerenciamento de energia necessário.
O circuito de controle e o chip RGB são combinados em um único componente.Essa integração permite uma operação mais suave dos LEDs, fornecendo melhor controle de cores e iluminação mais consistente sem a necessidade de componentes separados.
O WS2813 vem com um circuito de remodelação de sinal embutido.Isso garante que, à medida que os dados passarem por cada LED, o sinal permaneça forte e claro, sem qualquer distorção.Portanto, não importa quantos LEDs você use em uma linha, o sinal permanece preciso, fazendo com que sua iluminação pareça consistente.
O WS2813 possui circuitos de redefinição internos.A redefinição de energia garante que os LEDs iniciem corretamente após você ligá-los, enquanto a redefinição marrom-out os ajuda a se recuperar suavemente em caso de qualquer breve queda de energia.Isso mantém sua iluminação estável, mesmo durante as flutuações de energia.
Cada pixel no WS2813 pode exibir até 16.777.216 cores diferentes.Isso é possível porque cada pixel possui 256 níveis de cinza, permitindo controle de cores extremamente preciso.Esse recurso permite criar exibições de iluminação vibrante e dinâmica com uma ampla gama de cores.
Você só precisa de uma linha de sinal de dados para conectar vários LEDs WS2813 em uma série.Isso significa menos fiação e uma configuração mais direta, especialmente em grandes projetos.Os dados viajam por cada LED em uma corrente, permitindo controlar todos os LEDs usando uma única linha.
O WS2813 usa dois fios de sinal, que permitem continuar transmitindo, mesmo que um fio de sinal esteja quebrado.Isso significa que, mesmo que um pixel falhe, o restante dos seus LEDs continuará trabalhando.Esse recurso torna seu projeto mais confiável, pois um único ponto de falha não reduzirá todo o sistema.
Você pode colocar seus LEDs WS2813 a mais de 3 metros de distância, sem precisar de circuitos extras para aumentar o sinal.Isso é ótimo para projetos em larga escala, onde as luzes podem precisar estar distantes, pois você não precisa adicionar componentes extras para manter o sinal forte.
O WS2813 suporta uma taxa de atualização de 2 kHz por segundo.Essa alta taxa de atualização garante que sua iluminação mude de maneira suave e rápida, sem qualquer piscar notável, tornando -o ideal para projetos que requerem efeitos de iluminação rápida ou dinâmica.
A velocidade de transmissão de dados para WS2813 é de até 800 kbps.Essa transmissão rápida permite atualizações rápidas em sua configuração de iluminação, permitindo que você faça alterações em tempo real nas cores e padrões sem atrasos.
O WS2813 foi projetado para fornecer consistência de cor confiável em todos os LEDs.Isso garante que todas as luzes exibam as mesmas cores ao mesmo tempo, fornecendo um resultado uniforme e visualmente agradável em seu projeto.
O WS2813 é frequentemente usado na iluminação do tubo de corrimão.Esse tipo de aplicação é comum na iluminação externa, especialmente ao longo de caminhos ou recursos arquitetônicos, onde é necessária uma iluminação consistente e vibrante.A durabilidade e a facilidade de configuração tornam uma escolha adequada para esses ambientes.
O WS2813 é ideal para exibições de luz pontuais, onde cada LED serve como um ponto de luz individual em uma tela maior.Isso pode ser usado para iluminação decorativa, sinalização ou instalações criativas, onde é importante o controle e o brilho de cores precisos.
O WS2813 funciona bem nas tiras de LED flexíveis e rígidas.Essas tiras podem ser usadas em várias aplicações, desde a iluminação sub-cabine em residências a instalações em larga escala em espaços comerciais.A flexibilidade das tiras, combinada com a confiabilidade do WS2813, oferece muitas opções de design.
O WS2813 também é comumente usado nos módulos LED, que são unidades independentes que incluem o LED e o circuito necessário.Esses módulos são úteis em aplicações em que o espaço é limitado, mas a iluminação confiável ainda é necessária, como em instalações menores ou luminárias personalizadas.
O WS2813 pode ser incorporado às fantasias de iluminação de estágio, adicionando efeitos de iluminação dinâmica às roupas de desempenho.A tela colorida e a alta taxa de atualização o tornam uma excelente opção para figurinos que precisam alterar as cores e os padrões rapidamente durante um desempenho.
O WS2813 pode ser usado em vários gadgets inovadores ou produtos eletrônicos que requerem iluminação brilhante e colorida.Esteja você projetando um gadget exclusivo ou adicionando iluminação a um produto existente, o WS2813 oferece controle sobre a cor e o brilho em um pacote compacto e fácil de usar.
Quando você está trabalhando com o WS2813, você só precisa de uma fonte de alimentação que suporta o circuito de controle e o LED.O WS2813 foi projetado para simplificar a fiação combinando o chip RGB e o circuito de controle em um.O circuito interno reformula o sinal, garantindo que não haja perda na qualidade do sinal, pois passa por cada pixel.Isso é importante para manter seu sistema de iluminação funcionando corretamente sem piscar ou falhar.A fiação é ainda mais simplificada porque o WS2813 possui circuitos de redefinição internos que garantem que as luzes voltem on-line corretamente após uma redefinição ou uma queda de energia.

Para usar o WS2813, a transferência de dados é tratada através de um único método de comunicação conhecido como NZR.Quando você liga o pixel pela primeira vez, a porta DIN (entrada de dados) receberá informações do seu controlador.O primeiro pixel da cadeia capturará os 24 bits de dados iniciais e o armazenará internamente.Em seguida, enviará o sinal remodelado para o próximo pixel, e esse processo continuará até que cada pixel tenha seus dados.
Uma ótima característica do WS2813 é sua capacidade de sinais de renda automática.Isso significa que, não importa quantos LEDs você se encaixe, o sinal permanecerá forte à medida que passa de um pixel para o outro.Se ocorrer algum dano a um dos pixels, a entrada de backup (bin) assume automaticamente o controle, garantindo que o sinal continue sem interrupção.Essa configuração mantém seu projeto de iluminação funcionando, mesmo que um pixel falhe.

A maior diferença entre WS2813 e WS2812b está na maneira como eles lidam com interrupções de sinal.Com o WS2812b, se um liderou a cadeia parar de funcionar, o restante dos LEDs não funcionará porque o circuito está quebrado.No entanto, o WS2813 resolve esse problema com seu sistema de sinal duplo.Isso significa que, se um LED falhar, os outros continuarão trabalhando enquanto a falha não estiver em dois LEDs vizinhos.Isso faz do WS2813 uma opção mais confiável ao trabalhar em projetos que exigem cadeias mais longas de LEDs.
Você não precisa se preocupar com todo o seu projeto desligando apenas porque um LED falha no WS2813.O sistema foi projetado para ignorar o pixel quebrado, que mantém tudo funcionando sem problemas.Essa melhoria em relação ao WS2812b faz do WS2813 uma escolha preferida para as pessoas que procuram configurações de iluminação mais confiáveis.

O WS2813 é fabricado por uma empresa chamada WorldSemi.Desde o início de 2007, o WorldSemi ficou conhecido por sua experiência em tecnologia LED.Eles desenvolveram uma variedade de produtos além dos LEDs, incluindo controladores de LED e outros componentes relacionados.Seu foco em soluções confiáveis e inovadoras de iluminação os tornou um jogador forte no mercado.Esteja você procurando criar um pequeno projeto de iluminação ou algo maior, os produtos da WorldSemi como o WS2813 são construídos para ajudá -lo a alcançar os resultados que você procura com facilidade e confiança.
Você pode controlar as tiras de LED WS2813 usando a biblioteca em calçada com Arduino.Selecione o tipo "WS2812" na biblioteca e especifique o pino de dados para a tira.Conecte o pino DIN (entrada de dados) da faixa de LED ao pino Arduino 6 e, para obter proteção adicional, coloque um resistor opcional de 470 ohm entre eles.
O WS2813 possui um tempo de redefinição de 250μs, o que permite operar com mais eficiência em frequências mais baixas e em microcontroladores mais baratos em comparação com o WS2812b.
Os LEDs WS2813 são comumente usados em aplicações como tubos de corrimão, telas de pixels, tiras flexíveis e rígidas, sistemas de iluminação modular, iluminação de estágio e aparelhos eletrônicos inovadores.
Por favor, envie uma consulta, responderemos imediatamente.
em 18/10/2024
em 18/10/2024
em 18/04/8000 147757
em 18/04/2000 111934
em 18/04/1600 111349
em 18/04/0400 83719
em 01/01/1970 79508
em 01/01/1970 66895
em 01/01/1970 63010
em 01/01/1970 63000
em 01/01/1970 54081
em 01/01/1970 52116