
A função de cada inversor no 74LS04 é reverter o estado lógico do sinal de entrada, deslocando -o de alto para baixo ou baixo para alto.Esta operação desempenha um papel dinâmico no design de circuitos eletrônicos, influenciando os aplicativos analógicos e digitais, permitindo a manipulação versátil de sinal e o processamento eficiente de dados.
Em sistemas eletrônicos, principalmente dentro dos circuitos digitais, os inversores 74LS04 reforçam operações lógicas.Esses inversores são utilizados para construir não portões, facilitando a implementação de funções lógicas complexas.Além disso, eles podem ser configurados para formar portões lógicos avançados como Nand e, assim, expandir as capacidades computacionais.Nos sistemas analógicos, o 74LS04 contribui significativamente para sinalizar a integridade e a modelagem de ruído.Ao inverter sinais, esses componentes ajudam na sincronização e ritmo nos circuitos de comunicação.Essa interação reduz as discrepâncias do tempo e aprimora a clareza do sinal, elevando o desempenho geral.




|
Recurso |
Especificação |
|
Faixa de suprimentos de tensão |
+4,75V a +5,25V |
|
Tensão máxima fornecida |
+7V |
|
Corrente de saída máxima por portão |
8Ma |
|
Saídas TTL |
Sem chumbo |
|
Tempo máximo de aumento |
15ns |
|
Tempo máximo de queda |
15ns |
|
Faixa de temperatura operacional |
0 ° C a 70 ° C. |

|
Parâmetro |
SN54S04 |
SN74S04 |
Unidade |
||||
|
Min nom |
Máx |
Min nom |
Máx |
||||
|
Tensão de alimentação do VCC |
4.5 |
5 |
5.5 |
4.75 |
5 |
5.25 |
V |
|
VIH Entrada de alto nível
tensão |
2 |
2 |
V |
||||
|
VIL Entrada de baixo nível
tensão |
0,8 |
0,8 |
V |
||||
|
IOH de alto nível
Corrente de saída |
-1 |
-1 |
MA |
||||
|
Saída de baixo nível da IOL
atual |
20 |
20 |
MA |
||||
|
TA operando
temperatura |
-55 |
125 |
0 |
70 |
° c |
||
|
Número da peça |
Descrição |
Fabricante |
|
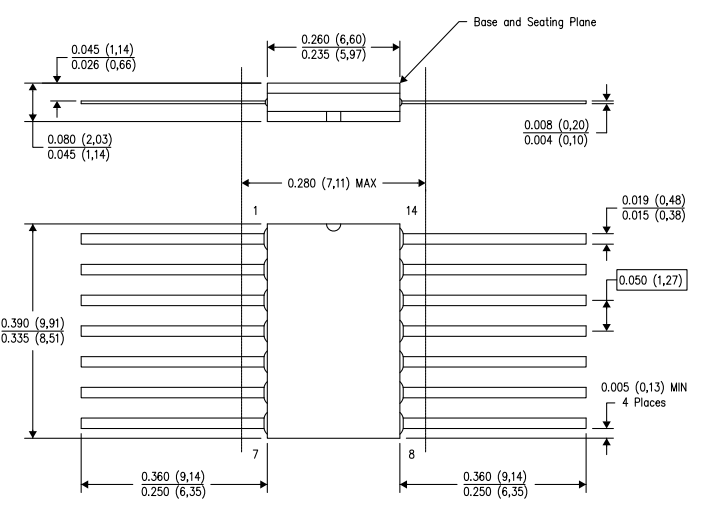
GD54LS04Logic |
Inversor, série LS, 6-func, 1 entrada, ttl, pdip14 |
Goldstar Electron Co Ltd |
|
SN74LS04nLogic |
Inversor, série LS, 6-func, 1 entrada, ttl, pdip14, 646-06 |
Motorola Semiconductor Products |
|
SN74LS04N-00Logic |
Série LS, portão invertido de 1 entrada hexadecimal, PDIP14, pacote-14 |
Rochester Electronics LLC |
|
SN74LS04JLOGIC |
Inversores hexáticos de 14-CDIP 0 a 70 |
Texas Instruments |
|
M38510/30003Scalogic |
Inversor, série LS, 6-func, 1 entrada, ttl, cdip14,
Cerâmica, dip-14 |
Signetics |
|
74LS04alogic |
Série IC LS, portão invertido de 1 entrada hexadecimal, pdip14, portão |
Semicondutores NXP |
|
GD74LS04Logic |
Inversor, ttl, pdip14 |
LG SEMICON CO LTD |
|
GD74LS04JLOGIC |
Inversor, série LS, 6-func, 1 entradas, ttl, cdip14 |
Goldstar Electron Co Ltd |
|
HD74LS04PLOGIC |
Inversor, série LS, 6-func, 1 entrada, ttl, pdip14, dp-14 |
Hitachi Ltd. |
|
M38510/30003BCALOGIC |
Inversor, série LS, 6-func, 1 entrada, ttl, cdip14,
Cerâmica, dip-14 |
Motorola Semiconductor Products |
Aqui estão as informações apresentadas em um formato de tabela para o semicondutor Raytheon 74LS04N.
|
Tipo |
Parâmetro |
|
Código JESD-609 |
E0 |
|
Acabamento terminal |
Estanho/chumbo (sn/pb) |
|
Temperatura de refluxo de pico (° C) |
Não especificado |
|
Time @ Peak Refllow Temperature (Max) |
Não especificado |
|
Status do ROHS |
Compatível não-RHS |
O 74LS04, um inversor sexual, encontra várias aplicações em circuitos lógicos, fornecendo inversão de sinal.É usado para criar funções lógicas complexas, aumentando o fluxo de operações nos circuitos digitais.Você pode confiar nesse componente para gerenciar os níveis de sinal, garantindo tempo e sequenciamento precisos, que são úteis em aplicações práticas.
No design do servidor, o 74LS04 é empregado para condicionamento e modificação do sinal, manipulando sinais digitais para garantir processamento de dados suave e latência reduzida.Esse componente é valioso para os circuitos de gerenciamento de energia nos servidores, especialmente em data centers de alto tráfego, onde a confiabilidade e a eficiência são priorizadas.
Nos instrumentos digitais, o 74LS04 é valioso para estabilizar entradas e saídas de sinal, contribuindo para medições precisas e confiáveis.Ele desempenha um papel substancial em dispositivos que requerem alta precisão, como osciloscópios e multímetros, apoiando seu desempenho consistente em situações reais.
Nos sistemas de rede, o 74LS04 contribui para aprimoramento do sinal e redução de ruído.Ele é integrado aos protocolos de transmissão de dados para manter a integridade e a eficiência dos dados, principalmente beneficiando ambientes em que maximizar a taxa de transferência e minimizar os erros é uma grande preocupação.

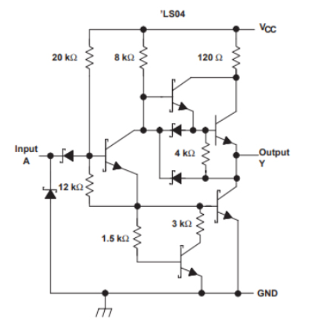
O 74LS04 contém seis portões separados, cada um executando a função invertida lógica.Os sinais de saída são diretamente opostos aos seus respectivos sinais de entrada.O inversor reverte a fase do sinal de entrada em 180 graus.Este circuito encontra sua aplicação em vários sistemas analógicos, incluindo amplificadores de áudio e osciladores de relógio.Os inversores são amplamente utilizados no design do circuito eletrônico, moldando a funcionalidade com precisão e adaptabilidade.
Por favor, envie uma consulta, responderemos imediatamente.
em 24/10/2024
em 24/10/2024
em 18/04/8000 147776
em 18/04/2000 112018
em 18/04/1600 111351
em 18/04/0400 83775
em 01/01/1970 79571
em 01/01/1970 66962
em 01/01/1970 63103
em 01/01/1970 63041
em 01/01/1970 54097
em 01/01/1970 52186