

|
Nome do pino |
PIN No. |
Tipo |
Descrição |
|
Vdd |
16 |
Poder |
Tensão de fornecimento (+3 a +15V) |
|
Gnd |
8 |
Poder |
Terra (0V) |
|
D0-D7 |
1, 4, 5, 6, 7, 13, 14, 15 |
Entrada |
Pinos de entrada de dados paralelos |
|
Q5, Q6, Q7 |
2, 3, 12 |
Saída |
Saídas tamponadas dos últimos três bits |
|
Pe |
9 |
Entrada |
Paralelo Ativar |
|
Cp |
10 |
Entrada |
Pino do relógio para sincronizar a entrada |
|
Ds |
11 |
Entrada |
Pino de entrada serial |
Para embarcar na utilização do 4014 IC, comece conectando cuidadosamente o VDD ao terminal positivo da sua fonte de energia e GND ao terminal negativo.Este IC opera dentro de uma faixa de potência de 3V a 15V, no entanto, modelos específicos podem se estender até 20V.É aconselhável examinar a folha de dados para obter detalhes elétricos precisos, adaptando a compatibilidade da sua configuração exclusiva.A faixa de tensão escolhida influencia diretamente a integridade operacional e a funcionalidade constante do dispositivo.
Inicie o carregamento de dados paralelos alternando o pino de ativação paralela (PE) em um estado alto.Conecte as entradas de dados escolhidas nos pinos de dados paralelos marcados D0 a D7.Um sinal de borda crescente aplicado ao pino CLK captura os dados pretendidos no registro.Essa fase preparatória reflete uma equipe em uma prática bem coordenada, onde papéis e sincronização são de extrema importância.
Comece a mudança de dados, alternando o pino PE para um estado baixo.Cada aumento do pulso CLK muda de dados incrementalmente.Nesse modo, o pino DS serve para entrada de dados serial, facilitando o processamento flexível de dados.Essa função se torna notavelmente benéfica quando a transição de dados de fluido é necessária, garantindo organização e categorização eficientes dos sinais digitais.

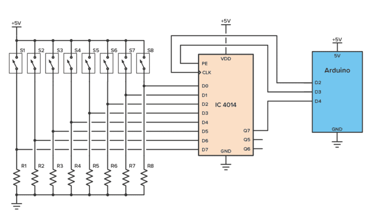
O CD4014 O Shift Register é uma ferramenta prática para ler os estados de até oito comutadores usando apenas três pinos de microcontrolador, como em um Arduino.Isso o torna ideal para projetos em que a disponibilidade de pinos é limitada, pois expande eficientemente a capacidade de entrada sem a necessidade de hardware extra.O circuito funciona capturando os estados de todos os interruptores conectados e enviando esses dados para o microcontrolador um bit por vez.O CD4014 usa conversão paralela para série, permitindo monitorar vários comutadores, mantendo a fiação simples e compacta.
Para configurá -lo, conecte o pino D3 do Arduino ao pino de ativação paralelo do CD4014 (PE), D2 ao pino do relógio (CLK) e D4 ao pino de saída de dados (Q).D3 ativa a trava para capturar estados do comutador, o D2 envia pulsos de relógio para mudar os estados para a saída e o D4 lê os dados sequencialmente.Cada pulso de relógio muda o próximo estado do interruptor para o pino de saída, permitindo que o Arduino leia todos os oito comutadores, um de cada vez.Essa abordagem é eficiente e economiza espaço e recursos.Ao usar o CD4014, você pode gerenciar várias entradas com uso mínimo de E/S, simplificar seu design e reduzir a complexidade da fiação.É uma solução compacta e confiável para projetos que exigem monitoramento preciso dos estados do comutador.
• NTE4014
• MC14014
• HCF4014
• HEF4014
• CD4014BE
• 74HC165
• 74HC166
• 74HC198
Titulares de bateria cilíndrica.pdf
Por favor, envie uma consulta, responderemos imediatamente.
em 09/12/2024
em 08/12/2024
em 18/04/8000 147764
em 18/04/2000 111984
em 18/04/1600 111351
em 18/04/0400 83748
em 01/01/1970 79538
em 01/01/1970 66949
em 01/01/1970 63087
em 01/01/1970 63028
em 01/01/1970 54092
em 01/01/1970 52171