



O LM833DT é um amplificador operacional duplo, ajustado para aplicativos de áudio.Destaca -se com seu ruído de baixa tensão de 4,5 nV/√Hz, um recurso atraente para aqueles apaixonados pela maior clareza.Isso, combinado com uma resposta de alta frequência, um produto de largura de ganho de 15 MHz e uma taxa de 7 V/µs, torna capaz de fornecer experiências precisas de áudio.
O baixo nível de ruído do amplificador de 4,5 nV/√Hz minimiza a interferência, garantindo a reprodução de som limpo.Com um produto de largura de ganho de 15 MHz, ele mantém sua eficiência em frequências variadas, atraindo aqueles que exigem desempenho preciso.Com uma taxa de 7 V/µs, o LM833DT responde rapidamente às alterações do sinal de entrada, preservando a fidelidade de áudio durante transições de sinal rápido.Essa capacidade de resposta é apreciada em sistemas de alta fidelidade, onde a originalidade do som é estimada.
Com uma taxa de distorção impressionantemente baixa de 0,002%, esse amplificador operacional garante que os sinais de áudio sejam amplificados sem alteração, mantendo a autenticidade do som.Essa precisão é desejada tanto em eletrônicos de consumo quanto em equipamentos profissionais, onde a precisão é uma prioridade.Sua fase robusta e estabilidade de ganho aumentam a confiabilidade entre os aplicativos.Essa estabilidade se torna evidente ao integrar o LM833DT em configurações complexas de áudio, fornecendo desempenho consistente, independentemente das condições.Garantir que esses parâmetros sejam atendidos significativamente a eficácia dos sistemas de áudio.
|
Recurso |
Descrição |
|
Ruído de baixa tensão |
4,5 nV/√Hz |
|
Produto de largura de banda de alto ganho |
15 MHz |
|
Taxa alta |
7 V/µs |
|
Baixa distorção |
0,00% |
|
Excelente estabilidade de frequência |
Sim |
|
Proteção de ESD |
2 kv |
O LM833DT é adequado para sistemas de áudio, destacando-se em pré-amplificação e filtragem, que juntos enriquecem a clareza e fidelidade do processamento de sinal de áudio.Ao amplificar sinais de áudio fracos para níveis úteis, a pré-amplificação mantém uma relação sinal / ruído favorável.Este componente é favorecido em equipamentos de áudio de alta fidelidade, onde as salvaguardas de precisão somam a autenticidade do som.O resultado é uma experiência auditiva mais rica e exata que fala da influência do componente na qualidade do som.A filtragem transmite seletivamente frequências específicas, eliminando efetivamente o ruído indesejado e aprimorando a saída de áudio.O LM833DT se destaca nesta área, permitindo que você crie sistemas centrados na pureza do som.Este aplicativo oferece experiências imersivas nos cinemas e nas configurações de áudio.
Construído em um design sofisticado, o LM833DT promove o processamento de som suave e sem distorção.Suas contribuições são ativas em ambientes que exigem precisão de som, como estúdios de gravação e locais de desempenho ao vivo, onde a essência do som permanece inflexível.
|
Tipo |
Parâmetro |
|
Status do ciclo de vida |
Ativo (último atualizado: 6 meses atrás) |
|
Time de entrega da fábrica |
10 semanas |
|
Placar de contato |
Estanho |
|
Montar |
Montagem na superfície |
|
Tipo de montagem |
Montagem na superfície |
|
Pacote / caso
|
8-SOIC (0,154, 3,90 mm de largura) |
|
Número de pinos |
8 |
|
Temperatura operacional |
-40 ° C ~ 105 ° C. |
|
Embalagem |
Tape & Reel (TR) |
|
Código JESD-609 |
E4 |
|
Status da peça |
Ativo |
|
Nível de sensibilidade à umidade (MSL) |
1 (ilimitado) |
|
Número de terminações |
8 |
|
Código ECCN |
Ear99 |
|
Acabamento terminal |
Níquel/paládio/ouro (ni/pd/au) |
|
Dissipação máxima de energia |
500mW |
|
Forma terminal |
Asa de gaivota |
|
Temperatura de refluxo de pico (° C) |
260 |
|
Número de funções |
2 |
|
Temperatura do tempo de pico de pico |
30 segundos |
|
Número da peça base |
LM833 |
|
Contagem de pinos |
8 |
|
Tensão de fornecimento operacional |
28V |
|
Número de canais |
2 |
|
Corrente de fornecimento operacional |
4mA |
|
Corrente de fornecimento nominal |
8Ma |
|
Dissipação de energia |
500mW |
|
Corrente máxima de suprimentos |
8Ma |
|
Taxa de giro |
7V/μs |
|
Tipo de amplificador |
Áudio |
|
Taxa de rejeição de modo comum |
80 dB |
|
Atual - viés de entrada |
300na |
|
Tensão - suprimento, único/duplo (±) |
5V ~ 30V ± 2,5V ~ 15V |
|
Tipo de suprimento |
Dual |
|
Tensão de deslocamento de entrada (VOS) |
5mv |
|
Ganho de tensão |
100dB |
|
Tensão - deslocamento de entrada |
300μV |
|
Tensão de fornecimento duplo |
12V |
|
Altura |
1,65 mm |
|
Comprimento |
5mm |
|
Largura |
4mm |
|
Alcance SVHC |
Sem svhc |
|
Endurecimento da radiação |
Não |
|
Status do ROHS |
ROHS3 compatível |
|
Chumbo livre |
Chumbo livre |



A Stmicroelectronics é um pioneiro em soluções de semicondutores, conhecido por suas realizações nas tecnologias System-on-Chip (SOC).Com rica experiência em design e fabricação de silício, a empresa assegura um lugar proeminente na inovação de microeletrônicos.
A profunda compreensão da Stmicroelectronics das tecnologias de silício alimenta sua jornada.Essa profunda experiência capacita o desenvolvimento de soluções avançadas de semicondutores, atendendo ao cenário da indústria em constante mudança.Através de investimentos em andamento em P&D, a empresa promove novos avanços tecnológicos.Os extensos recursos de fabricação da empresa atendem a diversas aplicações de produtos, oferecendo precisão e confiabilidade.Essa proficiência atende às demandas estritas de qualidade, principalmente nos setores de eletrônicos automotivos e industriais.
As colaborações com empresas de tecnologia e instituições de pesquisa líder são tecidas no tecido estratégico da Stmicroelectronics.Essas alianças aproveitam os recursos e insights coletivos, criando soluções para intrincados desafios tecnológicos.A stmicroeletrônica contribui significativamente para a progressão das tecnologias de microeletrônica e convergência.Ao incorporar os recursos de IoT e IA nos SoCs, a empresa amplifica a conectividade e as funcionalidades do dispositivo inteligente.Essa estratégia molda ativamente a evolução das tecnologias inteligentes e suas aplicações.
O LM833 se destaca em aplicações de áudio, graças ao seu ruído de baixa tensão de 4.5NV/√Hz, ideal para o som de alta fidelidade.Possui um produto de largura de ganho de 15MHz e uma taxa de 7V/µs, garantindo o desempenho em condições desafiadoras.Com um nível de distorção de 0,002%, ele fornece uma saída de áudio clara, aprimorando a experiência auditiva em equipamentos por meio de reprodução intocada.
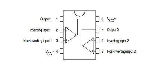
O LM833 possui um design de 8 pinos, tornando-o adaptável para vários usos, como pré-amplificação e amplificação por microfone.A compreensão do layout do PIN é usada para integrar em sistemas de áudio sofisticados, permitindo conectividade direta, preservando a qualidade do sinal de áudio.A escolha dos componentes para corresponder a esse layout pode afetar significativamente a eficiência do sistema e a excelência sólida.
As variantes da TI compartilham muitos recursos com o LM833, apelando para os audiófilos com suas qualidades auditivas.Ambos os modelos priorizam a estabilidade e a clareza da imagem, garantindo alta qualidade de sinal.A seleção geralmente depende das necessidades específicas do projeto, onde diferenças sutis podem afetar os resultados.Em configurações complexas, esses amplificadores oferecem desempenho robusto, intercambiáveis com um compromisso mínimo.
O OPA2134 compete fortemente, mas o On Semi LM833 se destaca em redução de ruído e imagem estéreo, favorecida em ambientes como estúdios de gravação ou sistemas de áudio domésticos de luxo.Você prefere o LM833 por sua reprodução de som superior, permitindo uma rica experiência auditiva.As distinções sutis emergem onde todos os detalhes influenciam a qualidade final do áudio.
Por favor, envie uma consulta, responderemos imediatamente.
em 24/10/2024
em 24/10/2024
em 18/04/8000 147766
em 18/04/2000 111994
em 18/04/1600 111351
em 18/04/0400 83756
em 01/01/1970 79550
em 01/01/1970 66952
em 01/01/1970 63094
em 01/01/1970 63028
em 01/01/1970 54094
em 01/01/1970 52176