
O NCP3066 é um dispositivo monolítico sofisticado criado para fornecer uma corrente uniforme para os LEDs de alto brilho.Possui uma tensão de feedback notavelmente baixa de 235 mV, facilitando o gerenciamento preciso das correntes LED típicas.Capaz de gerenciar tensões de entrada de até 40 V, ele se adapta perfeitamente aos sistemas que operam entre 12 V a 36 V, frequentemente encontrados em iluminação e domínios de energia recarregáveis.Essa versatilidade enfatiza sua adaptabilidade em múltiplas configurações, como BUCK, Boost ou Inverter Topologies, exigindo apenas um número mínimo de componentes externos.Essas opções oferecem adaptabilidade de design e incorporação eficiente em uma ampla gama de cenários, permitindo que você solte sua criatividade e atenda às diversas necessidades de aplicativos com facilidade.
Aprimorada com os recursos de escurecimento do PWM e um recurso de desligamento de baixa potência, o NCP3066 é principalmente adepto de soluções de iluminação automotiva, marinha e portátil.Essas aplicações prosperam em sua competência para fornecer até 1,5 amperes de corrente constante, tornando o NCP3066 uma seleção favorecida na busca de confiabilidade e eficiência.Por exemplo, em sistemas de iluminação automotiva em que a durabilidade se entrelaça com a conservação de energia, a construção robusta do regulador oferece benefícios significativos, tranquilizando seu desempenho duradouro.

|
Número do pino |
Nome do pino |
Descrição |
|
Pino 1 |
Switch Collector |
Pino interno do coletor de Darnington Switch. |
|
Pino 2 |
Mudar o emissor |
Pino interno do emissor Darnington Switch. |
|
Pino 3 |
Capacitor de tempo |
Capacitor de tempo para o pino do oscilador. |
|
Pino 4 |
Gnd |
Pino moído para todos os circuitos internos. |
|
Pino 5 |
Pino inversor do comparador |
Pino de entrada invertida de um comparador. |
|
Pino 6 |
VCC |
Tensão de entrada para o regulador. |
|
Pino 7 |
Sense IPK |
Pino de detecção para corrente de pico. |
|
Pino 8 |
ON/OFF |
Pino de controle on/off. |
|
Recurso/especificação |
Detalhes |
|
Tipo |
IC do regulador atual constante monolítico |
|
Tensão de entrada (VIN) |
3V - 40V |
|
Interruptor integrado |
1,5 amperes |
|
Baixa tensão de feedback |
235mv |
|
Alta frequência operacional |
Até 150 kHz |
|
Capacidade de desligamento |
Desligamento de nível lógico |
|
Opções de escurecimento |
Analógico e pwm adquirível |
|
Tipos de embalagem |
DiP de Soic, DFN e 8 pinos |
|
Capacidade de escurecimento do PWM |
Analógico e digital |
|
ROHS Conformidade |
Sem PB |
|
Desligamento térmico |
Desligamento térmico interno com histerese |
|
Compensação do loop de controle |
Não é necessário |
|
Operação de frequência ajustável |
Até 250 kHz |
|
Limitação atual |
Ciclo por ciclo |
• LM5008
• XL6009
• LM3407
• A6211
• NCP3065
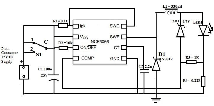
Os compartimentos de armazenamento de scooters geralmente apresentam o inconveniente da iluminação inadequada, complicando seu uso durante o horário noturno, quando a visibilidade é uma preocupação.Uma solução cuidadosamente implementada envolve a utilização do regulador NCP3066 para automatizar a ativação de uma luz quando o compartimento de armazenamento é aberto.Essa aplicação de iluminação automática aumenta consideravelmente sua conveniência e confiança nos passeios noturnos.
O arranjo do circuito inclui vários componentes básicos:
• Regulador NCP3066
• Diodo Schottky
• Diodo Zener
• LED branco
• Resistores
• Capacitores
• Indutor
• Switch de limite
• Fonte de energia DC
Trabalhando juntos harmoniosamente, esses componentes contribuem para a eficácia e a confiabilidade do sistema.A chave limitada, por exemplo, oferece uma solução elegante, governando o comportamento da luz baseado apenas no estado aberto ou fechado do compartimento, adicionando uma camada de controle intuitivo.

Dentro de uma topologia de buck, o regulador NCP3066 opera como um driver atual constante.Essa configuração não apenas regula o uso de energia com precisão, mas também garante saída de luz consistente, ativa para manter uma visibilidade clara.A seleção deliberada de componentes, especialmente a capacidade do motorista de fornecer corrente constante, destaca uma abordagem metódica que maximiza a eficiência energética, mantendo altos padrões de iluminação.Além disso, a inclusão de um diodo Zener exemplifica uma previsão de engenharia priorizando a proteção de falhas, aproveitando a extensa experiência em projetos que exigem durabilidade e adaptabilidade contra condições flutuantes.
O NCP3066 mostra um talento notável na regulação da corrente, capaz de funcionar em frequências de até 250 kHz e oferecendo a conveniência das opções de desligamento.Sua regulamentação atual cuidadosamente equilibrada e estrutura simplificada aumentam os resultados operacionais.Além disso, os elementos de proteção integrados aumentam significativamente a segurança, garantir que o uso de energia permaneça abaixo de 100 µA, um aspecto que ajuda a diminuir os riscos operacionais.
A combinação da operação efetiva do NCP3066, tamanho compacto e construção econômica atende às necessidades em evolução dos eletrônicos modernos.A inclusão de resistores pequenos e baratos dos sentidos desempenha um papel fundamental, permitindo que o chip se adapte a diversos requisitos de circuito.Você pode empregar com habilidade essas propriedades em cenários reais para ajustar o tamanho e o orçamento do circuito, mantendo um desempenho robusto.
Em ambientes práticos, o significado dessas características se torna inconfundível.Você pode enfrentar frequentemente com limitações relacionadas ao espaço e manuseio térmico.A eficiência do NCP3066, juntamente com uma pegada mínima de dispositivo, oferece uma vantagem distinta.Além disso, seu baixo consumo de energia durante fases inativas é principalmente valioso para dispositivos operados por bateria, estendendo sua vida e confiabilidade de serviço.Da experiência prática, a sinergia de seus recursos de design e proteção de design permite uma integração suave em sistemas complexos.
O NCP3066 se destaca na manutenção de fluxos de corrente constante através dos LEDs, concentrando -se na estabilização da corrente em vez do controle de tensão.Esse recurso eleva sua adaptabilidade em várias aplicações.
• Iluminação automotiva: A iluminação consistente aumenta os padrões de segurança e o apelo estético.
• Iluminação e sinalização ao ar livre: a confiabilidade e a durabilidade para enfrentar os desafios ambientais são priorizados.
• Máquinas industriais: baseia -se em seu suprimento de corrente confiável, garantindo operação suave e minimizando o tempo de inatividade, aumentando a produtividade e cortando as despesas de manutenção.
• Eletrônica de consumo: capacita os aficionados de bricolage a criar soluções de iluminação personalizadas.Oferece gerenciamento de corrente constante.Suas diversas aplicações se estendem aos projetos de fonte de alimentação e sistemas de carregamento de baterias, garantindo vida e eficácia prolongadas.
• Iluminação de jardim e aquário: fornece uma produção constante, promovendo a vida de plantas e aquáticos controlando a intensidade da luz.
Os resistores são frequentemente escolhidos por sua simplicidade e custo-efetividade quando se trata de controlar a corrente nos circuitos de LED.No entanto, eles não têm inerentemente a precisão ajustada e o ajuste flexível oferecido por dispositivos como o NCP3066.Os resistores gerenciam bem em condições fixas, mas lutam para se ajustar perfeitamente às mudanças de tensão ou fatores ambientais.Esse déficit pode resultar em variações atuais notáveis, impactando o desempenho e a vida útil dos LEDs.
O NCP3066 oferece uma solução excepcional para regulamentação atual consistente.Sua capacidade de responder a mudanças na tensão garante um fluxo constante de corrente, o que ajuda a manter a eficiência do LED e a consistência luminosa ao longo do tempo.Essa característica é especialmente vantajosa em cenários em que o desempenho e a estabilidade consistentes são altamente desejados.Ao lidar com peças eletrônicas delicadas, a entrega precisa de corrente se torna grave para evitar falhas precoces ou operação irregular.
Em muitos casos, os resistores podem gerar calor substancial, levando a ineficiências no circuito.Essa produção de calor pode ser piorada por mudanças de tensão, inconsistências na fabricação e variações de temperatura.Esses elementos podem contribuir para o desempenho instável de LED e o brilho flutuante.Por outro lado, empregar os NCP3066 mitiga os desafios térmicos, oferecendo controle de corrente mais eficiente e preciso, aumentando assim a durabilidade e a confiabilidade das matrizes de LED.
Por favor, envie uma consulta, responderemos imediatamente.
em 11/12/2024
em 11/12/2024
em 18/04/8000 147754
em 18/04/2000 111931
em 18/04/1600 111349
em 18/04/0400 83718
em 01/01/1970 79505
em 01/01/1970 66873
em 01/01/1970 63010
em 01/01/1970 62960
em 01/01/1970 54080
em 01/01/1970 52101