
O L7812CV é um regulador de tensão positivo de três terminais projetado para fornecer energia estável em circuitos eletrônicos.Ajuda a garantir regulamentação suave de tensão diretamente na placa de circuito, abordando possíveis problemas de distribuição que podem ocorrer ao regular a energia de um único ponto.Esse componente apresenta mecanismos de proteção interna, como limitação de corrente e desligamento térmico, que contribuem para sua durabilidade e operação confiável sob várias condições.Ele pode fornecer mais de 1 amp de corrente de saída, desde que a dissipação de calor suficiente esteja em vigor.Embora o L7812CV seja usado principalmente para regulação de tensão fixa, ele também pode ser combinado com componentes adicionais para permitir a tensão ajustável e saídas de corrente, dando -lhe flexibilidade em várias aplicações.




Corrente de saída de até 1,5 A
Tensões de saída de 5;6;8;8.5;9;12;15;18;24 v
Proteção de sobrecarga térmica
Proteção de curto -circuito
Proteção SOA de transição de saída
2 % de tolerância à tensão de saída (uma versão)
Garantido na faixa de temperatura prolongada (uma versão)
O L7812CV da STMicroelectronics inclui suas especificações, recursos e parâmetros técnicos, bem como uma comparação com outros componentes que possuem características semelhantes ao L7812CV.
| Tipo | Parâmetro |
| Status do ciclo de vida | Ativo (último atualizado: 7 meses atrás) |
| Time de entrega da fábrica | 24 semanas |
| Placar de contato | Estanho |
| Montar | Através do buraco |
| Tipo de montagem | Através do buraco |
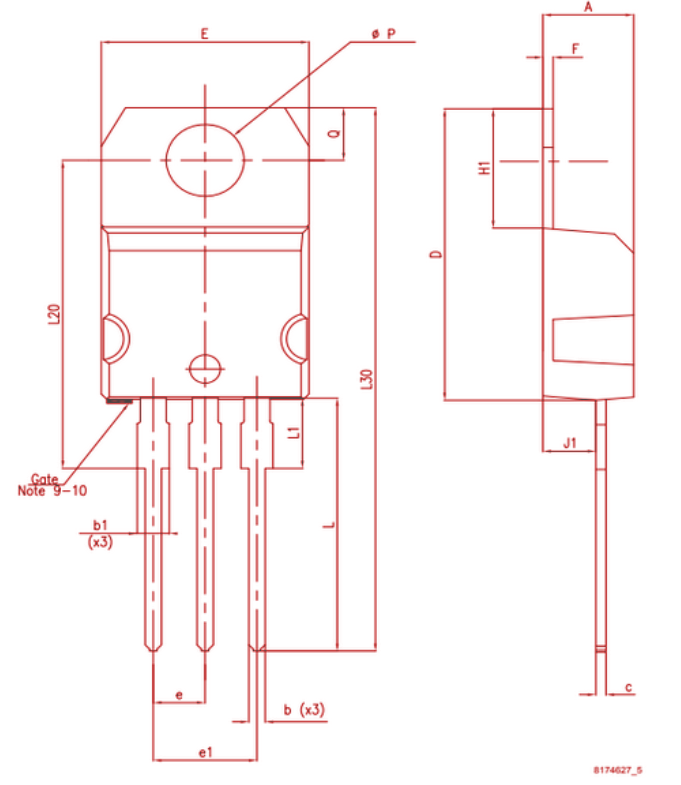
| Pacote / caso | To-220-3 |
| Número de pinos | 3 |
| Peso | 2.299997G |
| Temperatura operacional | 0 ° C ~ 125 ° C. |
| Embalagem | Tubo |
| Tolerância | 5% |
| Código JESD-609 | E3 |
| Status da peça | Ativo |
| Nível de sensibilidade à umidade (MSL) | 1 (ilimitado) |
| Número de terminações | 3 |
| Posição terminal | SOLTEIRO |
| Número de funções | 1 |
| Número da peça base | L7812 |
| Contagem de pinos | 3 |
| Tensão - entrada (max) | 35V |
| Tensão de saída | 12V |
| Tipo de saída | Fixo |
| Corrente máxima de saída | 1.5a |
| Configuração de saída | Positivo |
| Corrente quiescente | 8Ma |
| Tensão de saída 1 | 12V |
| Número de reguladores | 1 |
| Min Tensão de entrada | 14V |
| Recursos de proteção | Sobre temperatura, curto -circuito |
| Abandono de tensão (max) | 2V @ 1A Typ |
| PSRR | 55dB (120Hz) |
| Tensão de abandono | 2V |
| DROPOUT TOLTAGE1-NOM | 2V |
| MIN tensão de saída | 12V |
| Índice de rejeição da fonte de alimentação (PSRR) | 55dB |
| Tensão de saída nominal | 12V |
| Altura | 9.15mm |
| Comprimento | 10,4 mm |
| Largura | 4,6 mm |
| Alcance SVHC | Sem svhc |
| Endurecimento da radiação | Não |
| Status do ROHS | ROHS3 compatível |
| Chumbo livre | Chumbo livre |





| Número da peça | Descrição | Fabricante |
| MC7815ACTG | Regulador de tensão linear, 1A, 5 a 24V, VOUT positivo: 15.0V;TJ: 0 ° C a +125 ° C, TO-220, medidor único, 3 líderes, 50 tubos | Em semicondutor |
| BA178M15CP | Regulador padrão positivo fixo, 15V bipolar, msfm3, to-220, 3 pinos | ROHM SEMICONDUCOR |
| MC7812AECTBU | 12V Regulador positivo fixo, PSFM3, ROHS Compatiante, to-220, 3 pinos | Rochester Electronics LLC |
| P1406-15-883B | Regulador padrão positivo fixo, 15V MSFM3, TO-257, 3 pinos | TT Resistores Eletrônicos |
| Om7812aih | Regulador padrão positivo fixo, 12V bipolar, msfm3, to-257a, 3 pinos | Infineon Technologies AG |
| UPC7815AHF | Regulador padrão positivo fixo, 15V bipolar, msfm3, isolado, plástico, to-220, sip-3 | NEC Electronics America Inc |
| UPC7812AHF-AZ | UPC7812AHF-AZ | Renesas Electronics Corporation |
| P7815AG-883B | 15V Regulador positivo fixo, MSFM3, TO-257A, 3 pinos | |
| P7815AG-BS2S | Regulador padrão positivo fixo, 15V MSFM3, TO-257A, 3 pinos | TT Resistores Eletrônicos |
| SHD5158B | Regulador padrão positivo fixo, 15V, shd-5b, 3 pinos | Semicondutores sensitrons |
Regulador de saída constante +12V para microcontroladores de energia e sensores na maioria dos projetos
Regulador de saída ajustável
Limitador atual para determinadas aplicações
Suprimento duplo regulamentado
Circuito de polaridade-reversal-reversal de saída
Regulador de saída fixa


| Escurecido. | Min.(mm) |
| UM | 4.4 |
| b | 0,61 |
| B1 | 1.14 |
| c | 0,48 |
| D | 15.25 |
| E | 10 |
| e | 2.4 |
| E1 | 4.95 |
| F | 0,51 |
| H1 | 6.2 |
| J1 | 2.4 |
| L | 13 |
| L1 | 3.5 |
| L20 | - |
| L30 | - |
| Øp | 3.75 |
| Q | 2.65 |

A Stmicroelectronics é líder global na indústria de semicondutores, conhecida por produzir uma ampla variedade de componentes e soluções eletrônicas.Eles reúnem experiência em tecnologia de silício e design de sistemas, juntamente com os recursos avançados de fabricação, o que lhes permite fornecer produtos inovadores que atendam às necessidades dos eletrônicos modernos.Seu trabalho abrange em inúmeras aplicações, incluindo microeletrônicas, e são reconhecidas por sua capacidade de se adaptar ao cenário tecnológico em rápida mudança.Por meio de colaborações estratégicas e um forte portfólio de propriedades intelectuais, a STMicroelectronics continua a moldar o futuro da eletrônica, ajudando os dispositivos a se tornarem mais eficientes, conectados e amigáveis.Seus produtos desempenham um papel central na possibilidade de permitir a convergência da tecnologia, facilitando para vários sistemas trabalharem juntos nas aplicações cotidianas.
O L7812CV é um regulador de tensão positivo de três terminais.Ajuda a fornecer regulamentação estável de tensão diretamente na placa de circuito, o que elimina os desafios do gerenciamento da tensão de um único ponto.Ele inclui recursos internos, como limitação atual e desligamento térmico, o que o torna muito durável e capaz de lidar com várias condições.
Um regulador de tensão fixo requer quase não componentes externos, além de possivelmente alguns capacitores de desvio, para operar.Por outro lado, um regulador de tensão ajustável precisa de alguns componentes externos para o funcionamento adequado.Com o tipo ajustável, você pode ter uma gama mais ampla de opções de tensão e corrente, oferecendo mais flexibilidade para diferentes necessidades.
Tanto o L78S12CV quanto o L7812CV têm desempenho semelhante em termos de tensão de saída versus temperatura da junção.No entanto, a faixa de temperatura de operação é ligeiramente diferente: o L7812CV funciona entre 0 ° C e 125 ° C, enquanto o L78S12CV pode subir até 150 ° C.Apesar disso, ambos os chips têm a mesma resistência térmica, o que significa que o L78S12CV não será necessariamente mais frio sob a mesma carga, mas pode lidar com temperaturas mais altas, se necessário.
O fio nicromo cria uma carga resistiva.Provavelmente, seu fio tem uma resistência muito baixa, possivelmente abaixo de 100 ohms ou até 1 ohm.Quando a resistência é baixa, ela pode desenhar alta corrente através do regulador.Se você estiver alimentando 17V no regulador e retirando 12V, a diferença de 5V está sendo dissipada como calor.Para cada amplificador de corrente, essa queda de 5V resulta em 5 watts de calor.Como o fio nicromo pode desenhar muita corrente, seu regulador provavelmente está liberando muito calor.
Se você estiver usando o pacote TO-220, a maneira mais fácil de identificar os pinos é olhar para o lado com a rotulagem e apontar os pinos para baixo.Da esquerda para a direita, o pino 1 é a entrada, o pino 2 é o solo e o pino 3 é a saída.Certifique -se de fornecer uma entrada CC, pois se você reverter a entrada e a saída, o chip poderá queimar.Além disso, verifique se a tensão de entrada não está muito alta para o chip manusear.
O L7812CV é um regulador de tensão fixo que fornece uma saída estável de 12V.Ele pode suportar até 1a de corrente e a tensão de entrada pode variar de 14V a 35V.
Por favor, envie uma consulta, responderemos imediatamente.
em 16/10/2024
em 16/10/2024
em 18/04/8000 147757
em 18/04/2000 111934
em 18/04/1600 111349
em 18/04/0400 83719
em 01/01/1970 79508
em 01/01/1970 66895
em 01/01/1970 63010
em 01/01/1970 63000
em 01/01/1970 54081
em 01/01/1970 52117