
O TB6600 O módulo de driver do motor de passo é um dispositivo distinguido por sua resiliência e adaptabilidade para controlar os motores de passo em duas fases.Ele se conecta perfeitamente a uma ampla variedade de microcontroladores, principalmente Arduino, promovendo a criação de saídas precisas de pulso digital de 5V.Essas saídas são dinâmicas para manter o delicado equilíbrio do controle do motor.Operando dentro de uma faixa de tensão de 9-42V DC e suportando uma corrente de pico de 4 amperes, é uma escolha versátil para vários projetos acionados por motor.Essa adaptabilidade permite gerenciar com eficiência o posicionamento e a velocidade do motor, o que é altamente benéfico em aplicativos que visam minimizar a complexidade da codificação.O isolamento optocouplelador de alta frequência do módulo aumenta significativamente sua confiabilidade, reduzindo os riscos de interferência e garantindo operação constante.
A harmonia com numerosos microcontroladores faz do driver TB6600 uma opção adequada para projetos que exigem controle motor intrincado.Ele se integra sem problemas a plataformas como o Arduino, refletindo sua capacidade de atender às diversas expectativas.Por exemplo, o uso desse driver em máquinas CNC ou impressoras 3D permite um movimento preciso e controlado, o que ilustra sua utilidade em vários campos.
Este módulo se destaca graças ao seu suporte para motores de passo bidirecional e quatro fases, bem como configurações híbridas.O design bipolar H-Bridge é parte integrante do gerenciamento de tensão e corrente com eficiência, garantindo que o motorista ofereça desempenho de pico em seus aplicativos.Em ambientes onde a precisão e a confiabilidade são priorizadas, como linhas de produção e robótica automatizadas, esses recursos são altamente valorizados.
|
Recurso |
Descrição |
|
Tipo de driver |
Driver Bipolar H-Bridge DC |
|
Opções de corrente de saída |
8 tipos (0,5a a 3,5a), selecionáveis até 4 amperes |
|
Modos de subdivisão |
Divide até 32, selecionável em 6 modos |
|
Opções de etapa micro |
8 tipos (1, 2/a, 2/b, 4, 8, 16, 32) |
|
Isolamento do sinal de entrada |
Separação fotoelétrica de alta velocidade |
|
Interface |
Interface de pulso único padrão completo |
|
Função de espera offline |
Sim |
|
Adequação ambiental |
Corpo semi-fechado para ambientes severos |
|
Função de bloqueio de energia |
Semi-automático, economizando energia |
|
Especificação |
Detalhes |
|
Tensão operacional |
9-40V DC |
|
Corrente de saída |
0.7a-4.0a (selecionável em 8 etapas por meio de interruptores de mergulho) |
|
Frequência de pulso de entrada |
Até 20kHz |
|
Níveis de sinal de entrada |
Níveis de sinal de 5V |
|
Pulso por revolução |
200-6400 |
|
Corrente do sinal lógico |
8a-15a |
|
Compatibilidade motora |
Adequado para motores de passo em duas e quatro fases |
|
Recursos de proteção |
Proteção de sobrecorrente e superaquecimento |
|
Isolamento de entrada |
Opticamente isolado |
|
Resistência ao isolamento |
500 megohms |
|
Modo suportado |
Modo PUL/FIR |
|
Custo |
Baixo custo |
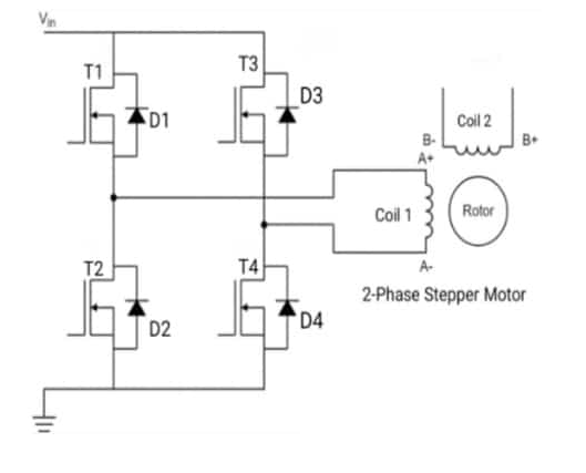
O módulo de driver do motor de passo TB6600 é um componente sério projetado para controlar os motores de passo em duas e quatro fases, utilizando uma configuração bi-polar de ponte H para operação eficiente.Essa configuração emprega transistores MOSFET para garantir o alto desempenho em termos de manuseio atual e estabilidade térmica.O módulo opera interagindo com dois pinos de controle primário: o pino de etapa, que desencadeia um pisada de motor a cada pulso e o pino de direção, que determina a direção rotacional do motor com base na tensão aplicada.Juntos, esses insumos permitem controle preciso sobre a sequência de trampolins e a direção da rotação do motor.

O diagrama de circuito destaca quatro transistores-chave, T1, T2, T3 e T4, dispostos em uma estrutura de ponte H.Esses MOSFETs são a espinha dorsal da operação do módulo, permitindo o fluxo bidirecional de corrente necessário para acionar o motor de passo.Além disso, o diagrama inclui diodos flyback (D1, D2, D3 e D4), que são fundamentais para proteger o circuito dos picos de tensão causados pela carga indutiva do motor.Esses diodos impedem a sobrecorrente e os danos a componentes sensíveis durante a operação.Os terminais A+, A-, B+e B são usados para conectar o motor, garantindo um movimento preciso e controlado do eixo do motor.
O driver TB6600 opera através da ação coordenada dos transistores MOSFET na ponte H.Por exemplo:
• A rotação no sentido horário ocorre quando os transistores T1 e T4 são ativados, direcionando o fluxo de corrente de A+ para A-.
• A rotação no sentido anti-horário ocorre quando T2 e T3 são engajados, revertendo o fluxo de corrente de A- para A+.
Essa ativação alternada dos transistores garante movimento bidirecional suave.Para alcançar o torque ideal e a operação eficiente, são essenciais o tempo preciso e a regulação de tensão.
O TB6600 suporta quatro modos de operação distintos, cada um projetado para equilibrar o torque, a precisão e o tamanho da etapa, dependendo dos requisitos do aplicativo:
• Modo de onda: Nesse modo, apenas uma bobina é energizada por vez.A ativação de uma bobina única gira o motor em 90 graus em uma direção enquanto reverte a corrente gira na direção oposta.Ao alternar entre as bobinas, o motor alcança operação contínua.Este modo é simples, mas fornece menos torque em comparação com outros modos.
• Modo de etapa inteira: Ambas as bobinas são energizadas simultaneamente nesse modo, gerando um campo magnético mais forte.Isso resulta em aumento do torque, tornando -o ideal para aplicações que exigem mais energia e estabilidade.
• Modo de meia etapa: Uma combinação de modo de onda e modo de etapa inteira, esse modo alterna entre energizar uma única bobina e as duas bobinas.Reduz efetivamente o tamanho da etapa para 45 graus, fornecendo um equilíbrio entre precisão e torque.No entanto, o torque pode variar dependendo se uma ou ambas as bobinas são energizadas durante uma etapa específica.
• Modo microstep : O mais preciso de todos os modos, o modo Microstep reduz ainda mais o tamanho da etapa, modulando cuidadosamente a corrente através das fases do motor.Isso é alcançado usando circuitos avançados para criar transições suaves e graduais entre as etapas.Esse modo é ideal para aplicações que requerem alta precisão e torque consistente, como máquinas CNC ou robótica.
O controle eficiente de motores de passo exige uma combinação de hardware confiável e software cuidadosamente programado.O motorista do motor de passo do TB6600 se destaca como uma excelente ferramenta para operar os motores de passo em duas fases.Ele suporta vários modos operacionais, como onda, etapa completa, meio passo e micro-passo.Suas características de proteção integrada-incluindo salvaguardas contra baixa tensão, sobrecorrente e superaquecimento-fazem uma escolha sólida para projetos que exigem precisão e durabilidade.
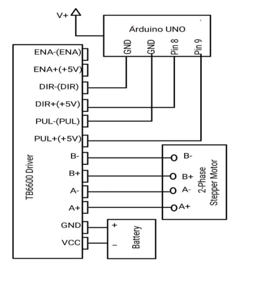
Para configurar o TB6600 com um Arduino UNO, junte os seguintes componentes:
• Arduino Uno R3
• TB6600 Driver de motor de passo (versão 4A)
• Motor de passo (com uma classificação recomendada de 1,65a)
• Fonte de alimentação confiável (por exemplo, uma bateria ou fonte de energia CC regulada)
• fios de jumper
• Arduino IDE instalado em seu computador
Para integrar o TB6600 ao Arduino, siga estas instruções detalhadas
Conecte a direção e os sinais de pulso
• Ligue os terminais DIR+ e PUL+ no TB6600 aos pinos 8 e 9 do Arduino, respectivamente.Esses pinos enviam sinais de direção e pulso.
• Prenda os terminais diretos e pulsados ao pino do solo (GND) do Arduino.
• Conecte o motor ao TB6600: conecte os fios do motor de passo aos terminais TB6600.
• A+ e A- para uma bobina do motor.
• B+ e B- para a outra bobina.
• Power o driver TB6600: conecte os pinos VCC e GND no TB6600 à sua fonte de alimentação.Verifique se a tensão corresponde aos requisitos do seu motor e motorista para evitar danos.

Ajustando a resolução do microstep
O TB6600 permite que você ajuste a precisão do movimento do motor de passo usando os interruptores SW1 e SW2.Ajuste esses interruptores da seguinte forma:
• Resolução da etapa: defina o SW1 e o SW2 OFF.
• Resolução da etapa: defina o SW1 e o SW2 ligado.
• Resolução de 1/32 etapa: defina SW1 e SW2.
• Modo de etapa completa: defina SW1 e SW2.
Tabela de verdade
|
SW2 |
Resolução Microstep |
|
DESLIGADO |
1/32 Etapa |
|
SOBRE |
1/8 Etapa |
|
DESLIGADO |
1/4 passo |
|
SOBRE |
Etapa completa |
Os ajustes de comutador permitem otimizar o equilíbrio entre precisão e velocidade com base nas necessidades do seu projeto.
Para garantir que seu motor opere dentro dos limites de corrente seguros, o TB6600 possui interruptores adicionais (SW4 e SW6) para ajustar o fluxo de corrente.Essas configurações são úteis para:
• Prevenção de danos de sobrecarga.
• Mantendo o desempenho do motor consistente.
• Sempre verifique se a corrente do motor permanece abaixo do máximo do driver de 4A para proteger os dois componentes.
• Controle direção do motor: se você deseja que o motor gire o sentido anti -horário, modifique o estado do pino Dir+ no seu código Arduino.
• Teste e solução de problemas: Após concluir a configuração, faça o upload de um esboço básico de controle do motor de passo para verificar a fiação e a funcionalidade do driver.
• Evite superaquecimento: verifique se a ventilação adequada para o driver TB6600, especialmente em aplicações de alta corrente.
O módulo TB6600 desempenha um papel ativo em vários setores onde o controle motor meticuloso é usado.Sua adaptabilidade brilha em várias implementações que destacam seus recursos exclusivos:
No campo das telecomunicações, alcançar o alinhamento ideal da antena é obrigatório para a recepção e transmissão do sinal de qualidade.O TB6600 facilita o movimento de precisão, aumentando assim a eficácia dos sistemas de comunicação.
Na automação e na robótica, o manuseio preciso do motor de passo é alcançado através do TB6600, permitindo refinar a precisão do movimento e reforçar a confiabilidade do sistema.
Para máquinas de controle numérico de computador (CNC), o TB6600 aprimora processos complexos de corte e moagem, permitindo que você mantenha altos níveis de precisão e precisão repetível em seu trabalho.
Na fabricação aditiva, especialmente na impressão 3D, o TB6600 oferece controle de motor detalhado, suportando o posicionamento preciso das cabeças de impressão necessárias para a criação de formas e formas complexas.
O módulo é valioso para tarefas intrincadas de controle motor em sistemas de automação complexos, aumentando a eficiência e permitindo o gerenciamento refinado.
O TB6600 se destaca em cenários que exigem velocidade exata e controle rotacional, usado principalmente para otimizar o desempenho em ambientes em constante mudança.
O módulo suporta a operação confiável de câmeras e caixas eletrônicos, garantindo movimentos motores suaves e exatos, que estende a vida útil operacional dos dispositivos.
Para ferramentas e máquinas de gravação, o TB6600 fornece o controle preciso necessário para a execução de projetos finamente detalhados, um fator perigoso nas indústrias onde a precisão e os detalhes são dominantes.
Por favor, envie uma consulta, responderemos imediatamente.
O motorista do motor de passo do TB6600 trabalha com uma tensão de fonte de alimentação entre 8V e 45V.
O TB6600 usa modulação de largura de pulso (PWM) para ajustar a velocidade do motor.Você pode alterar a velocidade modificando a frequência PWM.
Sim, o TB6600 pode lidar com até 4.5A, tornando -o compatível com os motores de passo avaliados com essa corrente.
Para reverter a direção do motor, alterne a sequência do sinal de entrada nos pinos de controle (por exemplo, IN1-In2-In3-In4 para Forward, IN4-In2-In2-In1 para reverso).
O TB6600 é feito para motores de passo de 4 fios.Se o seu motor tiver mais de 4 fios, você precisará de um driver diferente.
O TB6600 funciona bem com os motores NEMA17, mas geralmente é inadequado para os motores NEMA23 devido aos seus requisitos atuais mais altos.
em 12/12/2024
em 12/12/2024
em 18/04/8000 147757
em 18/04/2000 111931
em 18/04/1600 111349
em 18/04/0400 83719
em 01/01/1970 79508
em 01/01/1970 66888
em 01/01/1970 63010
em 01/01/1970 62985
em 01/01/1970 54081
em 01/01/1970 52111