



Como um membro distinto da série 0 Megaavr®, o ATMEGA4809 se destaca incorporando um processador AVR® com um multiplicador de hardware que pode operar em frequências de até 20 MHz.Este microcontrolador está disponível em várias configurações, com memória flash de 48 kb, 6 kb de SRAM e 256 bytes da EEPROM em pacotes de 28 a 48 pinos.Seu design centra-se em uma arquitetura flexível e de baixa potência que integra recursos sofisticados, como o sistema de eventos, o sono, as funcionalidades analógicas precisas e os periféricos de última geração, refletindo as mais recentes inovações do microchip.
• Processador AVR e multiplicador de hardware: Equipado com um processador AVR® complementado por um multiplicador de hardware, o ATMEGA4809 oferece eficiência e desempenho computacionais notáveis.Executando em velocidades de até 20 MHz, esta dupla aumenta a velocidade de execução para operações matemáticas complexas.Tais recursos tornam o microcontrolador adequado para aplicativos que exigem alta precisão e processamento rápido.O design apela para quem se esforça para encontrar um equilíbrio entre consumo de energia e desempenho, oferecendo um ajuste harmonioso para várias necessidades técnicas.
•Configurações de memória: Com suas opções de memória flexível, o ATMEGA4809 fornece configurações de memória flash de até 48 kb, 6 kb sram e 256 bytes eeprom.Essa adaptabilidade atende a uma ampla gama de necessidades de aplicativos, desde tarefas simples que exigem memória mínima a aplicativos mais complexos que precisam de armazenamento substancial.Os cenários do mundo real mostram que uma configuração de memória equilibrada pode aumentar significativamente o desempenho e a capacidade de resposta do sistema.
• Sistema de eventos: O sistema de eventos do ATMEGA4809 permite a comunicação periférica para periférico direta, eliminando a necessidade de intervenção da CPU.Esse recurso reduz o consumo de energia e aumenta a eficiência, permitindo que as tarefas sejam concluídas com o mínimo de despertar da CPU.Ao reduzir a carga da CPU, estende a duração da bateria em dispositivos portáteis e melhora a eficiência geral do sistema.Essa filosofia de design enfatiza uma mistura de desempenho e conservação de energia, ressoando com aplicações que priorizam o uso de baixa energia.
• Tecnologia de sono: A tecnologia Sleepwalking permite que os periféricos operem de forma independente, enquanto a CPU permanece em um modo de suspensão de baixa potência.Esse recurso garante que as principais tarefas sejam executadas com o mínimo de desenho de energia, otimizando a longevidade e a eficiência operacional do dispositivo.Experiências de várias implementações destacam a importância de tais técnicas de economia de energia em aplicações em que a eficiência energética é prima.
O ATMEGA4809 possui funcionalidade analógica precisa, com conversores analógicos para digitais (ADC), conversores digital para análise (DAC) e comparadores.Esses periféricos analógicos fornecem processamento de sinal analógico preciso, usado em aplicações que envolvem aquisição de dados do sensor, processamento de sinais de áudio e outros cenários em que são necessárias medições analógicas precisas.Os usos práticos demonstram frequentemente que a manutenção de alta precisão analógica é básica para alcançar o desempenho confiável e consistente do sistema.
Dotado de periféricos avançados, o ATMEGA4809 suporta uma ampla gama de aplicações.Esses periféricos estendem os recursos do microcontrolador com interfaces para protocolos de comunicação, temporizadores e modulação de largura de pulso (PWM).Um conjunto periférico tão abrangente permite que o ATMEGA4809 se adapte a projetos diversos e complexos, promovendo soluções inovadoras por meio de sua flexibilidade e expansão.
Aqui está a tabela de especificação técnica para a tecnologia de microchip ATMEGA4809-AFR.
|
Tipo |
Parâmetro |
|
Fábrica
Tempo de espera |
13
Semanas |
|
Montagem
Tipo |
Superfície
Montar |
|
Pacote
/ Caso |
48-TQFP
Almofada exposta |
|
Superfície
Montar |
SIM |
|
Dados
Conversores |
ANÚNCIO
16x10b |
|
Número
de I/OS |
41 |
|
ROM
(palavra) |
24.576 |
|
Operação
Temperatura |
-40 ° C.
a 125 ° C ta |
|
Embalagem |
Fita
& Reel (TR) |
|
Série |
megaavr®
0 |
|
Papel
Status |
Ativo |
|
Umidade
Nível de sensibilidade (MSL) |
3
(168 horas) |
|
Número
de terminações |
48 |
|
Hts
Código |
8542.31.00.01 |
|
terminal
Posição |
Quad |
|
terminal
Forma |
Gullwing |
|
Fornecer
Tensão |
3V |
|
terminal
Tom |
0,5 mm |
|
Base
Número da peça |
ATMEGA4809 |
|
Jesd-30
Código |
S-PQFP-G48 |
|
Fornecer
Voltagem-max (vsup) |
5.5V |
|
Fornecer
Tensão-min (vsup) |
1.8V |
|
Oscilador
Tipo |
Interno |
|
Velocidade |
20MHz |
|
BATER
Tamanho |
6k x
8 |
|
Tensão
- Supply (VCC/VDD) |
1.8V
a 5.5V |
|
UPS/UCS/periférico
Tipo de ICS |
Microcontrolador,
Risc |
|
Essencial
Processador |
Avr |
|
Periféricos |
Brown-out
Detectar/redefinir, POR, PWM, WDT |
|
Relógio
Freqüência |
20MHz |
|
Programa
Tipo de memória |
CLARÃO |
|
Essencial
Tamanho |
8 bits |
|
Programa
Tamanho da memória |
48kb
(48k x 8) |
|
Conectividade |
I2c,
Spi, Uart/USART |
|
Pedaço
Tamanho |
16 |
|
Tem
ADC |
SIM |
|
DMA
Canais |
NÃO |
|
Pwm
Canais |
NÃO |
|
DAC
Canais |
NÃO |
|
EEPROM
Tamanho |
256
x 8 |
|
No chip
Largura da ROM do programa |
16 |
|
Limite
Scan |
NÃO |
|
Formatar |
Ponto fixo |
|
Integrado
Cache |
NÃO |
|
BATER
(palavras) |
512 |
|
Número
de E/S serial |
4 |
|
Número
de temporizadores |
5 |
|
Número
de interrupções externas |
41 |
|
No chip
Dados Largura da RAM |
16 |
|
Comprimento |
7mm |
|
Altura
Sentado (máximo) |
1,2 mm |
|
Largura |
7mm |
|
Rohs
Status |
ROHS3
Compatível |

O ATMEGA4809 possui um multiplicador de hardware de alto desempenho que acelera imensamente as operações aritméticas.Isso é principalmente vantajoso para aplicações que envolvem processamento matemático intensivo, aumentando assim a eficiência da computação.Os exemplos incluem criptografia, processamento de sinais e análise de dados reais, onde o multiplicador de hardware pode reduzir significativamente o tempo de processamento, otimizando o desempenho do sistema.
O microcontrolador suporta três modos de sono.
• Modo ocioso: mantém a atividade da CPU enquanto reduz o poder dos periféricos, ideal para cenários que exigem tempos rápidos de resposta.
• Modo de espera: conserva mais energia, interrompendo a CPU e mantendo estados operacionais úteis, encaixando para aplicações com atividade periódica.
• Modo de desativação: oferece economia máxima de energia, interrompendo todas as atividades, adequadas para dispositivos movidos a bateria com uso esporádico.
Um atributo notável é o sistema de eventos, permitindo que os periféricos interajam diretamente sem o envolvimento da CPU.Isso reduz a latência e reforça a capacidade de resposta geral do sistema, descarregando a coordenação periférica.Esse mecanismo é inestimável em sistemas de controle reais em que o tempo e a precisão estão ativos.A arquitetura do sistema de eventos, semelhante às técnicas de acesso à memória direta, minimiza os gargalos da CPU, aumentando a eficiência.
O timer de vigilância integrado reforça a confiabilidade do sistema, monitorando e se recuperando de soluços operacionais.O WDT atua como um mecanismo de falha, redefinindo o microcontrolador após a detecção de não responsividade, evitando as falhas do sistema.Essa camada de confiabilidade é usada principalmente em sistemas de controle industrial e eletrônicos de consumo, garantindo maior segurança e estabilidade.
Para startups seguros e operação confiável, o ATMEGA4809 inclui.
• Redefinição de energia (POR): inicia o microcontrolador na restauração de energia, garantindo um estado de inicialização consistente.
• Detecção de Brown-Out (BOD): protege contra flutuações de tensão que podem comprometer a estabilidade do dispositivo, redefinindo automaticamente o sistema quando a tensão cair abaixo de um limite de conjunto.
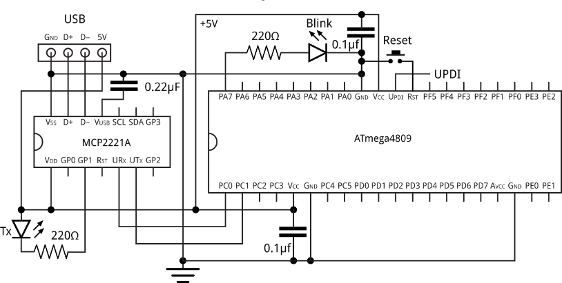
A interface de depuração do Programa Unificada (UPDI) de um pino único facilita significativamente os processos de desenvolvimento e depuração.Essa interface reduz as complexidades físicas e processuais geralmente associadas à programação e depuração do microcontrolador, aprimorando a produtividade do desenvolvedor.A simplicidade da Updi é principalmente benéfica nos ciclos de desenvolvimento iterativos, onde testes e depuração rápidos são importantes para a conclusão oportuna do projeto.
Em essência, os atributos do ATMEGA4809 fornecem uma plataforma versátil e eficiente adequada para uma ampla variedade de aplicações, incluindo eletrônicos de consumo e automação industrial.Ao integrar o gerenciamento avançado de energia, recursos rápidos de computação e recursos robustos de confiabilidade, ele fornece uma base formidável para o desenvolvimento de sistemas confiáveis de alto desempenho.

Ambos ATMEGA4809 e ATMEGA328 fornecer níveis comparáveis de desempenho.O ATMEGA328, comumente encontrado nas placas Arduino, se destaca em eficiência de energia.Este microcontrolador integra a tecnologia Picopower da Atmel, permitindo menor consumo de energia sem sacrificar o desempenho.
Examinando as arquiteturas mais de perto, o ATMEGA4809 fornece certas aprimoramentos em relação ao ATMEGA328.O ATMEGA4809 oferece um sistema de configuração periférica flexível.Essa flexibilidade fornece melhor desempenho geral do sistema.O sistema é mais adaptável, especialmente em aplicações envolvendo vários sensores ou periféricos.
Em termos de programação e desenvolvimento, a compatibilidade com versões anteriores do ATMEGA4809 com o ATMEGA328 é vantajoso.Essa compatibilidade simplifica o processo de migração de projetos existentes originalmente projetados para o ATMEGA328.As ferramentas avançadas de depuração suportadas pelo ATMEGA4809 podem ser altamente benéficas em projetos complexos, permitindo a identificação e resolução de questões antecipadas.
As diferenças de consumo de energia tornam -se principalmente evidentes em aplicações reais.Para dispositivos movidos a bateria, as capacidades do PICOPOWER do ATMEGA328 podem estender períodos operacionais entre as cargas.Os recursos avançados de economia de energia do ATMEGA4809 podem otimizar ainda mais o uso de energia, especialmente benéficos em aplicações ultra-baixa.
Considerando a prova de futuro, as muitas funcionalidades aprimoradas do ATMEGA4809 o tornam uma opção mais versátil.Seu suporte mais amplo para periféricos e gerenciamento de memória aprimorado é ativo para aplicações complexas e em evolução.Esses recursos fornecem uma base robusta para futuras inovações e expansões, tornando -o ideal para o planejamento de atualizações.


A Microchip Technology Inc., com sede em Chandler, Arizona, se destaca em oferecer uma ampla gama de microcontroladores e semicondutores analógicos.Esta empresa é conhecida por reduzir os riscos de desenvolvimento, reduzir os custos do sistema e acelerar o tempo até o mercado.Através de seu apoio de alta qualidade e produtos confiáveis, a Microchip estabeleceu firmemente sua liderança no setor.
O ATMEGA4809 se destaca entre as ofertas do Microchip devido a seus recursos avançados e arquitetura adaptável, tornando -o adequado para diversas aplicações que exigem soluções robustas e eficientes.Esse microcontrolador suporta uma ampla gama de funcionalidades, tornando -a integrada sem esforço em vários sistemas.
O ATMEGA4809 é um microcontrolador sofisticado que utiliza o processador AVR® de 8 bits.Esse hardware avançado vem com um multiplicador integrado e opera em velocidades de até 20 MHz.Oferece uma substancial 48 kb de memória flash, 6 KB de SRAM, e inclui 256 bytes da EEPROM, todos bem alojados dentro de um pacote de 48 pinos.Com seu design robusto, ele atende a uma variedade de aplicações e comandos complexos.
A tecnologia Microchip ATMEGA4809 Microcontrolador de 8 bits está planejada para otimizar aplicativos de comando e controle altamente responsivos.Aumenta significativamente a funcionalidade dos sistemas de controle reais.Sua natureza versátil permite que ela seja utilizada em arquiteturas abrangentes baseadas em microprocessadores ou como processadores independentes nas estruturas de comando e controle.A utilização deste microcontrolador pode elevar o desempenho de diversos projetos.
O ATMEGA4809 atende aos requisitos crescentes de velocidade e eficiência nos sistemas reais.O multiplicador de hardware e a alta frequência de operação (até 20 MHz) permitem um rápido processamento e tempos de resposta rápidos.Esses benefícios que exigem feedback imediato e controle preciso, como sistemas de robótica e automação.Ao incorporar o ATMEGA4809, você pode atender às necessidades exigentes de aplicativos reais.
De fato, o ATMEGA4809 está equipado com inúmeras características periféricas que aumentam sua usabilidade.Isso inclui várias interfaces de comunicação como UART, SPI e I2C, que facilitam a integração perfeita com outros dispositivos digitais.Além disso, possui recursos analógicos robustos, incluindo ADCs e DACs, tornando -o altamente adequado para interface do sensor e processamento de sinal analógico.Esses recursos se combinam para tornar o ATMEGA4809 uma ferramenta versátil para uma ampla gama de tarefas digitais e analógicas.
Quando comparado a outros microcontroladores em sua classe, o ATMEGA4809 se destaca devido à sua combinação equilibrada de capacidade de memória, velocidade de processamento e integrações periféricas.Sua arquitetura de 8 bits, complementada por recursos eficientes de gerenciamento de energia, a torna uma escolha ideal para aplicações em que o consumo de energia é um fator sério.Esse saldo garante que ofereça desempenho confiável sem comprometer a eficiência.
O ATMEGA4809 serve como uma excelente plataforma para fins educacionais.Sua arquitetura direta e documentação abrangente o tornam adequado para aprendizado e experimentação.Ao se envolver com este microcontrolador, você pode obter informações valiosas sobre o desenvolvimento, comando e controle de sistemas incorporados, bem como o design real do sistema.O ATMEGA4809 cria um ambiente prático para você explorar e inovar.
Por favor, envie uma consulta, responderemos imediatamente.
em 11/10/2024
em 11/10/2024
em 18/04/8000 147747
em 18/04/2000 111857
em 18/04/1600 111347
em 18/04/0400 83696
em 01/01/1970 79458
em 01/01/1970 66843
em 01/01/1970 62992
em 01/01/1970 62900
em 01/01/1970 54060
em 01/01/1970 52065