
O LM340T5, um regulador de tensão positivo de 3 terminais, é projetado como uma unidade única e coesa, enfatizando a robustez e a confiabilidade.Eles abrangem a limitação de corrente interna, o desligamento térmico e a compensação da área segura, garantindo que o regulador suporta cenários operacionais estressantes.Embora possa fornecer mais de 1.0a de corrente, essa capacidade depende de estratégias proficientes de dissipação de calor.Embora destinado principalmente à manutenção da tensão fixa, ele permite modificações usando componentes auxiliares para ajustar as saídas de tensão e corrente.
O LM340T5 mostra a resiliência através de várias medidas de proteção integradas.Ele protege o circuito em relação às condições de sobrecorrente e evita ativamente danos devido ao superaquecimento.Ele mantém a integridade do desempenho nos parâmetros operacionais designados.Esses recursos integrados otimizam consideravelmente os processos de design, minimizando possíveis falhas e tempo de inatividade, provando inestimável em cenários exigentes do setor.
Dentro de aplicações operacionais, o LM340T5 serve a uma gama diversificada de circuitos eletrônicos caracterizados por vários fatores.A capacidade do circuito de manter a tensão estável é um aspecto central de sua utilidade em vários dispositivos.A obtenção de desempenho ideal depende fortemente do gerenciamento eficaz de calor por meio de técnicas como dissipadores de calor e sistemas de refrigeração empregados para maximizar a eficiência do regulador durante as operações ativas.Apesar de seu design inerente para saídas fixas, o LM340T5 oferece versatilidade através da personalização, integrando componentes como resistores variáveis, você pode adaptar a tensão e as saídas de corrente a necessidades específicas.
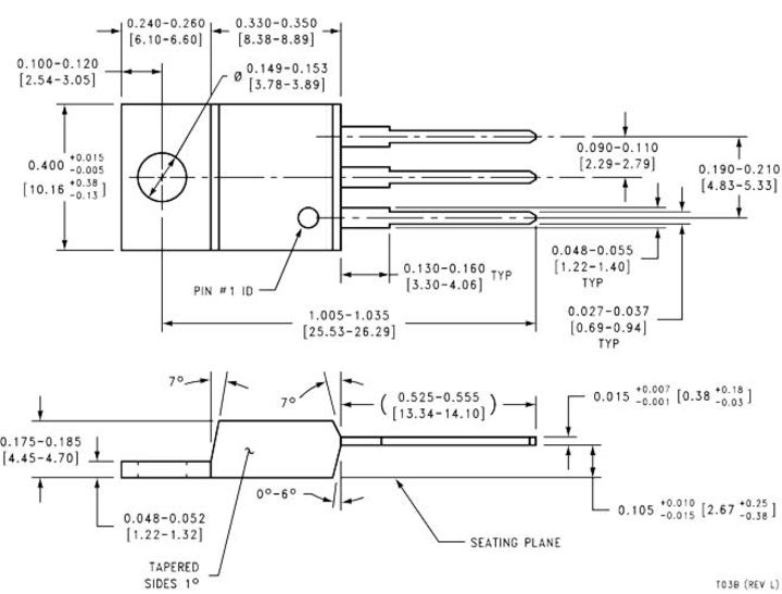
O regulador de tensão LM340T5, envolto no pacote TO-220 amplamente usado, é conhecido por seus atributos térmicos excepcionais e facilidade de instalação.Essas características o tornam uma escolha preferida em situações de regulação de energia.O design do pacote promove a dissipação de calor eficiente, um recurso valorizado em muitas aplicações.
|
PIN No. |
Nome do pino |
Função |
|
1 |
Entrada |
Recebe a tensão de entrada não regulamentada, que pode variar
de 7V a 35V.Este pino é normalmente conectado à fonte de alimentação. |
|
2 |
Chão |
Serve como ponto de referência comum para a entrada e
tensões de saída.Deve ser conectado ao solo do sistema. |
|
3 |
Saída |
Entrega a tensão de saída de 5V regulada.Está conectado
para a carga que requer a fonte de tensão estável. |
Recursos LM340T5
|
Recurso |
Descrição |
|
Proteção interna de sobrecarga térmica |
Impede o superaquecimento desligando o regulador. |
|
Limitação da corrente de curto-circuito |
Protege o regulador e os dispositivos conectados de danos
devido a condições de sobrecorrente. |
|
Proteção de área segura do transistor de saída |
Garante operação confiável em todas as condições. |
|
Capacidade de dissipação de alta potência |
Lida com altos níveis de potência com eficiência. |
|
Tensão de saída fixa |
Fornece uma saída de 5V estável com o mínimo externo
componentes. |
Especificações LM340T5
|
Especificação |
Detalhes |
|
Precisão da tensão de saída |
± 2% em tj = 25 ° C, ± 4% em temperaturas variadas |
|
Regulação da linha |
0,01% de Vout por volt de ∆vin sob uma carga 1A |
|
Regulação de carga
|
0,3% de Vout por ampere |
|
Proteção de sobrecarga térmica |
Embutido |
|
Limitação da corrente de curto-circuito |
Integrado |
|
Proteção de área segura para transistor de saída |
Incluído |
|
Teste de aprimoramento do produto P+ |
Concluído |
O regulador de tensão LM340T5 oferece uma saída estável de 5V e é amplamente utilizado em vários circuitos eletrônicos.Apesar de sua confiabilidade, há ocasiões em que o LM340T5 pode estar indisponível, provocando a necessidade de uma substituição adequada.Em tais cenários, vários componentes análogos oferecem funcionalidade comparável.
• 7805
• L7805CV
• LM7805
O regulador de tensão LM340T5 desempenha um papel importante na energização de dispositivos como microcontroladores e sensores, fornecendo uma saída estável +5V.O controle preciso dos níveis de tensão suporta o funcionamento contínuo dos gadgets digitais, onde a precisão da fonte de alimentação é frequentemente vinculada ao desempenho ideal.Essa regulação meticulosa de tensão ajuda na evolução de eletrônicos compactos, predominante na tecnologia do consumidor e na engenharia automotiva, criando uma paisagem onde o fluxo de energia confiável é cada vez mais utilizado.
O recurso de destaque do LM340T5 está em seus recursos de saída ajustáveis, concedendo a flexibilidade para ir além da mera regulamentação de tensão.Essa adaptabilidade significa que o regulador pode ser ajustado para cumprir uma infinidade de funções elétricas, acomodando equipamentos com diversas necessidades de tensão sem esforço.Ele pode atender adequadamente as operações de fonte de alimentação em vários campos, como telecomunicações e máquinas industriais, promovendo assim tanto a eficiência quanto a adaptabilidade.
O regulador de tensão linear LM340T5 desempenha um papel importante na manutenção de níveis estáveis de tensão e diminuindo com eficiência tensões mais altas.Ele funciona suavemente até 1A de corrente com uma seleção de opções de tensão fixa, tornando -a uma escolha confiável em vários cenários que exigem entrega consistente de energia.No entanto, lidar com o calor gerado nas operações, como a conversão de uma entrada de 12V em uma saída de 5V em 1A, apresenta um desafio notável.A implementação de abordagens eficazes de gerenciamento térmico se torna dominante, pois o calor excessivo pode impedir o desempenho e reduzir a vida útil dos componentes eletrônicos.
O LM340T5 brilha ao fornecer controle preciso de tensão, principalmente em ambientes que exigem uma fonte de alimentação confiável.Suas variantes de tensão fixa oferecem a conveniência da consistência, eliminando a necessidade de monitoramento ou ajuste constante.Você pode selecionar frequentemente este regulador para aplicações em que a estabilidade da tensão é um fator sério, aumentando assim a confiabilidade geral do sistema escolhendo a opção de saída fixa apropriada.
Ao operar o LM340T5, abordar a dissipação de calor é uma consideração notável.Cálculo do dissipador de calor direito ou colocar estrategicamente o regulador em uma PCB pode efetivamente mitigar o acúmulo térmico.Assim, encontrar um equilíbrio entre eficiência térmica e uso ideal do espaço caracteriza a fase de design.Além disso, métodos como aplicar pasta térmica ou almofadas aumentam a transferência de calor, estendendo a vida operacional do dispositivo.
A integração de componentes externos com o LM340T5 o capacita a adaptar o desempenho a necessidades específicas de aplicativos.Por exemplo, adicionar capacitores pode reduzir a ondulação de tensão, promovendo uma saída mais constante.Da mesma forma, a incorporação de diodos pode se proteger contra a polaridade reversa, protegendo todo o circuito contra danos potenciais.

O LM340T5 vem alojado no encapsulamento versátil do TO-220, muitas vezes apreciado em cenários em que o gerenciamento de calor é uma consideração importante.Esse encapsulamento fornece vários benefícios devido às suas características de design.

• TO-3 Metal pode embalar
• pacote de montagem de superfície para 263
• Pacote de energia para 220
• Pacote SOT-223 de 3 chapas
|
Parâmetro |
LM340T5 |
7805 |
|
Tensão de saída |
Fixado 5V |
Fixado 5V |
|
Faixa de tensão de entrada |
7V a 35V |
Semelhante, com pequenas variações na tolerância |
|
Saída Capacidade de corrente |
Até 1.5a |
Até 1.5a |
|
Tipo de pacote |
To-220 |
To-220 |
|
Variações -chave |
Especificações padrão com desempenho confiável |
Pequenas variações na tensão de abandono e térmica
desempenho |
|
Desempenho e funcionalidade |
Oferece saída 5V estável com desempenho semelhante ao 7805 |
Desempenho semelhante com o fabricante específico
diferenças |
|
Adequação do aplicativo |
Projeto de fonte de alimentação, eletrônica de consumo, industrial
Automação, Sistemas de Comunicação |
Projeto de fonte de alimentação, eletrônica de consumo, industrial
Automação, Sistemas de Comunicação |
|
Consideração do design |
A escolha pode depender de requisitos específicos de projeto e
Preferência do fabricante |
A escolha pode depender de requisitos específicos de projeto e
Preferência do fabricante |
O regulador de tensão LM340T5 ressalta a importância da entrega estável de energia em sistemas eletrônicos.Sua capacidade de fornecer saída consistente de 5V, juntamente com proteções térmicas e de sobrecorrente, a torna uma escolha confiável para aplicações que requerem desempenho confiável.Da eletrônica de consumo às máquinas industriais, o LM340T5 demonstra adaptabilidade em cenários variados, garantindo eficiência e durabilidade.Ao incorporar as melhores práticas em gerenciamento térmico e integração de componentes, você pode aproveitar completamente suas capacidades para projetar sistemas robustos e eficientes que se alinham às demandas modernas de sustentabilidade e confiabilidade.
Por favor, envie uma consulta, responderemos imediatamente.
O LM340T5 acomoda normalmente até 35 volts como sua tensão de entrada máxima.Essa capacidade permite que funcione de maneira eficaz em um espectro de condições.Ao manter a tensão de entrada dentro desse intervalo, é possível aumentar a estabilidade e a longevidade do dispositivo.
O LM340T5 se destaca por sua regulação confiável de carga e linha.Embora possa não corresponder à compactação e à eficiência energética de modelos mais recentes, sua acessibilidade, juntamente com a construção robusta, a torna uma opção favorável.Você que prioriza a simplicidade e a durabilidade em ambientes estáveis geralmente acham sua confiabilidade atraente.
De fato, o LM340T5 é versátil o suficiente para aparelhos operados por bateria.O gerenciamento atencioso de sua tensão de abandono e corrente inativa é importante, pois esses fatores podem impactar bastante a vida útil da bateria.Esse gerenciamento também determina a tensão mínima de entrada necessária para manter uma operação eficaz.
Os indicadores típicos de mau funcionamento do potencial LM340T5 abrangem saída de tensão irregular, problemas de superaquecimento, uma completa falta de tensão de saída e instabilidade ou ruído.Observação proativa e inspeção de rotina podem ajudar a identificar esses sinais mais cedo, evitando questões mais graves e quebras do sistema.
Para maximizar o desempenho do LM340T5, é aconselhável integrar os dissipadores de calor para regulação térmica proficiente.O alinhamento dos capacitores de entrada e saída com requisitos especificados aumenta a estabilidade.A manutenção da tensão de entrada adequada e a adoção de um layout de PCB redutora de ruído também é sugerida.O monitoramento regular e a manutenção contribuem para impedir complicações imprevistas e garantir confiabilidade sustentada em aplicações práticas.
em 27/11/2024
em 26/11/2024
em 18/04/8000 147758
em 18/04/2000 111958
em 18/04/1600 111349
em 18/04/0400 83725
em 01/01/1970 79510
em 01/01/1970 66928
em 01/01/1970 63078
em 01/01/1970 63017
em 01/01/1970 54086
em 01/01/1970 52153