




O ATMEGA16U2 é um microcontrolador de 8 bits conhecido por seu baixo consumo de energia e adaptabilidade devido à arquitetura RISC aprimorada do AVR.Esse design permite que instruções complexas sejam processadas em um único ciclo de relógio, permitindo um desempenho impressionante que pode atingir aproximadamente 1 MIPS por MHz.Esse equilíbrio entre eficiência de energia e velocidade de processamento facilita diversas aplicações, especialmente onde minimizar o uso de energia é uma prioridade.
Explorando ainda mais a arquitetura, a capacidade do AVR para a execução de instruções de ciclo único permite que você escreva código altamente eficiente.Isso se mostra vantajoso em contextos que exigem uma rápida tomada de decisão, como sistemas automotivos incorporados ou controles reais.A simplicidade do conjunto de instruções não apenas aumenta o desempenho, mas também facilita o processo de programação.Consequentemente, muitas vezes você pode experimentar uma curva de aprendizado mais gerenciável com o ATMEGA16U2, acelerando o ritmo de inovação e criação.
Aqui está a tabela que apresenta as especificações técnicas, atributos e parâmetros para a tecnologia de microchip ATMEGA16U2-AU.
|
Tipo |
Parâmetro |
|
Time de entrega da fábrica |
10 semanas |
|
Placar de contato |
Estanho |
|
Montar |
Montagem na superfície |
|
Tipo de montagem |
Montagem na superfície |
|
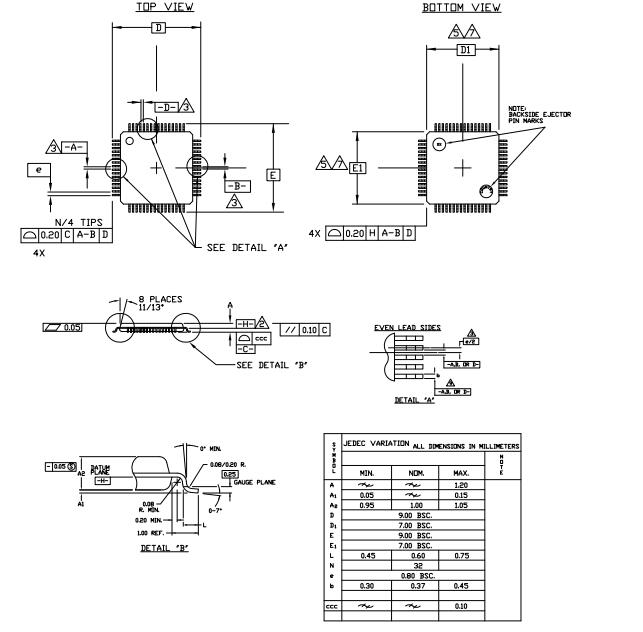
Pacote / caso |
32-TQFP |
|
Número de pinos |
32 |
|
Número de E/S. |
22 |
|
Watchdog Timers |
Sim |
|
Temperatura operacional |
-40 ° C ~ 85 ° C (TA) |
|
Embalagem |
Bandeja |
|
Série |
AVR® ATMEGA |
|
Publicado |
2007 |
|
Código JESD-609 |
E3 |
|
Código PBFree |
Sim |
|
Status da peça |
Ativo |
|
Nível de sensibilidade à umidade (MSL) |
3 (168 horas) |
|
Número de terminações |
32 |
|
Posição terminal |
Quad |
|
Forma terminal |
Asa de gaivota |
|
Temperatura de refluxo de pico (° C) |
260 |
|
Tensão de fornecimento |
5V |
|
Tom de terminal |
0,8 mm |
|
Freqüência |
16MHz |
|
Time @ Peak Refllow Temper |
40 |
|
Número da peça base |
ATMEGA16U2 |
|
Status de qualificação |
Não qualificado |
|
Interface |
Spi, serial, uart, USART, USB |
|
Tamanho da memória |
16kb |
|
Tipo de oscilador |
Interno |
|
Tamanho da RAM |
512 x 8 |
|
Tensão - suprimento (VCC/VDD) |
2.7V ~ 5,5V |
|
UPS/UCS/ICS periférico |
Microcontrolador, RISC |
|
Processador principal |
Avr |
|
Periféricos |
Detecto/redefinição de Brown-out, POR, PWM, WDT |
|
Tipo de memória do programa |
CLARÃO |
|
Tamanho do núcleo |
8 bits |
|
Tamanho da memória do programa |
16kb (8k x 16) |
|
Conectividade |
Spi, Uart/USART, USB |
|
Tamanho do bit |
8 |
|
Tem adc |
Não |
|
Canais DMA |
Não |
|
Data Bus Largura |
8b |
|
Canais DAC |
Não |
|
Número de temporizadores/contadores |
2 |
|
Tamanho da EEPROM |
512 x 8 |
|
Número de canais PWM |
5 |
|
Número de canais SPI |
1 |
|
Altura |
1,05 mm |
|
Comprimento |
7mm |
|
Largura |
7mm |
|
Alcance SVHC |
Sem svhc |
|
Status do ROHS |
ROHS3 compatível |
|
Chumbo livre |
Chumbo livre |
|
Número da peça |
ATMEGA16U2-AU |
AT90USB162-16AUR |
ATMEGA8U2-AU |
ATMEGA8U2-AUR |
|
Fabricante |
Microchip Technology |
Microchip Technology |
Microchip Technology |
Microchip Technology |
|
Pacote / caso |
32-TQFP |
32-TQFP |
32-TQFP |
32-TQFP |
|
Número de pinos |
32 |
32 |
32 |
32 |
|
Data Bus Largura |
8 b |
8 b |
8 b |
8 b |
|
Número de E/S. |
22 |
22 |
22 |
22 |
|
Interface |
Spi, serial, uart, USART, USB |
Spi, Uart, USART, USB |
Ebi/emi, spi, uart, USART, USB |
Ebi/emi, spi, uart, USART, USB |
|
Tamanho da memória |
16 kb |
8 kb |
16 kb |
8 kb |
|
Tensão de fornecimento |
5 v |
5 v |
4,5 v |
- |
|
Periféricos |
Detectar/redefinição marrom, redefinição de energia, E/S programável |
Detectar/redefinição marrom, redefinição de energia, E/S programável |
Detectar/redefinição marrom, redefinição de energia, E/S programável |
Detectar/redefinição marrom, redefinição de energia, E/S programável |
|
Recurso
Categoria |
Detalhes |
|
Essencial
|
Microcontrolador de 8 bits de alto desempenho e baixa potência |
|
Arquitetura |
Arquitetura RISC avançada |
|
- 125 Instruções poderosas - a maioria do ciclo de relógio único
Execução |
|
|
- 32 x 8 Registros de trabalho de uso geral |
|
|
- Operação totalmente estática |
|
|
- Até 16 MIPs de transferência a 16 MHz |
|
|
Memória |
-8k/16k/32k bytes de flash autoprogramável no sistema |
|
- 512/512/1024 EEPROM |
|
|
- 512/512/1024 SRAM interno |
|
|
- Escreva/apagar ciclos: 10.000 flash/100.000 EEPROM |
|
|
- Retenção de dados: 20 anos a 85 ° C / 100 anos a 25 ° C |
|
|
- Seção de código de inicialização opcional com bits de bloqueio independentes |
|
|
-Programação no sistema por programa de inicialização no chip |
|
|
-Operação verdadeira de leitura-while-write |
|
|
- Bloqueio de programação para segurança de software |
|
|
Módulo USB |
- Módulo de dispositivo de velocidade total USB 2.0 |
|
- cumpre totalmente a especificação de barramento serial universal
Rev 2.0 |
|
|
- 48 MHz PLL para operação de ônibus de velocidade total (12 Mbit/s) |
|
|
- 176 bytes USB DPRAM para alocação de memória de endpoint |
|
|
- endpoint 0 para transferências de controle (8 a 64 bytes) |
|
|
- 4 terminais programáveis |
|
|
- Instruções dentro ou fora |
|
|
- transferências a granel, interrupções e isocrônicas |
|
|
- Tamanho máximo programável do pacote (8 a 64 bytes) |
|
|
- buffer único ou duplo programável |
|
|
- suspender/retomar interrupções |
|
|
- Redefinir microcontrolador no USB BUS RESET |
|
|
- Desconexão de barramento USB sob solicitação de microcontrolador |
|
|
Recursos periféricos |
- Um temporizador/contador de 8 bits com pré-escaler separado e
Modo de comparação (dois canais PWM de 8 bits) |
|
- Um temporizador/contador de 16 bits com Prescaler, compare e
Modo de captura (três canais PWM de 8 bits) |
|
|
- UTART com o modo SPI Mestre e Fluxo de hardware
controle (RTS/CTS) |
|
|
- Interface serial de mestre/escravo |
|
|
- Timer de vigilância programável com o chip separado
Oscilador |
|
|
- Comparador analógico no chip |
|
|
- interromper e despertar na mudança de pino |
|
|
Depuração |
Interface de depuração no chip (Debugwire) |
|
Recursos especiais |
-Redefinição de potência e detecção programável marrom-out |
|
- oscilador calibrado interno |
|
|
- Fontes de interrupção externa e interna |
|
|
-Cinco modos de sono: ociosos, economizados, power-down,
Em espera, e estendido em espera |
|
|
E/S e pacotes |
- 22 linhas de E/S programáveis |
|
- Pacotes qfn32 (5x5mm) / tqfp32 |
|
|
Tensão operacional |
2.7 - 5.5V |
|
Temperatura operacional |
Industrial (-40 ° C a +85 ° C) |
|
Frequência máxima |
- 8 MHz a 2,7V (alcance industrial) |
|
- 16 MHz a 4,5V (alcance industrial) |

O microcontrolador ATMEGA16U2 se destaca por sua notável eficiência de energia, oferecendo alta funcionalidade e consome energia mínima.Essa qualidade o torna excepcionalmente adequado para dispositivos portáteis e operados por bateria, atendendo àqueles que valorizam a longevidade e a conveniência.Construída na tecnologia de memória de ponta, o microcontrolador visa o desempenho ideal, com ênfase na redução da perda desnecessária de energia.Esse recurso é principalmente atraente para aplicativos que requerem operação duradoura, permitindo que os dispositivos funcionem por longos períodos sem o incômodo de recarga frequente ou alteração de fontes de energia.
O apoio ao desenvolvimento orientado à comunidade adiciona outra camada atraente às vantagens do ATMEGA16U2.Equipado com um carregador de inicialização robusto, o sistema permite atualizações perfeitas para aplicativos, garantindo que as operações em andamento não sejam interrompidas.Uma vibrante comunidade global alimenta um extenso ecossistema de bibliotecas de software e ferramentas de desenvolvimento, acelerando o processo de prototipagem e a implantação de soluções inovadoras.Esse ambiente colaborativo nutre a troca de conhecimentos e recursos, fornecendo percepções cotidianas que enriquecem e elevam o desenvolvimento de aplicativos.
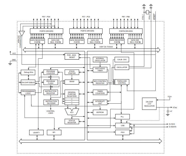
No centro da ATMEGA16U2, encontra -se uma CPU RISC integrada ao lado da memória flash do ISP, concedendo uma versatilidade incomparável que atende a uma ampla gama de sistemas incorporados.Essa integração capacita o microcontrolador a realizar tarefas complexas de computação, garantindo programação e execução simples.A arquitetura foi projetada especificamente para gerenciar operações e multitarefa exigentes computacionalmente, que desempenham um papel dinâmico em várias aplicações - dividindo -se de eletrônicos de consumo que aprimoram as experiências diárias à automação industrial que impulsionam a eficiência e a produtividade na força de trabalho.

A Microchip Technology Inc. surge como uma força proeminente nas soluções de controle incorporadas, refletindo uma dedicação à inovação que vai além de sua vasta seleção de ferramentas e ofertas de desenvolvimento.A organização possui uma infraestrutura robusta projetada para processos de design simplificados, facilitando efetivamente a implementação de produtos em vários setores.Operando de sua sede em Chandler, o Arizona, o Microchip orgulhosamente atende mais de 120.000 clientes em todo o mundo, destacando sua influência e reputação substanciais em vários setores.
O cenário do controle incorporado se transformou intensamente, com empresas inovadoras como Microchip liderando a carga nesses avanços tecnológicos.Seu portfólio diversificado abrange microcontroladores, bem como uma extensa seleção de periféricos, todos destinados a aumentar os recursos gerais do sistema.Essa rica coleção capacita você a personalizar soluções adaptadas às suas necessidades específicas, abrindo caminho para o desenvolvimento de aplicações que abrangem um amplo espectro - da eletrônica de consumo à automação industrial.
Por favor, envie uma consulta, responderemos imediatamente.
O ATMEGA16U2 é um microcontrolador CMOS de baixa potência e 8 bits, construído na arquitetura RISC aprimorada pela AVR.Esse design é elaborado com precisão para maximizar a eficiência de energia e a velocidade de processamento, alcançando cerca de 1 MIPS por MHz.Sua arquitetura se presta a aplicativos versáteis em vários campos, de sistemas incorporados a dispositivos de IoT.Notavelmente, o consumo eficiente de energia do ATMEGA16U2 desempenha um papel substancial no prolongar a vida útil de dispositivos operados por bateria.A interação entre desempenho e eficiência de energia reflete tendências mais amplas na tecnologia de microcontroladores, onde o objetivo é reduzir o uso de energia sem comprometer a velocidade.Esse equilíbrio pode influenciar as práticas modernas de design, especialmente em termos de sustentabilidade.
O dispositivo possui 32 pinos dedicados a uma ampla gama de funções de entrada/saída.Esses pinos são interfaces ativas para vincular o microcontrolador a outros componentes, incluindo sensores e atuadores.Ter uma configuração de pinos bem pensada pode melhorar significativamente o design de sistemas complexos, levando a uma melhor eficiência operacional.Por exemplo, a alocação estratégica de pinos permite multitarefa e aumenta a capacidade de resposta geral do sistema.A experiência mostra que o foco nas atribuições de pinos no início do processo de desenvolvimento pode evitar possíveis restrições de design, enfatizando o planejamento atencioso durante a execução do projeto.
O ATMEGA16U2 é apoiado por uma coleção diversificada de ferramentas de desenvolvimento, que incluem compiladores C, depuradores, emuladores de circuitos e kits de avaliação que ajudam no desenvolvimento do programa e do sistema.A utilização desses recursos pode acelerar consideravelmente a linha do tempo do desenvolvimento e aumentar a produtividade, promovendo uma abordagem de design iterativo.Notável é o uso prático dessas ferramentas em depuração e otimização de código, uma estratégia que se mostrou usada para gerenciar os meandros da programação incorporada.A sinergia dos recursos de software e hardware enfatiza uma abordagem abrangente de desenvolvimento, onde o uso de grupos de ferramentas extensos leva a soluções inovadoras e eficazes.Abraçar essas práticas pode aprofundar o entendimento do desempenho do sistema e abrir caminho para futuros avanços no design de tecnologia.
em 15/11/2024
em 15/11/2024
em 17/04/8000 147721
em 17/04/2000 111786
em 17/04/1600 111328
em 17/04/0400 83649
em 01/01/1970 79362
em 01/01/1970 66808
em 01/01/1970 62967
em 01/01/1970 62861
em 01/01/1970 54050
em 01/01/1970 52032