
O BF245 é utilizado principalmente para amplificar sinais nas bandas VHF, UHF e frequências de áudio.Com atributos de alto ganho e baixo ruído, ele amplifica adepto de pequenos sinais enquanto minimiza a interferência de ruído.
A série, incluindo BF245, BF245A, BF245B e BF245C, mostram características elétricas distintas, principalmente na tensão da fonte de porta e corrente de drenagem de tensão de porte zero.Essas diferenças atendem a aplicações específicas, oferecendo versatilidade na otimização de projetos de circuitos para diversas necessidades de amplificação de sinal.A eficácia nas bandas VHF e UHF é notável devido à sua capacidade de gerenciar e ampliar sinais mais fracos, aumentando a clareza e a força do sinal, básico para sistemas de transmissão e comunicação.
Em aplicações de frequência de áudio, o BF245 se destaca preservando a integridade do sinal e minimizando a distorção, usada em equipamentos de áudio de alta fidelidade.Sua capacidade de filtrar o ruído garante saída de áudio mais limpa.Comparado a transistores semelhantes, o equilíbrio do BF245 entre alto ganho e baixo ruído o torna uma escolha popular.Muitas vezes, você pode preferir esse componente por sua robustez e confiabilidade em ambientes exigentes.

|
ALFINETE |
SÍMBOLO |
DESCRIÇÃO |
|
1 |
g |
Portão |
|
2 |
s |
Fonte |
|
3 |
d |
Ralo |



|
Recurso |
Especificação |
|
Tipo de pacote |
Para 92 |
|
Tipo de transistor |
N canal jfet |
|
Tensão de fonte de drenagem |
30V (máximo) |
|
Tensão de portão de drenagem |
30V (máximo) |
|
Tensão de fonte de portão reversa |
–30V (máximo) |
|
Corrente de drenagem contínua |
25mA (máximo) |
|
Tensão de corte de fonte de porta |
-0,5V a –0V |
|
Dissipação de energia |
300mW (máximo) |
|
Armazenamento e temperatura operacional |
-55 ° C a +150 ° C. |
|
Nível de ruído e ganho |
Baixo ruído e alto ganho |
|
Frequência operacional |
Até 700 MHz |
|
Drenar e intercambiedade de drenagem |
Sim |
Aqui está a tabela de especificação técnica para o semicondutor BF245B JFET.
|
Tipo |
Parâmetro |
|
Status do ciclo de vida |
Obsoleto |
|
Últimos remessas |
Última atualização: 1 semana atrás |
|
Montar |
Através do buraco |
|
Pacote / caso |
TO-226-3, para 92-3 (TO-226AA) |
|
Número de pinos |
3 |
|
Peso |
200 mg |
|
Tensão de quebra / v |
-30 v |
|
Número de elementos |
1 |
|
Embalagem |
Volume |
|
Publicado |
2009 |
|
Código JESD-609 |
E0 |
|
Código PBFree |
Não |
|
Status da peça |
Obsoleto |
|
Nível de sensibilidade à umidade (MSL) |
1 (ilimitado) |
|
Número de terminações |
3 |
|
Código ECCN |
Ear99 |
|
Acabamento terminal |
Estanho/chumbo (sn/pb) |
|
Temperatura de operação máxima |
150 ° C. |
|
Min Temperatura de operação |
-55 ° C. |
|
Código HTS |
8541.21.00.75 |
|
Tensão - DC nominal |
30 v |
|
Classificação atual (amplificadores) |
100 ma |
|
Dissipação máxima de energia |
350 MW |
|
Posição terminal |
Fundo |
|
Temperatura de refluxo de pico (° C) |
240 |
|
Código de conformidade de alcance |
Não é compatível |
|
Classificação atual |
10 MA |
|
Time@pico reflow temp-max (s) |
30 |
|
Número da peça base |
BF245 |
|
Contagem de pinos |
3 |
|
Status de qualificação |
Não qualificado |
|
Configuração do elemento |
Solteiro |
|
Modo de operação |
Modo de esgotamento |
|
Dissipação de energia |
350 MW |
|
Aplicação do transistor |
Amplificador |
|
Escorra para a tensão de origem (VDSS) |
15 v |
|
Tipo de transistor |
N-canal JFET |
|
Corrente de drenagem contínua (ID) |
15 MA |
|
Portão para a tensão de origem (VGs) |
-30 v |
|
Drene a corrente-max (ABS) (ID) |
0,1 a |
|
Drenar para a tensão de decomposição da fonte |
30 v |
|
Tecnologia FET |
Junção |
|
Banda de frequência mais alta |
Ultra Alta Frequência B |
|
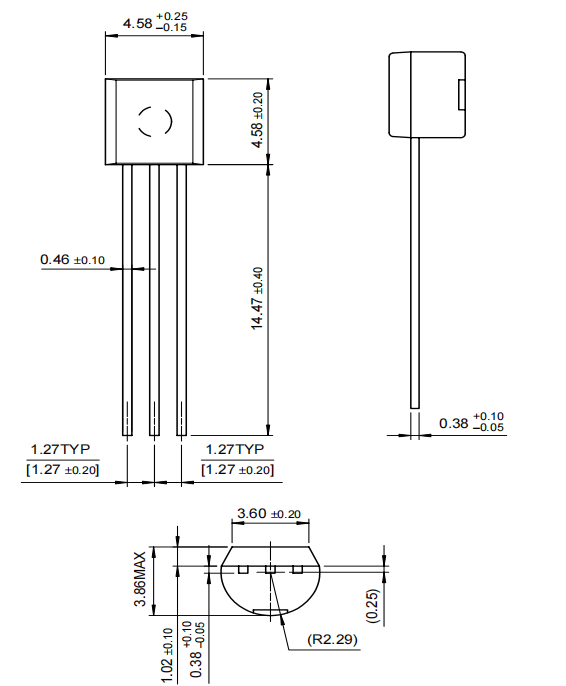
Altura |
4,58 mm |
|
Comprimento |
4,58 mm |
|
Largura |
3,86 mm |
|
Status do ROHS |
Compatível não-RHS |
|
Chumbo livre |
Chumbo livre
|
• BF245C
• 2N5457
• 2SK117
• MPF102
• 2N5458
• BF244A
• BF256A
• J113
• 2N3819
• 2N4416
• 2N5638
• 2SK162
O BF245 encontra uso extensivo em sinais de amplificação de VHF (muito alta frequência) e UHF (ultra alta frequência).Essas frequências desempenham um papel na comunicação de rádio, na transmissão de televisão e nos dispositivos sem fio, exigindo amplificação detalhada para manter a clareza do sinal.Você pode explorar configurações sofisticadas para melhorar o desempenho, contemplando desafios como distorção de sinal e gerenciamento de ruído.Essa busca geralmente se alinha com a satisfação emocional de alcançar a excelência técnica.
Este transistor desempenha um papel na criação de osciladores de RF, que geram sinais de frequência estável e precisos.Seu recurso de baixo ruído enriquece a qualidade dos sinais de saída, um fator estimado nos círculos de telecomunicações e transmissão.Você pode investir o esforço emocional e intelectual para minimizar a distorção harmônica, preservando a estabilidade da frequência, obtendo insights de experiências práticas para ajustar os parâmetros do circuito.
No domínio da amplificação de áudio, o BF245 fornece suporte confiável para sinais de áudio de baixa potência.Seu papel nos circuitos de áudio garante distorção mínima, tornando-o adequado para sistemas de áudio de alta fidelidade.A arte de equilibrar o consumo de energia com o desempenho se torna uma tarefa exata, você pode desfrutar de refinar para aprimorar a experiência auditiva, informada pela experiência prática em influenciar corretamente o transistor.
Para o processamento de sinal de baixo nível, geralmente visto nos instrumentos analíticos e de medição, o BF245 demonstra seu valor.O manuseio de sinais fracos garante que a integridade dos dados.Trabalhar com esse transistor em áreas como monitoramento ambiental e engenharia biomédica se torna uma exploração de personalização de circuitos para atender às necessidades precisas de medição, desfrutando do engajamento intelectual que isso implica.
O BF245 aumenta os circuitos do sensor, amplificando sinais fracos de diversos sensores.Seja em temperatura, pressão ou detecção de umidade, esse transistor fornece amplificação estável, facilitando a interpretação precisa dos dados do sensor.Você pode procurar refinar os circuitos de sensores, concentrando -se em minimizar os tempos de resposta e aumentar a sensibilidade, enquanto aprecia o desempenho consistente do BF245 em diferentes condições.

No semicondutor, serve o setor de semicondutores com uma variedade diversificada de produtos.A empresa é especializada em gerenciamento de energia e sinais, componentes lógicos e dispositivos discretos e personalizados, como aplicações automotivas, comunicações, computação, consumidor, industrial, LED, médicos, militares/aeroespaciais e de energia.On Semiconductor opera uma extensa rede na América do Norte, Europa e Ásia -Pacífico.A empresa está sediada na vibrante cidade de Phoenix, Arizona, um centro que alimenta seu espírito inovador.
Titulares de bateria cilíndrica.pdf
Por favor, envie uma consulta, responderemos imediatamente.
em 29/10/2024
em 29/10/2024
em 18/04/8000 147767
em 18/04/2000 111994
em 18/04/1600 111351
em 18/04/0400 83758
em 01/01/1970 79555
em 01/01/1970 66952
em 01/01/1970 63098
em 01/01/1970 63028
em 01/01/1970 54095
em 01/01/1970 52176