
O BTA16 A série TRIAC serve uma ampla variedade de aplicações de comutação CA, estendendo seu alcance entre setores como relés estáticos, regulação de aquecimento e circuitos de controle motor.A série oferece flexibilidade com pacotes de orifício e montagem de superfície, atendendo a diferentes necessidades de hardware.Embora frequentemente usado nos cenários de controle On/Off, ele também se ajusta suavemente às tarefas de controle de fase em dimmers e controladores de velocidade do motor.As versões com um circuito de amortecedor aumentam as habilidades de comutação, proporcionando uma vantagem distinta ao gerenciar cargas indutivas como motores e transformadores.Além disso, o BTA16 contém uma guia isolada, concedendo maior isolamento elétrico que aumenta a segurança e eleva o desempenho.
A versatilidade da série BTA16 TRIAC permite que ela seja efetivamente utilizada em inúmeras aplicações.Nos relés estáticos, garante operação consistente em diversas condições de circuito, otimizando assim a eficiência.Os circuitos de regulação do aquecimento se beneficiam de seu forte desempenho, alcançando o gerenciamento preciso da temperatura.Nos circuitos de controle do motor, o BTA16 facilita mais do que apenas as tarefas ON/OFF, fornecendo modulação de velocidade dinâmica para atender às demandas avançadas de automação.Em aplicações que requerem controle de fase, como dimmers e reguladores de velocidade do motor, a série BTA16 TRIAC se destaca.Esse processo exige ajuste meticuloso de fluxo de energia, algo que o BTA16 executa com precisão notável.Essa precisão é aprimorada nas versões equipadas com amortecedor, que lidam com características reativas de cargas indutivas, como motores e transformadores.Essa capacidade promove o desempenho constante, reduz as pula de energia e estende a longevidade dos componentes conectados.



|
Recurso |
Descrição |
|
Triac de corrente média |
Adequado para aplicações que requerem corrente média
manuseio |
|
Baixa resistência térmica com ligação de clipe |
Garante dissipação de calor eficiente |
|
Cerâmica de isolamento de baixa resistência térmica |
Fornece isolamento aprimorado para a série BTA isolada |
|
Alta capacidade de comutação |
Disponível em 4-quadrante (4T) ou muito alto 3-quadrante (3q,
Variantes de Snutberless ™) |
|
Certificado Ul1557 |
Certificado sob os padrões UL1557 (arquivo ref: 81734) |
|
ROHS compatível |
Os pacotes estão em conformidade com a Diretiva ROHS (2002/95/EC) |
|
Guia isolada |
Classificado para isolamento de 2500 VRMS para a série BTA |
Aqui está a tabela de especificações técnicas para o stmicroelectronics BTA16-700BRG.
|
Tipo |
Parâmetro |
|
Time de entrega da fábrica |
11 semanas |
|
Placar de contato |
Estanho |
|
Montar |
Através do buraco |
|
Tipo de montagem |
Através do buraco |
|
Pacote / caso |
To-220-3 |
|
Número de pinos |
3 |
|
Número de elementos |
1 |
|
Temperatura operacional |
-40 ° C a 125 ° C (TJ) |
|
Embalagem |
Tubo |
|
Código JESD-609 |
E3 |
|
Código PBFree |
Sim |
|
Status da peça |
Ativo |
|
Nível de sensibilidade à umidade (MSL) |
1 (ilimitado) |
|
Número de terminações |
3 |
|
Recurso adicional |
UL reconhecido |
|
Tensão - DC nominal |
700V |
|
Classificação atual |
16a |
|
Número da peça base |
BTA16 |
|
Contagem de pinos |
3 |
|
Configuração |
Solteiro |
|
Conexão de caso |
Isolado |
|
Tensão reversa repetitiva máxima (VRRM) |
700V |
|
Código JEDEC-95 |
TO-220AB |
|
RMS atual (IRMS) |
16a |
|
Mantenha a corrente |
50mA |
|
TIPO DE DISPOSITIVO ATRIGADO |
Triac de nível lógico de 4 quadrante |
|
Tensão - gatilho de porta (VGT) (max) |
1.3V |
|
Corrente - não Rep. Surge 50, 60Hz (ITSM) |
160A, 168A |
|
Corrente - gatilho de portão (IGT) (max) |
50mA |
|
Corrente de vazamento (max) |
2m |
|
Taxa crítica de aumento da tensão-min de estado fora |
400V/EUA |
|
Tipo Triac |
Padrão |
|
Taxa crítica de aumento da tensão de comutação-min |
10V/EUA |
|
Endurecimento da radiação |
Não |
|
Status do ROHS |
ROHS3 compatível |
|
Chumbo livre |
Chumbo livre |

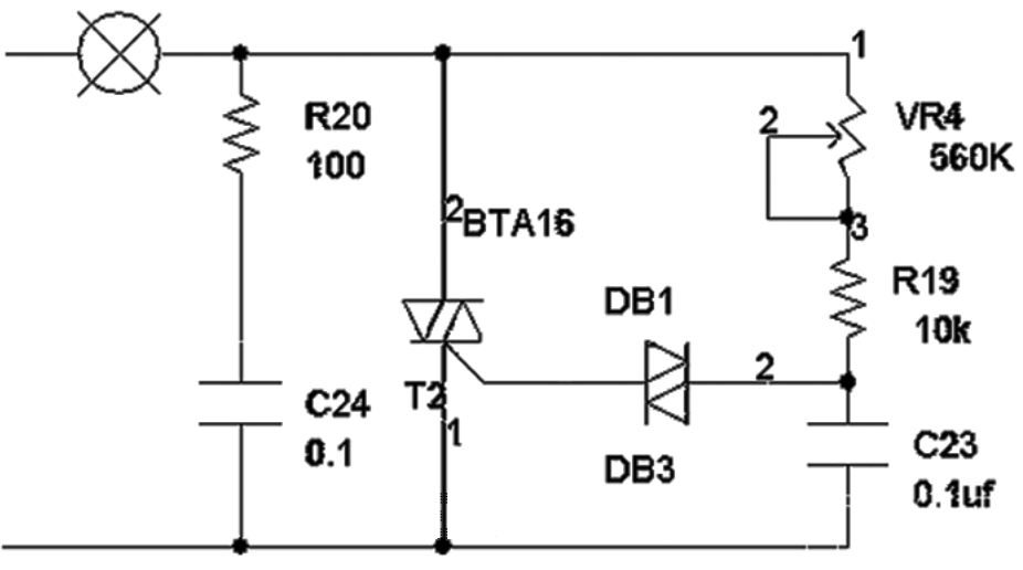
Um circuito padrão de escurecimento TriAC usando o BTA16 TRIAC manipula o tempo de carga de um capacitor para ajustar o nível de escurecimento de uma lâmpada conectada.Ao empregar um resistor variável (VR4) ao lado de um capacitor (C23), o circuito sintoniza a duração do carregamento, definindo assim o momento de disparo do TRIAC.Com uma tensão de 220V, o ajuste do comprimento da carga altera o brilho da lâmpada;O carregamento estendido ilumina mais brilhantemente.

Dentro deste sistema de escurecimento, os componentes VR4 e R19 governam o tempo de cobrança do capacitor C23.Uma vez que a tensão no C23 gira em aproximadamente 33V, o triac se envolve, lançando luz.Posteriormente, o tiristor DB1 facilita o fluxo de corrente através da lâmpada.Quando a corrente cessa, a escuridão retorna e a sequência começa novamente.A duração do ciclo é crucial, pois intervalos de carga mais curtos produzem luz mais escura, enquanto cargas prolongadas aumentam o brilho.
Componentes de grau premium, como resistores de precisão e capacitores com níveis mínimos de tolerância, fortificam a estabilidade e a previsão do escurecimento do circuito.Abordar a questão do calor do TRIAC também se mostra vantajoso - temperaturas excessivas podem impedir a durabilidade e a confiabilidade do circuito.A introdução de dissipadores de calor adequados e garantir a ventilação adequada ajuda a contornar os desafios do superaquecimento.A utilização dos circuitos de escurecimento à base de TRIAC reduz significativamente o uso de energia e facilita transições suaves de intensidade de luz, alcançando um equilíbrio entre eficiência energética e conforto.Essa abordagem atraente ressoa bem nos cenários de iluminação residencial e comercial devido aos seus resultados econômicos e eficazes.
|
Número da peça |
Descrição |
Fabricante |
|
BTB16-700C |
700V, 16A, 4 quadrante no nível lógico triac, to-220ab,
Pacote de plástico-3 |
Stmicroelectronics |
|
BTA16-700B |
700V, 16A, 4 quadrante no nível lógico triac, to-220ab,
Plástico, isolado para 220ab, 3 pinos |
Stmicroelectronics |
|
BTB16-700CRG |
700V, 16A, 4 quadrante no nível lógico triac, to-220ab,
TO-220AB, 3 pinos |
Stmicroelectronics |
|
Q7015R6 |
Alternista Triac, 700V V (DRM), 15A I (T) RMS, TO-220AB |
Littelfuse inc |
|
BTB16-700CW |
700V, 16A, Triac sem assaltante, to-220ab, pacote de plástico-3 |
Stmicroelectronics |
|
BTB16-700SWRG |
700V, 16A, 4 quadrante no nível lógico triac, to-220ab,
TO-220AB, 3 pinos |
Stmicroelectronics |
|
BTB16-700SW |
700V, 16A, 4 quadrante no nível lógico triac, to-220ab,
Pacote de plástico-3 |
Stmicroelectronics |
|
BTB16-700BW/F5 |
700V, 16A, Triac sem assalto, TO-220AB, TO-220, 3 pinos |
Stmicroelectronics |
|
Q7015L6 |
Alternista Triac, 700V V (drm), 15a i (t) rms, to-220ab,
Isolado para 220AB, thermotab-3 |
Littelfuse inc |
A série BTA16 é proeminente em relés estáticos e dimmers leves, facilitando a comutação precisa e o controle de fase.Esses elementos são importantes para alcançar uma operação estável de sistemas de iluminação, ajustando a tensão entregue aos acessórios.Consequentemente, essa função leva à conservação de energia e estende a vida útil do equipamento de iluminação.
Nos sistemas de controle motor, incluindo iniciantes de motor de indução e reguladores de velocidade, a série BTA16 oferece resultados notáveis.Em ambientes industriais, onde a regulamentação de velocidade ajustada e a start-up suave estão ativas para prevenir o estresse mecânico, esses componentes são altamente valorizados.A série BTA16 é estimada por sua capacidade de sustentar o desempenho motor ideal enquanto diminui o desgaste mecânico.
No mundo das aplicações de comutação de CA (corrente alternada), a série BTA16 se destaca em fornecer controle de energia confiável e preciso.Seja em eletrodomésticos ou máquinas industriais, a série garante uma operação segura e eficaz de sistemas elétricos.Seu design resistente minimiza o tempo de inatividade e a manutenção, aumentando assim a confiabilidade do sistema.
Apresentando excelente desempenho de comutação, a série BTA16 é adepta de gerenciar cargas resistivas e indutivas.Oferece operação consistente em várias condições, uma prova de seu significado nos circuitos eletrônicos.Sua capacidade de gerenciar com eficiência diversos tipos de carga destaca sua adaptabilidade e aplicabilidade ampla.

A Stmicroelectronics nasceu da fusão da Itália SGS Microelettronica e dos semicondutores Thomson da França em 1987, marcando seu lugar na paisagem dinâmica de semicondutores.A sede brilhantemente posicionada em Genebra, na Suíça, esta empresa amplia sua influência através de uma variedade estratégica de escritórios que abrangem os Estados Unidos, Ásia e China.Esta Web internacional permite que a Stmicroelectronics crie soluções inovadoras e ofereça suporte técnico especializado a uma ampla gama de indústrias em todo o mundo, provocando avanços e promovendo a conectividade.
Dentro de sua oferta ilustre, a série BTA16 se destaca como um testemunho da dedicação da Stmicroelectronics à excelência em semicondutores.Esta série reflete seu domínio na criação de TRIACs, projetada para prosperar em diversas aplicações e suportar condições desafiadoras.Sua linha de produtos diversificada inclui microcontroladores, dispositivos analógicos, sensores e sistemas de gerenciamento de energia, cumprindo papéis substanciais em campos contemporâneos, como eletrônicos automotivos, industriais e de consumo.
Por favor, envie uma consulta, responderemos imediatamente.
A distinção entre BTA16-800C e BTA16-800B fica no circuito de gatilho IGT.BTA16-800B apresenta um IGT<50mA, while BTA16-800C is endowed with an IGT<25mA, making its parameters more favorable. These models share STMicroelectronics (ST) lineage, with nomenclature as follows B for Bi-directional, indicating dual direction capability, A' for insulation; 'B' denotes non-insulation, 16' signifies a 16A current capacity, and 800' signifies a voltage rating of 800V
Embora o BTA16-600B possa corresponder às métricas de desempenho do BTB16-600B, existem diferenças mecânicas.O dissipador de calor do BTA16-600B carece de uma conexão de pé médio, enquanto o BTB16-600B integra essa conexão.Para configurações sem dissipador de calor, a substituição é viável.No entanto, com um dissipador de calor, especialmente quando vários tiristores são empregados, garanta conexão lógica adequada ou resolva problemas de isolamento com os materiais adequados.
A intercambiabilidade existe, mas adere aos protocolos originais de isolamento de circuito: 'a' para versões isoladas, enquanto 'b' é para não isolado.
Disponível em embalagens de montagem no orifício e na superfície.
Os desprezos são principalmente hábeis em tais aplicações.
Avaliado em 2500V RMS.
em 07/11/2024
em 07/11/2024
em 18/04/8000 147757
em 18/04/2000 111934
em 18/04/1600 111349
em 18/04/0400 83719
em 01/01/1970 79508
em 01/01/1970 66895
em 01/01/1970 63010
em 01/01/1970 63000
em 01/01/1970 54081
em 01/01/1970 52116