
UM amplificador diferencial é uma parte central de muitos sistemas analógicos.Sua principal função é amplificar a diferença de tensão entre dois sinais de entrada, ignorando qualquer tensão comum a ambos.Essa amplificação seletiva é o que a torna tão útil em ambientes barulhentos.Quando a interferência como o ruído eletromagnético ou a linha de potência Hum afeta ambos os entradas igualmente, o amplificador o cancela efetivamente.
Essa habilidade é chamada de rejeição de modo comum.Uma alta taxa de rejeição de modo comum (CMRR) garante que o amplificador se concentre apenas na verdadeira diferença de sinal, o que ajuda a preservar a precisão.Por exemplo, em equipamentos médicos como máquinas ECG, os sinais elétricos do coração são pequenos e muitas vezes enterrados em ruído.Um amplificador diferencial extrai esses sinais de maneira limpa, permitindo leituras confiáveis.O mesmo princípio se aplica em sistemas industriais ou de áudio, onde a precisão e a resistência ao ruído são importantes.
Quando os sinais viajam longas distâncias, como através de cabos de pares torcidos nos sistemas de aquisição de dados, ambos os fios captam interferências semelhantes.O amplificador diferencial cancela esse ruído compartilhado e amplifica apenas a diferença de sinal útil.Por esse motivo, é um componente essencial nos eletrônicos de precisão usados em tudo, desde interfaces de sensor até áudio de alta fidelidade.
Um amplificador operacional, abreviado para amplificador operacional, é uma parte eletrônica que pode aumentar muito os sinais de tensão.Possui dois pinos de entrada: um é chamado de entrada sem inversão (marcada com um "+"), e o outro é a entrada invertida (marcada com um "-").O amplificador operacional compara as tensões nessas duas entradas e fornece uma saída com base na diferença entre elas.Por si só, um amplificador operacional tem um ganho muito alto, o que significa que até uma pequena diferença de tensão entre as duas entradas pode levar a saída ao seu nível máximo ou mínimo.Isso o torna muito sensível para a maioria dos usos.Para corrigir isso, adicionamos algo chamado feedback negativo, é quando parte da saída é enviada de volta à entrada invertida através de resistores.Isso ajuda o amplificador operacional a manter a saída em um nível constante e útil.Os resistores controlam o quanto o amplificador operacional amplifica a diferença entre as duas entradas.

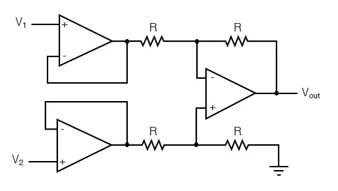
Figura 2. AMPs operacionais na amplificação diferencial
A figura mostra uma configuração especial chamada amplificador diferencial, às vezes chamado de amplificador de diff para abreviação.Ele usa quatro resistores (r₁, r₂, r₃ e r₄) e dois sinais de entrada: v₁ e v₂.O amplificador operacional analisa como V₁ e V₂ são diferentes e fornece uma tensão de saída V₀ que se baseia nessa diferença.Esse tipo de circuito é ótimo em captar a diferença entre dois sinais, ignorando qualquer ruído ou sinais indesejados que sejam iguais nas duas entradas.É por isso que é usado em itens como circuitos de sensores, sistemas de áudio e ferramentas de medição, onde você precisa de sinais claros e precisos.
Para fazer um amplificador diferencial que funcione de maneira clara e confiável, use uma configuração equilibrada com quatro resistores.O diagrama mostra como isso é feito usando um amplificador operacional (amplificador operacional), duas tensões de entrada (v₁ e v₂) e quatro resistores: R1, R2, R3 e R4.

Figura 3. Circuito de amplificador diferencial com rede de resistores simétricos
Neste circuito, a primeira tensão de entrada, v₁, é enviada através do resistor R1 para a entrada invertida do amplificador operacional (marcado com um sinal de menos).A segunda tensão de entrada, V₂, passa pelo resistor R3 para a entrada não inversora (marcada com um sinal de mais).Em seguida, o resistor R2 conecta a entrada invertida ao solo e o resistor R4 conecta a saída do amplificador operacional à entrada invertida.Esse loop de feedback ajuda o OP-AMP a controlar a saída e manter a diferença entre as duas entradas estáveis.
A principal idéia desse amplificador é medir a diferença entre v₂ e v₁ e multiplicar essa diferença por uma certa quantidade, isso é chamado de ganho.O ganho é definido escolhendo os valores corretos do resistor.Se R1 e R3 tiverem o mesmo valor, e R2 e R4 também tiverem o mesmo valor, o circuito funcionará bem e fornecerá uma saída limpa e precisa.Ter resistores iguais é muito importante.Quando os resistores são comparados, o circuito pode ignorar qualquer ruído ou interferência que seja o mesmo nas duas linhas de entrada.Isso é chamado de rejeição de modo comum e ajuda a manter o sinal de saída limpo.Se os resistores não forem bem correspondidos, o circuito poderá deixar sinais indesejados, o que pode atrapalhar a saída.
Para evitar isso, use resistores de alta precisão que tenham um valor muito próximo, geralmente dentro de 0,1% um do outro.Em designs mais avançados, como os encontrados dentro dos microchips, os valores do resistor são cuidadosamente ajustados usando o corte a laser para garantir que tudo esteja equilibrado.Em outros casos, pense também na temperatura, porque o calor pode mudar a forma como os resistores se comportam.Portanto, eles tentam escolher resistores que não são afetados muito pela temperatura ou os organizam de uma maneira que mantém as coisas estáveis.Esse tipo simples de amplificador diferencial é frequentemente usado como ponto de partida para sistemas mais complexos, como amplificadores de instrumentação.Esses circuitos usam peças extras para melhorar ainda mais o desempenho, especialmente ao trabalhar com sinais muito pequenos em ambientes barulhentos.
O ganho de um amplificador diferencial é uma medida de quanto o circuito aumenta a diferença entre as duas tensões de entrada, v₁ e v₂.Em outras palavras, Gain nos diz quanto maior a saída será comparada à diferença entre os sinais de entrada.Esse ganho é definido pelos resistores no circuito especificamente, comparando os valores dos resistores de entrada e os resistores de feedback.Se definirmos os resistores de maneira equilibrada, calcular o ganho se tornará muito simples.Digamos que o R1 é o mesmo que o R3 e o R2 é o mesmo que o R4.Esse tipo de configuração é chamado simétrico e ajuda o circuito a funcionar com mais precisão.Nesse caso, a fórmula para o ganho do amplificador se parece com o seguinte:

Essa fórmula significa que o amplificador pega a diferença entre v₂ e v₁ e a multiplica pelo número que você recebe quando divide R2 por R1.Portanto, se o R2 for duas vezes maior que o R1, a saída será duas vezes a diferença entre v₂ e v₁.
Aqui está um exemplo:
Se v₂ = 3 volts e v₁ = 1 volt, a diferença é de 2 volts.
Se R2 for 10kΩ e R1 for 5kΩ, o ganho é 10k / 5k = 2.
Portanto, a tensão de saída será 2 × 2 = 4 volts.
Se você fizer todos os quatro resistores iguais (r1 = r2 = r3 = r4), o ganho se tornará 1. Isso significa que o amplificador não altera o tamanho da diferença, ele apenas passa a diferença para a saída como é.Isso é útil quando você deseja medir ou passar um sinal sem torná -lo mais forte.Às vezes, porém, você precisa que a saída seja mais forte, especialmente se os sinais de entrada forem muito pequenos.Para fazer isso, você pode tornar R2 e R4 maior que R1 e R3.Isso aumenta o ganho e aumenta o sinal de saída.Por exemplo, se o R2 for dez vezes maior que o R1, o ganho é 10 e a saída é dez vezes a diferença de entrada.
Mas o aumento do ganho também tem desvantagens.Um ganho alto também pode fazer sinais indesejados, como ruído ou interferência, mais fortes.Pode até fazer pequenos erros de tensão parecerem grandes.Isso pode tornar a saída do amplificador barulhenta ou imprecisa.Portanto, é importante escolher cuidadosamente os valores do resistor; portanto, o ganho é alto o suficiente para ver o sinal claramente, mas não tão alto que causa problemas.Além disso, os amplificadores operacionais não são perfeitos.Eles podem ter pequenos erros internos que mudam a maneira como o circuito funciona.Por exemplo, o amplificador operacional pode produzir uma pequena saída, mesmo quando as entradas são exatamente as mesmas.Isso é chamado de tensão de deslocamento.Outro problema comum é a corrente de polarização, que é uma pequena corrente que flui para os pinos de entrada e pode alterar as tensões ligeiramente.Para corrigir ou reduzir esses problemas, ajuste o circuito depois de construí-lo (chamado de corte), adicione componentes extras para cancelar erros (nulo com deslocamento) ou use amplificadores operacionais especiais projetados para serem muito precisos e estáveis..
Um amplificador diferencial básico é um circuito simples e útil.Aumenta (amplifica) a diferença entre duas tensões de entrada e ignora qualquer coisa que seja a mesma em ambos.Mas esse design simples tem um problema quando se conecta a fontes de sinal fraco ou de alta impedância (como alguns sensores).A questão vem da entrada invertida do amplificador.Devido à forma como o circuito funciona, essa entrada atua como um terreno virtual, o que significa que ele pode extrair a corrente da fonte de sinal.
Se a fonte do sinal não puder fornecer muita corrente como alguns sensores ou circuitos delicados, isso pode alterar o sinal.O sinal pode ficar menor (mais fraco) ou distorcido, o que significa que o amplificador fornece um resultado errado.Para corrigir isso, use seguidores de tensão, também chamados de amplificadores de buffer, em cada entrada.Esses são circuitos amplificadores especiais que não aumentam a tensão, mas têm uma impedância de entrada muito alta e uma baixa impedância de saída.Isso significa que eles não desenham muita corrente da fonte de sinal, então o sinal permanece o mesmo.O buffer passa o sinal sem alterá -lo.Quando você adiciona esses seguidores de tensão ao amplificador diferencial, você obtém um circuito melhor chamado de um amplificador de instrumentação de três operações.Esta nova versão tem uma impedância de entrada muito alta, por isso funciona bem com sinais fracos.
Você também pode definir o ganho (quanto o sinal é amplificado) usando resistores externos.Também bloqueia bem o ruído e fornece um sinal limpo e preciso.Esses amplificadores aprimorados são usados em trabalhos precisos, como ler pequenos sinais de termistores, medidores ou sensores médicos.Esses sinais geralmente são muito pequenos (como microvolts) e precisam ser amplificados claramente, mesmo em lugares barulhentos.Para garantir que o amplificador funcione da melhor maneira possível, o design físico do circuito também é importante.Muitos usam truques de layout especiais, como proteger partes do circuito para bloquear sinais indesejados e manter os fios curtos para evitar problemas com capacitância indesejada.Isso ajuda o amplificador a funcionar bem, mesmo com sinais muito pequenos ou rápidos.

Figura 4. amplificador de instrumentação de três OP-AMP com buffers de entrada
A figura exibe um amplificador de instrumentação de três OP-AMP.Os dois primeiros amplificadores operacionais atuam como buffers, recebendo os sinais de entrada V1 e V2 e encaminhando-os sem extrair corrente das fontes.Esses sinais tamponados passam pelos resistores e convergem no terceiro amplificador operacional, que serve como um amplificador diferencial.Este estágio final subtrai uma entrada do outro para produzir a tensão de saída VOUT.Essa configuração aprimora a integridade do sinal e é adequada para lidar com sinais fracos ou sensíveis com segurança.
Em alguns circuitos, usamos um tipo de amplificador chamado um amplificador diferencial sem qualquer feedback.Quando fazemos isso, ele se torna um comparador.Um comparador é um dispositivo que verifica rapidamente qual das duas tensões é maior.Uma vez que faz a comparação, ele altera sua saída para uma tensão alta ou baixa, quase como um interruptor simples.Esse tipo de comportamento interno ou off é muito útil em sistemas digitais e circuitos de controle automático.Um exemplo é um detector de cruzamento zero.Ele observa um sinal CA (corrente alternada) e altera sua saída sempre que o sinal passa por zero volts.Isso é útil no tempo e no controle de coisas que dependem da fase do sinal.
Os comparadores também são importantes em dispositivos chamados conversores analógicos para digitais (ADCs).Esses conversores alteram os sinais (como som ou temperatura) em números digitais que os computadores podem entender.O comparador ajuda a comparar a mudança de sinal com uma tensão de referência fixa.Embora os amplificadores operacionais regulares (amplificadores operacionais) possam funcionar como comparadores em circuitos simples, existem chips de comparador especiais feitos apenas para este trabalho.Esses chips especiais são mais rápidos e precisos.Eles também podem incluir recursos extras, como a histerese (o que ajuda a evitar alternar com muita frequência devido a pequenas alterações ou ruídos) e saídas de colecionamento aberto (o que facilita a conexão aos circuitos digitais).

Figura 5. Circuito do comparador usando uma configuração de Wheatstone Bridge
A figura ilustra um circuito comparador com uma configuração clássica de Wheatstone Bridge.Quatro resistores iguais r formam a rede da ponte, criando uma condição equilibrada quando todos os componentes são simétricos e a entrada está em 0 volts.As tensões dos braços da ponte, rotuladas V1 e V2, são alimentadas nas entradas inversoras e não inversoras de um comparador, respectivamente.Sob condições equilibradas, V1 e V2 são iguais, resultando em uma saída zero.Qualquer desequilíbrio na ponte, como uma alteração em um resistor devido a temperatura ou tensão, produzirá uma diferença de tensão entre V1 e V2, fazendo com que o comparador mude sua saída de acordo.
Os comutadores sensíveis à luz são aplicações de amplificadores diferenciais que permitem o controle automático de dispositivos elétricos em resposta a diferentes níveis de luz ambiente.Esses circuitos geralmente usam um resistor dependente da luz (LDR), um componente cuja resistência muda com base na intensidade da luz que cai nele.Ao integrar um LDR em uma rede de divisor de tensão, torna -se possível converter a intensidade da luz em um sinal de tensão correspondente.A operação central de tal comutação depende de um amplificador diferencial, que recebe duas entradas: uma do divisor de tensão que contém o LDR e o outro a partir de uma tensão de referência.A tensão de referência pode ser ajustada usando um resistor variável (VR1) ou potenciômetro.Essa configuração permite definir com precisão o limiar de intensidade da luz no qual o comutador ativará ou desativará a carga conectada.
À medida que a luz ambiente muda, a resistência do LDR varia, alterando a tensão em uma entrada do amplificador diferencial.Quando essa tensão de entrada ultrapassa ou cai abaixo da tensão de referência, a saída do amplificador alterna.Essa saída é usada para acionar um interruptor do transistor, que por sua vez ativa um dispositivo conectado, como uma lâmpada, relé ou ventilador.A inclusão de um resistor de feedback (RF) melhora a estabilidade e a capacidade de resposta do circuito do amplificador.Enquanto isso, o estágio do transistor, geralmente emparelhado com um diodo de flyback (D1), fornece a amplificação atual necessária e protege contra picos de tensão quando cargas indutivas como relés são usadas.

Figura 6. Switch sensível à luz usando um amplificador diferencial e LDR
A figura ilustra um circuito de comutador sensível à luz com base em um amplificador diferencial.Um resistor dependente da luz (LDR) e um resistor fixo (R1) formam um divisor de tensão que fornece uma entrada de tensão variável (v1) ao terminal de inversão do amplificador operacional.A entrada não inversora recebe uma tensão de referência (V2), definida usando um resistor variável (VR1) em série com resistor R2.O amplificador diferencial compara essas entradas, com sua saída conectada à base de um transistor através de um resistor (R3).Quando a intensidade da luz muda de modo que a V1 atravessa o limite definido por V2, o amplificador interrompe os estados, ligando ou desativando o transistor.Isso, por sua vez, controla uma bobina de relé conectada, indicada no diagrama com uma conexão de saída.Um diodo (D1) é colocado em paralelo com a bobina do relé para proteger contra picos de tensão.O resistor R4 serve como um puxão para a base do transistor.O circuito geral permite a comutação automática com base nas condições de luz ambiente.
• Excelente rejeição de ruído: Os amplificadores diferenciais são projetados para amplificar a diferença entre dois sinais de entrada, ignorando qualquer tensão comum a ambos.Isso os torna altamente eficazes em rejeitar a interferência eletromagnética e o ruído que afeta as duas linhas de entrada igualmente, um benefício importante em ambientes com muito ruído elétrico, como fábricas ou linhas de energia próximas.
• Alta precisão: Esses amplificadores oferecem excelente linearidade, o que significa que a saída é diretamente proporcional à diferença de tensão de entrada com muito pouca distorção.Isso os torna ideais para sistemas que requerem alta precisão, como equipamentos de áudio, sistemas de aquisição de dados ou instrumentos científicos, onde até pequenas imprecisões podem comprometer o desempenho.
• Design versátil: Com modificações simples em sua configuração de circuito, amplificadores diferenciais podem ser usados em uma variedade de funções, como amplificadores básicos, comparadores de tensão, seguidores de tensão (buffers) ou como blocos de construção em sistemas de instrumentação mais avançados.Essa flexibilidade os torna uma escolha popular em muitos designs analógicos.
• Melhora a qualidade do sinal cedo: Ao amplificar o sinal desejado e rejeitar o ruído no início da cadeia de sinais, os amplificadores diferenciais ajudam a garantir que um sinal limpo seja passado pelo restante do sistema.Isso reduz a necessidade de filtragem complexa ou correção digital a jusante, economizando poder de processamento e melhorando a confiabilidade geral do sistema.
• Confiável em configurações duras: Devido à sua rejeição e precisão, os amplificadores diferenciais são amplamente utilizados em ambientes de alto risco, como sistemas aeroespaciais, dispositivos médicos e equipamentos de laboratório.Nesses campos, medições precisas e estáveis são importantes e os amplificadores diferenciais ajudam a manter a integridade do sinal, mesmo sob condições desafiadoras.
Os amplificadores diferenciais são ferramentas importantes nos eletrônicos, porque ajudam a amplificar o sinal certo e se livrar do ruído indesejado.Eles trabalham aumentando a diferença entre duas tensões de entrada e ignorando qualquer coisa que seja a mesma em ambos.Você aprendeu como os amplificadores operacionais são usados para tornar esses amplificadores e como os valores de resistor correspondentes são essenciais para manter o circuito preciso.Também explicamos como aumentar a resistência de entrada do amplificador usando buffers, o que ajuda quando você está trabalhando com sinais pequenos ou fracos.Esses amplificadores também podem ser usados como comparadores e comutadores de luzes inteligentes, mostrando o quão útil e flexível são.Saber como eles funcionam ajuda a criar circuitos melhores e mais confiáveis.
Por favor, envie uma consulta, responderemos imediatamente.
Um amplificador diferencial possui um amplificador operacional e quatro resistores.Uma entrada vai para o terminal de inversão através de um resistor, e a outra entrada vai para o terminal não inversor através de outro resistor.Mais dois resistores fornecem feedback e aterramento.O circuito amplifica a diferença de tensão entre as duas entradas, ignorando qualquer tensão comum a ambos.
Sua precisão depende de quão bem os resistores são comparados.Se os valores do resistor estiverem desativados, o amplificador poderá deixar o ruído passar.Também luta com fontes de alta impedância, o que pode causar perda de sinal ou distorção.Em alto ganho, até pequenos erros internos, como tensão de deslocamento ou corrente de viés, podem afetar a saída.Layouts complexos e buffers extras podem ser necessários para precisão.
A maioria dos amplificadores diferenciais básicos possui uma saída que mostra a diferença amplificada entre duas entradas.Algumas versões avançadas, como amplificadores totalmente diferenciais, têm duas saídas.Essas saídas são iguais em amplitude, mas opostas na fase, tornando -as úteis em sistemas que precisam de melhor imunidade ao ruído.
Amplifica a diferença de tensão entre duas entradas e rejeita qualquer tensão comum a ambos.Possui alta rejeição de modo comum, boa linearidade e ganho ajustável através dos valores do resistor.Com os buffers, ele pode ter alta impedância de entrada.É confiável em ambientes barulhentos e funciona bem com pequenos sinais de sensores ou fontes de áudio.
Você aumenta o ganho ajustando os valores do resistor.O ganho é igual à proporção do resistor de feedback para o resistor de entrada, geralmente ganho = R2 / R1.O uso de resistores de feedback maior ou resistores de entrada menores aumentam o ganho.No entanto, o alto ganho também pode ampliar o ruído ou os erros internos; portanto, os valores do resistor devem ser escolhidos cuidadosamente para um bom equilíbrio entre força e precisão do sinal.
em 02/05/2025
em 02/05/2025
em 18/04/8000 147757
em 18/04/2000 111934
em 18/04/1600 111349
em 18/04/0400 83719
em 01/01/1970 79508
em 01/01/1970 66895
em 01/01/1970 63010
em 01/01/1970 63000
em 01/01/1970 54081
em 01/01/1970 52116