O CD4050 IC é um chip de buffer hexadecimal amplamente utilizado, com seis buffers não inversores.É perfeito para aplicações como regeneração de sinal e conversão de nível de tensão.Este artigo abrange seus recursos, princípios de funcionamento, configuração de pinos e aplicativos de uma maneira simples e amigável para leitores.

O CD4050 O IC é um chip de buffer hexadecimal com seis buffers não inversores que passam sinais inalterados, ideais para conversão de nível de tensão e regeneração de sinal.Ele pode dirigir até dois dispositivos TTL ou DTL de uma só vez, oferecendo desempenho confiável com baixo consumo de energia.Sua alta capacidade de corrente de pia garante que ele lida com várias cargas com eficiência, tornando -a uma escolha versátil para circuitos digitais.
Esta seção fornece os principais destaques e especificações do CD4050 IC, incluindo sua tensão operacional, consumo atual e métricas de desempenho.
| Parâmetro | Especificação |
| Tensão operacional | 3V - 15V DC |
| Consumo atual (máximo) | 50mA |
| Afiar a capacidade atual | Alta corrente de pia para dirigir 2 cargas TTL |
| Tensão de saída de baixo nível máxima | 0,5V a 5V VCC |
| Tensão de saída mínima de alto nível | 4,95V a 5V VCC |

| Número do pino | Tipo de pino | Descrição/direção |
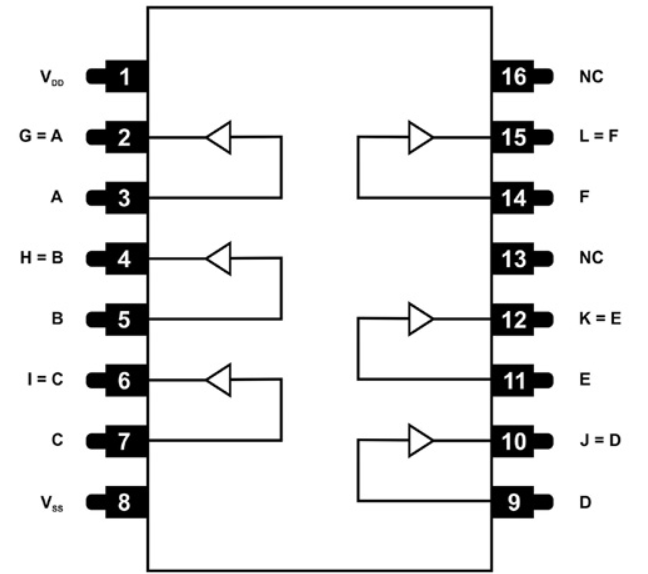
| 1 | VCC | Fornecimento de entrada positivo |
| 2 | G | Saída não invertida 1 |
| 3 | UM | Entrada 1 |
| 4 | H | Saída não invertida 2 |
| 5 | B | Entrada 2 |
| 6 | EU | Saída não invertida 3 |
| 7 | C | Entrada 3 |
| 8 | Vss | Fornecimento negativo |
| 9 | D | Entrada 4 |
| 10 | J | Saída não invertida 4 |
| 11 | E | Entrada 5 |
| 12 | K | Saída não invertida 5 |
| 13 | NC | Sem conexão |
| 14 | F | Entrada 6 |
| 15 | L | Saída não invertida 6 |
| 16 | NC | Sem conexão |
O CD4050 IC foi projetado com buffers não inversores que mantêm o sinal de entrada como ele é, sem alterar seu estado lógico.Ao contrário de um inversor, que vira o sinal, um buffer não inversor garante que a saída corresponda à entrada.Seu objetivo principal é fortalecer o sinal, fornecendo uma alta ou baixa na saída.

Cada buffer dentro do IC possui uma única entrada e uma única saída.A saída é sempre igual à entrada, tornando -a adequada para aplicações em que a integridade do sinal precisa ser preservada.Esses buffers também podem introduzir um ligeiro atraso de propagação, que pode ser útil em projetos específicos de circuitos.
A estrutura interna do CD4050 IC contém seis buffers não inversores, cada um vinculado a pinos específicos de entrada e saída.A imagem abaixo ilustra como esses buffers são organizados no IC e mostra suas conexões com os pinos correspondentes.Por exemplo, quando um sinal é aplicado à entrada A (pino 3), a saída será idêntica em G (pino 2).Da mesma forma, a entrada B corresponde à saída H, entrada C para saída i e assim por diante.

Esse comportamento consistente garante que o IC espelha de maneira confiável sinais de entrada em suas saídas sem alterações em seu estado lógico.
A tabela abaixo destaca a tabela de verdade para o IC, confirmando que a saída sempre corresponde à entrada.Se a entrada é alta ou baixa, a saída reflete o mesmo estado, garantindo integridade contínua de sinal.
| Sinal de entrada (A, B, C, D, E, F) | Sinal de saída (G, H, I, J, K, L) |
| ALTO | ALTO |
| BAIXO | BAIXO |
• SOIC
• PDIP
• CDIP
O CD4050 IC é usado para adaptar com segurança os sinais de níveis de tensão mais altos a mais baixos, permitindo a compatibilidade entre os circuitos que operam em diferentes tensões.
Este IC serve como um conversor hexadecimal, permitindo interfaces suaves entre as famílias de lógica DTL e TTL, lidando com vários sinais com facilidade.
O CD4050 pode atuar como um coletor ou fonte de corrente, garantindo o fluxo de corrente estável para acionar várias cargas nos sistemas CMOS de maneira eficaz.
O modelo 2D do IC não inversor, mostrado abaixo, inclui suas dimensões em milímetros e polegadas.Essas informações são úteis para criar pegadas personalizadas e são ideais para uso em design de PCB e modelagem CAD.

Por favor, envie uma consulta, responderemos imediatamente.
em 20/12/2024
em 20/12/2024
em 18/04/8000 147761
em 18/04/2000 111982
em 18/04/1600 111351
em 18/04/0400 83743
em 01/01/1970 79534
em 01/01/1970 66944
em 01/01/1970 63086
em 01/01/1970 63026
em 01/01/1970 54092
em 01/01/1970 52167