
O IRF9640 é um transistor de efeitos de campo de potência de portão de silício-portão de canal, projetado para atender aos exigentes requisitos de energia.Ele é criado para lidar com um nível específico de energia no modo de avalanche de quebra, tornando-o confiável em aplicativos de alto desempenho.Este MOSFET é adequado para vários usos, como reguladores de comutação, conversores, drivers de motor e drivers de retransmissão.Um de seus recursos de destaque é sua alta impedância de entrada, que permite que ele seja operado diretamente a partir de circuitos integrados.Isso o torna não apenas versátil, mas também prático para uma ampla gama de projetos eletrônicos, garantindo uma operação eficiente e eficaz.




Especificações técnicas, características, características e componentes com especificações comparáveis do Vishay Siliconix IRF9640.
| Tipo | Parâmetro |
| Montar | Através do buraco |
| Tipo de montagem | Através do buraco |
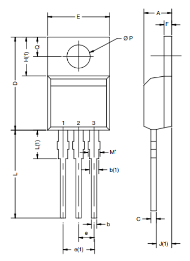
| Pacote / caso | To-220-3 |
| Número de pinos | 3 |
| Pacote de dispositivo de fornecedor | TO-220AB |
| Peso | 6.000006g |
| Atual - dreno contínuo (id) @ 25 ℃ | 11a tc |
| Tensão de condução (Max RDS ON, Min RDS ON) | 10V |
| Número de elementos | 1 |
| Dissipação de energia (MAX) | 125W TC |
| Desligue o tempo de atraso | 39 ns |
| Temperatura operacional | -55 ° C ~ 150 ° C TJ |
| Embalagem | Tubo |
| Publicado | 2011 |
| Status da peça | Obsoleto |
| Nível de sensibilidade à umidade (MSL) | 1 (ilimitado) |
| Temperatura de operação máxima | 150 ° C. |
| Min Temperatura de operação | -55 ° C. |
| Tensão - DC nominal | -200V |
| Classificação atual | -11a |
| Número de canais | 1 |
| Configuração do elemento | Solteiro |
| Dissipação de energia | 125W |
| Ligue o tempo de atraso | 13 ns |
| Tipo de FET | Canal P. |
| Rds em (max) @ id, vgs | 500mohm @ 6.6a, 10V |
| VGS (th) (max) @ id | 4V @ 250μA |
| Capacitância de entrada (CISS) (max) @ vds | 1200pf @ 25V |
| Carga do portão (QG) (Max) @ VGS | 44NC @ 10V |
| Tempo de subida | 43ns |
| Escorra para a tensão de origem (VDSS) | 200V |
| VGS (máximo) | ± 20V |
| Tempo de outono (Typ) | 38 ns |
| Corrente de drenagem contínua (ID) | 11a |
| Portão para a tensão de origem (VGS) | 20V |
| Capacitância de entrada | 1.2nf |
| Drenar para a resistência à fonte | 500mohm |
| Rds no máx | 500 MΩ |
| Altura | 9.01mm |
| Comprimento | 10.41mm |
| Largura | 4,7 mm |
| Status do ROHS | Compatível não-RHS |
| Chumbo livre | Contém chumbo |
O IRF9640 é um transistor de canal P, projetado especificamente para aplicações que exigem manuseio de energia confiável.Esse tipo de transistor é ideal para tarefas de comutação e gerenciamento de carga em circuitos onde a configuração de canal P é preferida.Seu design o torna adequado para controlar dispositivos de alta potência com precisão e eficiência.
Adefado em um pacote TO-220, o IRF9640 é construído para facilitar o uso e a dissipação de calor eficiente.O pacote TO-220 é amplamente reconhecido por seu design robusto, o que garante que o transistor permaneça estável, mesmo sob tensões térmicas e mecânicas variadas.Esse recurso simplifica montar em placas de circuito ou dissipadores de calor para resfriamento eficaz.
O IRF9640 pode lidar com uma tensão máxima de drenagem a fonte de -200 V. Essa capacidade de alta tensão permite ter um desempenho efetivo em circuitos que requerem gerenciamento significativo de tensão.Seja em sistemas de energia industrial ou eletrônicos menores, esse recurso garante que ele permaneça estável em condições de alto estresse.
Com uma faixa de tensão de porta a fonte de ± 20 V, este MOSFET oferece flexibilidade no gerenciamento de sinais de entrada.Essa característica permite integrar o IRF9640 sem problemas em vários projetos de circuitos, de controladores simples a sistemas avançados de gerenciamento de energia.
Capaz de lidar com uma corrente de drenagem contínua de -11 A, o IRF9640 é adequado para circuitos com demandas de corrente moderada a alta.Isso o torna uma excelente opção para aplicações envolvendo motores, fontes de alimentação ou outros sistemas que requerem fluxo de corrente consistente.
A resistência no estado de apenas 500 MΩ é uma vantagem significativa do IRF9640.Essa baixa resistência minimiza a perda de energia durante a operação, melhorando a eficiência geral do seu circuito.Também reduz a geração de calor, contribuindo para a confiabilidade e a longevidade do dispositivo.
O IRF9640 suporta uma corrente de drenagem pulsada de até -44 A, que é útil para aplicações que experimentam rajadas curtas e de alta corrente.Esse recurso o torna uma escolha confiável para sistemas que exigem surtos ocasionais de alta potência sem comprometer o desempenho do dispositivo.
Com a capacidade de se dissipar até 125 W de potência, o IRF9640 foi projetado para gerenciar cargas térmicas significativas de maneira eficaz.Esse recurso o torna uma opção robusta para circuitos de alta potência, garantindo que ele permaneça operacional mesmo em condições exigentes.
O IRF9640 opera em uma ampla faixa de temperatura de -55 ° C a 150 ° C, tornando -o adequado para uso em ambientes extremos.Esteja você projetando condições frias ao ar livre ou aplicações industriais de alta temperatura, esse transistor fornece a confiabilidade necessária para lidar com o estresse térmico.
O IRF9640 foi projetado para lidar com alterações rápidas de tensão com facilidade.Esse recurso o torna adequado para aplicações de alta velocidade, onde é necessária uma comutação rápida, garantindo estabilidade e desempenho sem arriscar danos ao dispositivo.
Esse recurso garante que o IRF9640 possa suportar condições de avalanche repetitivas, fornecendo durabilidade e confiabilidade em circuitos propensos a picos de tensão.Ele adiciona uma camada extra de proteção, principalmente em aplicações sensíveis ao poder.
A configuração de canal P deste transistor é especialmente benéfico para circuitos que requerem comutação de carga de alto lado.Seu design simplifica a complexidade do circuito e reduz o número de componentes necessários, economizando espaço e esforço durante a montagem.
A capacidade de comutação rápida do IRF9640 aumenta seu desempenho em circuitos, onde o tempo e a velocidade são críticos.Isso o torna uma excelente opção para aplicativos de alta frequência, como fontes de alimentação, conversores e controladores de motor.
O IRF9640 pode ser facilmente paralelo com outros MOSFETs, permitindo que você amplie os recursos de manuseio de corrente quando necessário.Essa flexibilidade o torna uma opção preferida para aplicativos de alta potência que exigem que vários dispositivos funcionem em conjunto.
Com os baixos requisitos de acionamento, o IRF9640 pode ser controlado diretamente por microcontroladores, circuitos integrados ou outros dispositivos de baixa potência.Isso elimina a necessidade de componentes adicionais do motorista, simplificando o design do circuito e reduzindo os custos.
Como um dispositivo compatível com o ROHS, o IRF9640 adere aos padrões ambientais, garantindo que ele esteja livre de substâncias perigosas.Essa conformidade não apenas atende aos requisitos regulatórios, mas também suporta o desenvolvimento de produtos sustentáveis e ecológicos.



| Número da peça | Descrição | Fabricante |
| IRF9640 Transistores | 11a, 200V, 0,5Ohm, P-canal, SI, Power, MOSFET, TO-220AB | Rochester Electronics LLC |
| IRF9640-009 Transistores | Transistor de efeito de campo de potência, 11a I (d), 200V, 0,5Ohm, 1 elemento, canal P, silício, óxido de metal-óxido Semicondutor FET, TO-220AB | Vishay Intertechnologies |
| IRF9640-001 Transistores | Transistor de efeito de campo de potência, 11a I (d), 200v, 0,5Ohm, 1 elemento, canal P, silício, semicondutor de óxido de metal FET | Retificador internacional |
| IRF9640-010 Transistores | Transistor de efeito de campo de potência, 11a I (d), 200v, 0,5Ohm, 1 elemento, canal P, silício, semicondutor de óxido de metal FET, TO-220AB | Retificador internacional |
| IRF9640-006 Transistores | Transistor de efeito de campo de potência, 11a I (d), 200v, 0,5Ohm, 1 elemento, canal P, silício, semicondutor de óxido de metal FET, TO-220AB | Vishay Intertechnologies |
| IRF9640pbf Transistores | Transistor de efeitos de campo de potência, 11a I (d), 200v, 0,5ohm, 1 elemento, canal P, silício, semicondutor de óxido de metal FET, TO-220AB, pacote compatível com ROHS-3 | Vishay Intertechnologies |
• 2SJ513
• CEP14P20
• 9640s
• IRFP9240
• MTW14P20
• IRF044
• IRF044SMD
• IRF054
• IRF054SMD
O IRF9640 é um MOSFET de canal P em um pacote TO -220, projetado para lidar com uma corrente de drenagem contínua de -11a e uma tensão de carga máxima de -200V.É ideal para vários aplicativos de comutação e amplificação, oferecendo velocidades de comutação rápidas para circuitos onde é necessário um desempenho rápido.Com uma baixa resistência de drenagem a fonte de 500 MΩ, minimiza a perda de energia, tornando seu circuito mais eficiente.Além disso, seus requisitos baixos de acionamento permitem que ele funcione diretamente com ICS, microcontroladores e plataformas como o Arduino.
O IRF9640 funciona bem na troca de reguladores, ajudando a controlar a tensão e a manter uma saída constante.Isso o torna uma escolha confiável para os circuitos de fonte de alimentação que exigem regulação eficiente de tensão.
Você pode usar o IRF9640 nos conversores de comutação para transformar a energia elétrica de uma forma para outra.Sua capacidade de lidar com a comutação de alta velocidade garante perda mínima de energia, melhorando o desempenho geral do seu circuito.
Em fontes de alimentação ininterruptas, o IRF9640 ajuda a manter um fluxo de energia consistente durante interrupções.Sua confiabilidade o torna adequado para sistemas que precisam de entrega contínua de energia, como configurações de energia de backup.
O IRF9640 é frequentemente usado em carregadores de bateria para gerenciar o processo de carregamento com eficiência.Ele regula a corrente para proteger a bateria da sobrecarga e garante um ciclo de carregamento seguro e eficaz.
Para sistemas solares, o IRF9640 ajuda a gerenciar e otimizar a energia gerada por painéis solares.Ele suporta transferência de energia eficiente, tornando -o um componente confiável em inversores e controladores solares.
O IRF9640 é ideal para circuitos de motorista do motor, permitindo controle suave e preciso da velocidade e direção do motor.Sua capacidade de lidar com altas correntes garante desempenho confiável em aplicações baseadas em motor.
Você pode usar o IRF9640 como um driver para relés em circuitos que precisam controlar dispositivos de alta potência.Ele fornece operação estável e eficiente, garantindo o bom funcionamento dos sistemas baseados em relé.


O IRF9640 é desenvolvido por Vishay, um nome confiável no campo dos produtos semicondutores de energia.Vishay, por meio de sua subsidiária da Siliconix, concentrou -se na criação de soluções que aumentam a eficiência dos sistemas de gerenciamento de energia.Seus produtos são conhecidos por reduzir o espaço necessário para os componentes, tornando -os ideais para dispositivos portáteis e compactos.Como fornecedor líder de MOSFETs de potência de baixa tensão, Vishay construiu uma reputação de fornecer componentes confiáveis que contribuem para a operação aprimorada de sistemas eletrônicos, especialmente em dispositivos portáteis e de bateria.
| Parâmetro | IRF9640 | IRFI640GPBF | FQPF10N20C | IRF630FP | IRLS640A |
| Fabricante | Vishay Siliconix | Vishay Siliconix | Em semicondutor | Stmicroelectronics | Em semicondutor |
| Montar | Através do buraco | Através do buraco | Através do buraco | Através do buraco | Através do buraco |
| Pacote / caso | To-220-3 | Pacote completo para 220-3 | Pacote completo para 220-3 | Pacote completo para 220-3 | Pacote completo para 220-3 |
| Drenar para a tensão de origem | 200V | - | - | 200V | - |
| Corrente de drenagem contínua | 11a (TC) | 9.5a (TC) | 9.8a (TC) | 9.8a (TC) | 9a (TC) |
| Atual - contínuo | 11a (TC) | 9.5a (TC) | 9.8a (TC) | 9.8a (TC) | 9a (TC) |
| Rds no máx | 500mΩ | - | - | 180mΩ | - |
| Portão para a tensão de origem (VGS) | 20V | 30V | 20V | 20V | 20V |
| Dissipação de energia | 125W | 38W | 40W | 40W | 30w |
| Dissipação de energia (TC) | 125W (TC) | 38W (TC) | 40W (TC) | 40W (TC) | 30W (TC) |
Por favor, envie uma consulta, responderemos imediatamente.
O IRF9640 é um MOSFET de potência de canal P com um modo de aprimoramento projeto.É feito para lidar com níveis de energia específicos em quebra modo de avalanche.Isso o torna adequado para tarefas como mudar Reguladores, controle motor e conversão de energia.Sua alta entrada A impedância permite trabalhar diretamente com circuitos integrados sem componentes adicionais.
Para garantir que o IRF9640 funcione de maneira confiável por longos períodos, opere -o abaixo de suas classificações máximas.Por exemplo, mantenha a corrente sob -8.8a e a tensão sob -160V.Adicionar um dissipador de calor adequado ajuda a gerenciar aquecer efetivamente e manter a temperatura operacional entre -55 ° C e 150 ° C ajudarão a evitar danos.
Os MOSFETs de canal P são frequentemente usados em aplicações de troca de carga.Eles Forneça uma solução simples para controlar cargas laterais e são freqüentemente usado em circuitos como unidades de baixa tensão e ponto de carga sistemas, onde é necessário controle de carga eficiente e direto.
Um MOSFET de aprimoramento de canal P é um dispositivo semicondutor com três terminais e um substrato N.Opera com base na cobrança de maioria transportadoras e permite a corrente fluir quando uma tensão positiva é aplicada entre a fonte e o portão.Isso o torna eficaz para mudar e Amplificando sinais em circuitos eletrônicos.
em 15/11/2024
em 15/11/2024
em 28/04/8000 147850
em 28/04/2000 117512
em 28/04/1600 111426
em 28/04/0400 85724
em 01/01/1970 82863
em 01/01/1970 68224
em 01/01/1970 64800
em 01/01/1970 63930
em 01/01/1970 54513
em 01/01/1970 52835